
Размеры фланцев: Таблицы ГОСТ и особенности стальных фланцев
Оглавление
- Размеры и условные обозначения фланцев
- Размеры фланцев по ГОСТ
- Размеры фланцев ГОСТ 33259-2015
- Размеры фланцев ГОСТ 12815—80
- Размеры фланцев ГОСТ 12820‑80
- Размеры фланцев ГОСТ 12821‑80
- Заключение
Фланцы для трубопроводов и оборудования регулируются различными национальными и международными стандартами, среди которых:
Калькулятор
| D | D1 | D2 | Кол-во отв. | d отв. | b, толщина | H/H1 |
|---|---|---|---|---|---|---|
| 90 | 60 | 14 | 4 | 12 | 14 | 31/14 |
ГОСТ
- ГОСТ 12820‑80 – плоские приварные фланцы трубопроводов
- ГОСТ 12821‑80 – фланцы сосудов и аппаратов
- ГОСТ 12822‑80 – фланцы для специальных применений
- ГОСТ 33259‑2015 – комплексное регулирование фланцевой арматуры
ОСТ: отраслевые стандарты
- ОСТ 34-10-425-90 – плоские приварные фланцы из коррозионностойкой стали, предназначенные для трубопроводов атомных станций.
- ОСТ 34-10-426-90 – отраслевой стандарт, который распространяется на плоские приварные фланцы с рёбрами из коррозионностойкой стали.
- ОСТ 26-16-1610-79 – фланцы корпусных деталей на рабочее давление от 14 до 140 МПа (от 140 до 1400 кгс/см²).
DIN / EN
- DIN EN 1092‑1 – европейский стандарт для стальных фланцев
- Дополнительные DIN‑стандарты (например, DIN 2573, DIN 2576)
ASME
- ASME B16.5 – для фланцев с диапазоном размеров до 24″
- ASME B16.47 – для крупных фланцев
Размеры и условные обозначения фланцев
При описании фланцев часто используются следующие параметры:
- Du (DN) – условный проход, то есть номинальный внутренний диаметр трубопровода, для которого предназначен фланец.
- D – наружный диаметр фланца (общий размер изделия).
- D1 – диаметр окружности (расстояние между центрами) крепёжных отверстий; важен для правильного выравнивания при сборке.
- D2 – диаметр прижимной поверхности (так называемое «зеркало» фланца), обеспечивающий качество уплотнения.
- dв – внутренний диаметр фланца (размер центрального отверстия, через которое проходит рабочая среда или труба); иногда обозначается как «dвнутр».
- b – толщина фланца, которая влияет на его прочность.
- h – высота уплотнительной поверхности (зеркала); этот параметр определяет величину зазора при установке прокладки.
- d (или dн) – диаметр отверстий под крепёж (болты или шпильки).
- n – количество отверстий для крепежа.
- Кроме того, в технических спецификациях может указываться масса фланца, которая определяется его размерами, типом материала и технологией изготовления.
- Dн: Наружный диаметр фланца.
- Dвн: Внутренний диаметр фланца.
- f: Высота выступа уплотнительной поверхности.
- PN: Номинальное давление (обозначается в МПа или бар).
Дополнительные условные обозначения и исполнение
- Номер исполнения: В условном обозначении фланца первым числом часто указывается исполнение (например, «1» – для плоского приварного фланца с соединительным выступом).
- Условный проход (Du): Второе число обозначает условный диаметр (например, «65» означает, что фланец предназначен для труб с DN 65 мм).
- Условное давление (Ру): Третье число обозначает номинальное давление (например, «25» – для 25 кгс/см² или 2,5 МПа).
- Дополнительные буквенные обозначения:
- При заказе могут добавляться буквы, указывающие на исполнение уплотнительной поверхности (например, «А» для исполнения с выступом, «Б» – для исполнения с небольшим изменением размеров, «В» – для исполнения с впадиной).
- Иногда указывается марка стали или другие технологические особенности (например, «09Г2С»).
Пример условного обозначения:
«Фланец 1‑65‑25 09Г2С» – где:
- «1» – тип исполнения (соединительный выступ),
- «65» – условный проход (DN 65 мм),
- «25» – условное давление (25 кгс/см²),
- «09Г2С» – марка стали изделия.
Примечания к дополнительным обозначениям
- При проектировании фланцев помимо основных размеров часто учитываются и геометрические допуски, радиусы фасок и другие элементы (например, зазоры для сварных швов или технологические надбавки при установке на трубу).
- Эти параметры критичны для обеспечения герметичности соединения, равномерного распределения нагрузки и долговечности конструкции.
- Дополнительные размеры могут варьироваться в зависимости от стандарта (ГОСТ, DIN/EN, ASME) и типа соединения (приварной, встык, свободный на приварном кольце и т.д.).
1. Типы фланцев по стандартам:
-
ГОСТ:
- Тип 01: Плоские приварные фланцы.
- Тип 11: Воротниковые (приварные встык) фланцы.
- Тип 02: Свободные фланцы на приварном кольце.
- Тип 21: Фланцы корпуса арматуры.
- Тип 03: Плоские фланцы на отбортовке.
- Тип 04: Свободные фланцы на хомуте под приварку.
-
ASME:
- Welding Neck Flange (WN): Воротниковый фланец.
- Slip-On Flange (SO): Плоский фланец.
- Lap Joint Flange (LJ): Свободный (нахлесточный) фланец.
- Socket Weld Flange (SW): Фланец с раструбом под приварку.
- Threaded Flange (TH): Резьбовой фланец.
- Blind Flange (BL): Глухой (заглушка) фланец.
-
EN 1092-1:
- Тип 01: Плоский приварной фланец.
- Тип 11: Воротниковый фланец.
- Тип 05: Заглушка фланцевая.
- Тип 02: Свободный фланец на приварном кольце.
- Тип 04: Свободный фланец на приварном встык кольце.
2. Уплотнительные поверхности фланцев:
-
ГОСТ 33259-2015:
- Исполнение B: С соединительным выступом.
- Исполнение E: С выступом.
- Исполнение F: С впадиной.
- Исполнение C: С шипом.
- Исполнение D: С пазом.
- Исполнение K: Под линзовую прокладку.
- Исполнение J: Под прокладку овального сечения.
- Исполнение L: С шипом под фторопластовую прокладку.
- Исполнение M: С пазом под фторопластовую прокладку.
-
ASME B16.5:
- RF (Raised Face): Выступающая поверхность.
- FF (Flat Face): Плоская поверхность.
- RTJ (Ring Type Joint): Кольцевое соединение.
- LM (Large Male): Крупный выступ.
- LF (Large Female): Крупная впадина.
- SM (Small Male): Малый выступ.
- SF (Small Female): Малая впадина.
- LT (Large Tongue): Крупный шип.
- LG (Large Groove): Крупный паз.
- ST (Small Tongue): Малый шип.
- SG (Small Groove): Малый паз.
Размеры фланцев по ГОСТ
Размеры фланцев ГОСТ 33259-2015
Фланцы, определённые по ГОСТ 33259‑2015, имеют ряд отличительных особенностей в своей геометрии, которые позволяют получить более компактное и экономичное решение при сохранении требуемой прочности и герметичности. Основные отличия размеров и компоновки по сравнению с фланцами, изготовленными по другим ГОСТам, заключаются в следующем:
-
Оптимизированное расположение крепёжных отверстий:
По ГОСТ 33259‑2015 межосевое расстояние (D1) организовано таким образом, чтобы уменьшить общий внешний диаметр фланца (D) без ущерба для механических свойств. Это позволяет снизить вес и размеры конструкции при сохранении надежности соединения. -
Сокращённые внешние габариты при сохранении условного прохода:
При прочих равных параметрах условный проход (Du или DN) остаётся стандартным, но оптимизация конструкции позволяет уменьшить наружный диаметр и толщину без ухудшения рабочих характеристик. Такая компрессия габаритов особенно важна для арматуры, где пространство ограничено. -
Уточнённые допуски и варианты исполнения уплотнительной поверхности:
ГОСТ 33259‑2015 вводит более точные размеры и допуски для элементов, отвечающих за форму и размеры уплотнительной поверхности (например, исполнения с определёнными типами соединительных выступов или впадин). Это позволяет подобрать фланец, максимально адаптированный к конкретным технологическим требованиям, что не всегда учитывается в других ГОСТах.
В совокупности эти меры приводят к тому, что фланцы по ГОСТ 33259‑2015 отличаются меньшими внешними размерами и весом при заданном номинальном проходе и давлении, а также более строгими геометрическими допусками, что особенно актуально для современной арматурной техники и оборудования с высокой степенью интеграции.
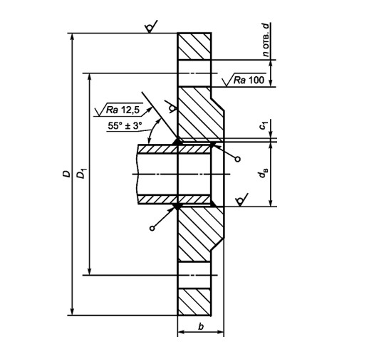
Таблица размеров фланцев стальных плоских приварных, тип 01

|
DN
|
PN,
кгс/см2 |
dв | b |
c1
|
D |
D1
|
d | n | Номинальный диаметр болтов или шпилек |
||||||
| Ряд 1 | Ряд 2 | Ряд 1 | Ряд 2 | Ряд 1 | Ряд 2 | Ряд 1 | Ряд 2 | Ряд 1 | Ряд 2 | Ряд 1 | Ряд 2 | ||||
|
DN 10
|
PN 1 |
15
|
- |
10
|
- |
2
|
75 | - |
50
|
11 | - | 4 | - | М10 | - |
| PN 2,5 |
18
|
12
|
75
|
11
|
4
|
М10
|
|||||||||
| PN 6 |
12
|
||||||||||||||
| PN 10 |
14
|
90
|
60
|
14
|
М12
|
||||||||||
| PN 16 | 14 | ||||||||||||||
| PN 25 | 16 | ||||||||||||||
|
DN 15
|
PN 1 |
19
|
- |
10
|
- |
2
|
80 | - |
55
|
11 | - |
4
|
М10 | - | |
| PN 2,5 |
22
|
12
|
80
|
11
|
М10
|
||||||||||
| PN 6 |
12
|
||||||||||||||
| PN 10 |
14
|
95
|
65
|
14
|
М12
|
||||||||||
| PN 16 | 14 | ||||||||||||||
| PN 25 | 16 | ||||||||||||||
|
DN 20
|
PN 1 |
26
|
- |
12
|
- |
2
|
90 | - |
65
|
11 | - |
4
|
М10 | - | |
| PN 2,5 |
27,5
|
14
|
90
|
11
|
М10
|
||||||||||
| PN 6 |
14
|
||||||||||||||
| PN 10 |
16
|
105
|
75
|
14
|
М12
|
||||||||||
| PN 16 | 16 | ||||||||||||||
| PN 25 | 18 | ||||||||||||||
|
DN 25
|
PN 1 |
33
|
- |
12
|
- |
3
|
100 | - |
75
|
11 | - | 4 | - | М10 | - |
| PN 2,5 |
34,5
|
14
|
100
|
11
|
4
|
М10
|
|||||||||
| PN 6 |
14
|
||||||||||||||
| PN 10 |
16
|
115
|
85
|
14
|
М12
|
||||||||||
| PN 16 |
18
|
||||||||||||||
| PN 25 | |||||||||||||||
|
DN 32
|
PN 1 |
39
|
- |
12
|
- |
3
|
120 | - |
90
|
14 | - | 4 | - | М12 | - |
| PN 2,5 |
43,5
|
16
|
120
|
14
|
4
|
М12
|
|||||||||
| PN 6 | 15 | ||||||||||||||
| PN 10 | 16 |
18
|
135
|
140
|
100
|
18
|
М16
|
||||||||
| PN 16 | 18 | ||||||||||||||
|
DN
|
PN,
кгс/см2 |
dв | b |
c1
|
D |
D1
|
d | n | Номинальный диаметр болтов или шпилек |
||||||
| Ряд 1 | Ряд 2 | Ряд 1 | Ряд 2 | Ряд 1 | Ряд 2 | Ряд 1 | Ряд 2 | Ряд 1 | Ряд 2 | Ряд 1 | Ряд 2 | ||||
|
DN 40
|
PN 1 |
46
|
- |
13
|
- |
3
|
130 | - |
100
|
14 | - | 4 | - | М12 | - |
| PN 2,5 |
49,5
|
16
|
130
|
14
|
4
|
М12
|
|||||||||
| PN 6 | 16 | ||||||||||||||
| PN 10 | 18 |
18
|
145
|
150
|
110
|
18
|
М16
|
||||||||
| PN 16 | 20 | ||||||||||||||
| PN 25 | 22 | ||||||||||||||
|
DN 50
|
PN 1 |
59
|
- |
13
|
- |
3
|
140 | - |
110
|
14 | - | 4 | - | М12 | - |
| PN 2,5 |
61,5
|
16
|
140
|
14
|
4
|
М12
|
|||||||||
| PN 6 | 16 | ||||||||||||||
| PN 10 | 18 |
20
|
160
|
165
|
125
|
18
|
М16
|
||||||||
| PN 16 | 22 | ||||||||||||||
| PN 25 | 24 | ||||||||||||||
|
DN 65
|
PN 1 |
78
|
- |
14
|
- |
4
|
160 | - |
130
|
14 | - | 4 | - | М12 | - |
| PN 2,5 |
77,5
|
16
|
160
|
14
|
4
|
М12
|
|||||||||
| PN 6 | 16 | ||||||||||||||
| PN 10 | 20 |
20
|
180
|
185
|
145
|
18
|
4
|
8 |
М16
|
||||||
| PN 16 | 24 | 8 <**> |
|||||||||||||
| PN 25 | 22 | 8 | |||||||||||||
|
DN 80
|
PN 1 |
91
|
- |
14
|
- |
4
|
185
|
- |
150
|
18 | - | 4 | - | М16 | - |
| PN 2,5 |
90,5
|
18
|
190
|
18
|
4
|
М16
|
|||||||||
| PN 6 | 18 | ||||||||||||||
| PN 10 | 20 |
20
|
195
|
200
|
160
|
4
|
8
|
||||||||
| PN 16 | 24 | ||||||||||||||
| PN 25 | 26 | 24 | 8 | ||||||||||||
|
DN 100
|
PN 1 | 110 116 <*** > |
- |
14
|
- |
4
|
205
|
- |
170
|
18 | - | 4 | - | М16 | - |
| PN 2,5 | 110 116 <*** > |
116
|
18
|
210
|
18
|
4
|
М16
|
||||||||
| PN 6 | 110 116 <*** > |
18 | |||||||||||||
| PN 10 | 110 116 |
22 |
22
|
215
|
220
|
180
|
8
|
||||||||
| PN 16 | 110 116 |
26 | |||||||||||||
|
DN
|
PN,
кгс/см2 |
dв | b |
c1
|
D |
D1
|
d | n | Номинальный диаметр болтов или шпилек |
||||||
| Ряд 1 | Ряд 2 | Ряд 1 | Ряд 2 | Ряд 1 | Ряд 2 | Ряд 1 | Ряд 2 | Ряд 1 | Ряд 2 | Ряд 1 | Ряд 2 | ||||
|
DN 125
|
PN 1 | 135 142 |
- |
16
|
- |
4
|
235
|
- |
200
|
18 | - | 8 | - | М16 | - |
| PN 2,5 | 135 142 |
141,5
|
20
|
240
|
18
|
8
|
М16
|
||||||||
| PN 6 | 135 142 |
20 | |||||||||||||
| PN 10 | 135 142 |
24 |
22
|
245
|
250
|
210
|
|||||||||
| PN 16 | 135 142 |
28 | |||||||||||||
| PN 25 | 135 142 |
30 | 270 | 220 | 26 | М24 | |||||||||
|
DN 150
|
PN 1 | 154 161 170 <*** > |
- | 16 | - |
4
|
260
|
- |
225
|
18 | - | 8 | - | М16 | - |
| PN 2,5 | 154 161 170 <*** > |
170,5
|
16 |
20
|
265
|
18
|
8
|
М16
|
|||||||
| PN 6 | 154 | 20 | |||||||||||||
| 161 170 <*** > |
|||||||||||||||
| PN 10 | 154 161 170 |
24 |
24
|
280
|
285
|
240
|
22
|
М20
|
|||||||
| PN 16 | 154 161 170 |
28 | |||||||||||||
| PN 25 | 154 161 170 |
30 | 300 | 250 | 26 | М24 | |||||||||
|
DN 200
|
PN 1 |
222
|
- |
18
|
- |
4
|
315
|
- |
280
|
18 | - | 8 | - | М16 | - |
| PN 2,5 |
221,5
|
22
|
320
|
18
|
8
|
М16
|
|||||||||
| PN 6 | 22 | ||||||||||||||
| PN 10 | 24 |
335
|
340
|
295
|
22
|
М20
|
|||||||||
| PN 16 | 30 | 26 |
12
|
||||||||||||
| PN 25 | 32 | 360 | 310 | 26 | М24 | ||||||||||
|
DN 250
|
PN 1 |
273
|
- |
21
|
- |
6
|
370
|
- |
335
|
18 | - | 12 | - | М16 | - |
| PN 2,5 |
276,5
|
24
|
375
|
18
|
12
|
М16
|
|||||||||
| PN 6 | 23 | ||||||||||||||
|
DN
|
PN,
кгс/см2 |
dв | b |
c1
|
D |
D1
|
d | n | Номинальный диаметр болтов или шпилек |
||||||
| Ряд 1 | Ряд 2 | Ряд 1 | Ряд 2 | Ряд 1 | Ряд 2 | Ряд 1 | Ряд 2 | Ряд 1 | Ряд 2 | Ряд 1 | Ряд 2 | ||||
| PN 16 | 31 | 29 | 405 | 355 | 26 | М24 | |||||||||
| PN 25 | 34 | 35 | 425 | 370 | 30 | М27 | |||||||||
|
DN 300
|
PN 1 |
325
|
- |
22
|
- |
6
|
435
|
- |
395
|
22 | - | 12 | - | М20 | - |
| PN 2,5 |
327,5
|
24
|
440
|
22
|
12
|
М20
|
|||||||||
| PN 6 | 24 | ||||||||||||||
| PN 10 | 28 | 26 | 440 | 445 | 400 | ||||||||||
| PN 16 | 32 | 32 | 460 | 410 | 26 | М24 | |||||||||
| PN 25 | 36 | 38 | 485 | 430 | 30 | 16 | М27 | ||||||||
|
DN 350
|
PN 1 |
377
|
- |
22
|
- |
7
|
485
|
- |
445
|
22 | - | 12 | - | М20 | - |
| PN 2,5 |
359,5
|
26
|
490
|
22
|
12
|
М20
|
|||||||||
| PN 6 | 26 | ||||||||||||||
| PN 10 | 28 | 30 | 500 | 505 | 460 |
16
|
|||||||||
| PN 16 | 34 | 35 | 520 | 470 | 26 | М24 | |||||||||
| PN 25 | 42 | 550 | 555 | 490 | 33 | М30 | |||||||||
|
DN 400
|
PN 1 |
426
|
- |
22
|
- |
7
|
535
|
- |
495
|
22 | - | 16 | - | М20 | - |
| PN 2,5 |
411
|
28
|
540
|
22
|
16
|
М20
|
|||||||||
| PN 6 | 28 | ||||||||||||||
| PN 10 | 30 | 32 | 565 | 515 | 26 | М24 | |||||||||
| PN 16 | 38 | 580 | 525 | 30 | М27 | ||||||||||
| PN 25 | 44 | 48 | 610 | 620 | 550 | 33 | 36 | М30 | М33 | ||||||
|
DN 450
|
PN 1 |
480
|
- |
24
|
- |
7
|
590
|
- |
550
|
22 | - | 16 | - | М20 | - |
| PN 2,5 |
462
|
30
|
595
|
22
|
16
|
М20
|
|||||||||
| PN 6 | 28 | ||||||||||||||
| PN 10 | 30 | 36 | 615 | 565 | 26 |
20
|
М24 | ||||||||
| PN 16 | 42 | 640 | 585 | 30 | М27 | ||||||||||
| PN 25 | 48 | 54 | 660 | 670 | 600 | 33 | 36 | М30 | М33 | ||||||
|
DN 500
|
PN 1 |
530
|
- |
24
|
- |
7
|
640
|
- |
600
|
22 | - |
16
|
- | М20 | - |
| PN 2,5 |
513,5
|
30
|
645
|
22
|
20
|
М20
|
|||||||||
| PN 6 | 29 | ||||||||||||||
| PN 10 | 32 | 38 | 670 | 620 | 26 |
20
|
М24 | ||||||||
| PN 16 | 48 | 46 | 710 | 715 | 650 | 33 | М30 | ||||||||
| PN 25 | 52 | 58 | 730 | 660 | 39 | 36 | М36 | М33 | |||||||
|
DN 600
|
PN 1 |
630
|
- |
25
|
- |
7
|
755 | - |
705
|
26 | - | 20 | - | М24 | - |
| PN 2,5 |
616,5
|
32
|
755
|
26
|
20
|
М24
|
|||||||||
| PN 6 | 30 | ||||||||||||||
|
DN
|
PN,
кгс/см2 |
dв | b |
c1
|
D |
D1
|
d | n | Номинальный диаметр болтов или шпилек |
||||||
| Ряд 1 | Ряд 2 | Ряд 1 | Ряд 2 | Ряд 1 | Ряд 2 | Ряд 1 | Ряд 2 | Ряд 1 | Ряд 2 | Ряд 1 | Ряд 2 | ||||
| PN 16 | 50 | 55 | 840 |
770
|
39 | 36 | М36 | М33 | |||||||
| PN 25 | 54 | 68 | 840 | 845 | 39 | М36 | |||||||||
|
DN 700
|
PN 1 |
720
|
- |
26
|
- |
9
|
860 | - |
810
|
26 | - | 24 | - | М24 | - |
| PN 2,5 |
<*>
|
40 |
860
|
26
|
24
|
М24
|
|||||||||
| PN 6 | 32 | 40 | |||||||||||||
| PN 10 | 39 | 50 | 895 |
840
|
30 | М27 | |||||||||
| PN 16 | 52 | 63 | 910 | 39 | 36 | М36 | М33 | ||||||||
| PN 25 | 60 | 85 | 960 | 875 | 45 | 42 | М42 | М39 | |||||||
|
DN 800
|
PN 1 |
820
|
- |
26
|
- |
9
|
975 | - | 920 | 30 | - | 24 | - | М27 | - |
| PN 2,5 |
<*>
|
44 |
975
|
30
|
24
|
М27
|
|||||||||
| PN 6 | 32 | 44 | |||||||||||||
| PN 10 | 42 | 56 | 1010 | 1015 |
950
|
33 | М30 | ||||||||
| PN 16 | 54 | 74 | 1020 | 1025 | 39 | М36 | |||||||||
| PN 25 | 68 | 95 | 1075 | 1085 | 990 | 45 | 48 | М42 | М45 | ||||||
|
DN 900
|
PN 1 |
920
|
- |
28
|
- |
9
|
1075 | - |
1020
|
30 | - | 24 | - | М27 | - |
| PN 2,5 |
<*>
|
48 |
1075
|
30
|
24
|
М27
|
|||||||||
| PN 6 | 34 | 48 | |||||||||||||
| PN 10 | 45 | 62 | 1110 | 1115 |
1050
|
33 |
28
|
М30 | |||||||
| PN 16 | 59 | 82 | 1120 | 1125 | 39 | М36 | |||||||||
|
DN 1000
|
PN 1 |
1020
|
- |
30
|
- |
10
|
1175 | - |
1120
|
30 | - | 28 | - | М27 | - |
| PN 2,5 |
<*>
|
52 |
1175
|
30
|
28
|
М27
|
|||||||||
| PN 6 | 36 | 52 | |||||||||||||
| PN 10 | 48 | 70 | 1220 | 1230 | 1160 | 33 | 36 | М30 | М33 | ||||||
| PN 16 | 63 | 90 | 1255 | 1170 | 45 | 42 | М42 | М39 | |||||||
|
DN 1200
|
PN 1 |
1220
|
- |
30
|
- |
10
|
1375 | - |
1320
|
30 | - | 32 | - | М27 | - |
| PN 2,5 |
<*>
|
60 | 1375 | 30 |
32
|
М27 | |||||||||
| PN 6 | 39 | 60 | 1400 | 1405 | 1340 | 33 | М30 | ||||||||
| PN 10 | 56 | 83 | 1455 | 1380 | 39 | М36 | |||||||||
| PN 16 | - | 76 | <*> | 1485 | 1390 | 52 | 48 | М48 | М45 | ||||||
|
DN 1400
|
PN 1 |
1420
|
-
|
32
|
-
|
10
|
1575
|
-
|
1520
|
30
|
-
|
36
|
-
|
М27
|
-
|
| PN 2,5 | |||||||||||||||
| PN 6 | <*> | 48 | 72 | 1620 | 1630 | 1560 | 33 | 36 |
36
|
М30 | М33 | ||||
| PN 10 | - | 65 | <*> | 1675 | 1590 | 45 | 42 | М42 | М39 | ||||||
|
DN 1600
|
PN 1 |
1620
|
-
|
32
|
-
|
10
|
1785
|
-
|
1730
|
30
|
-
|
40
|
-
|
М27
|
-
|
| PN 2,5 | |||||||||||||||
| PN 6 | <*> | 53 | 80 | 1820 | 1830 | 1760 | 33 | 36 |
40
|
М30 | М33 | ||||
| PN 10 | - | 75 | <*> | 1915 | 1820 | 52 | 48 | М48 | М45 | ||||||
|
DN 1800
|
PN 1 |
1820
|
-
|
35
|
-
|
10
|
1985
|
-
|
1930
|
30
|
-
|
44
|
-
|
М27
|
-
|
| PN 2,5 | |||||||||||||||
| PN 6 | - | <*> | - | 88 | 2045 | 1970 | 39 | 44 | М36 | ||||||
|
DN 2000
|
PN 1 |
2020
|
-
|
35
|
-
|
10
|
2190
|
-
|
2130
|
30
|
-
|
48
|
-
|
М27
|
-
|
| PN 2,5 | |||||||||||||||
| PN 6 | - | <*> | - | 96 | 2265 | 2180 | 45 | 42 | 48 | М42 | М39 | ||||
|
DN 2200
|
PN 1 |
2220
|
-
|
42
|
-
|
10
|
2405
|
-
|
2340
|
33
|
-
|
52
|
-
|
М30
|
-
|
| PN 2,5 | |||||||||||||||
|
DN 2400
|
PN 1 |
2420
|
-
|
47
|
-
|
10
|
2605
|
-
|
2540
|
33
|
-
|
56
|
-
|
М30
|
-
|
| PN 2,5 | |||||||||||||||
| <*> Определяется заказчиком. <**> Фланцы с четырьмя отверстиями могут поставляться только по договоренности между изготовителем фланцев и заказчиком. <***> Для исполнений D и M не применять. Примечания 1 Ряд 2 соответствует [2]. 2 Размер c1 может уточняться в зависимости от технологии сварки и размера трубы. 3 Фланцы должны изготавливаться с уплотнительными поверхностями исполнений: - A - для фланцев на PN 1, PN 2,5 и PN 6; - B, C, D, E, F, L и M - для всех PN. |
|||||||||||||||
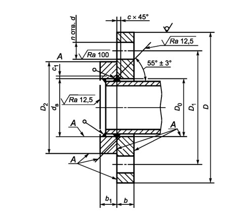
Размеры фланцев стальных плоских свободных на приварном кольце, тип 02
|
DN
|
PN,
кгс/см 2 |
D0 |
D2
|
dв | b | b1 | c |
c1
|
D |
D1
|
d | n | Номинальн ый диаметр болтов или шпилек | |||||||||
| Ряд 1 | Ряд 2 | Ряд 1 | Ряд 2 | Ряд 1 | Ряд 2 | Ряд 1 | Ряд 2 | Ряд 1 | Ряд 2 | Ряд 1 | Ряд 2 | Ряд 1 | Ряд 2 | Ряд 1 | Ряд 2 | Ряд 1 | Ряд 2 | |||||
|
DN 10
|
PN 1 |
16
|
- |
35
|
15
|
- |
10
|
- |
8
|
- |
4
|
- |
2
|
75 | - |
50
|
11 | - | 4 | - | М10 | - |
| PN 2,5 |
21
|
18
|
12
|
10
|
3
|
75
|
11
|
4
|
М10
|
|||||||||||||
| PN 6 | ||||||||||||||||||||||
| PN 10 |
42
|
12 |
14
|
10 |
12
|
90
|
60
|
14
|
М12
|
|||||||||||||
| PN 16 | 14 | 12 | ||||||||||||||||||||
| PN 25 | 16 | 14 | ||||||||||||||||||||
|
DN 15
|
PN 1 |
20
|
- |
40
|
19
|
- |
10
|
- |
8
|
- |
4
|
- |
2
|
80 | - |
55
|
11 | - | 4 | - | М10 | - |
| PN 2,5 |
25
|
22
|
12
|
10
|
3
|
80
|
11
|
4
|
М10
|
|||||||||||||
| PN 6 | ||||||||||||||||||||||
| PN 10 | 47 | 12 | 14 | 10 | 12 | 95 | 65 | 14 | М12 | |||||||||||||
| PN 16 | 14 | 12 | ||||||||||||||||||||
| PN 25 | 16 | 14 | ||||||||||||||||||||
|
DN 20
|
PN 1 |
27
|
- |
50
|
26
|
- |
10
|
- |
10
|
- |
4
|
- |
2
|
90 | - |
65
|
11 | - | 4 | - | М10 | - |
| PN 2,5 |
31
|
27,5
|
14
|
10
|
4
|
90
|
11
|
4
|
М10
|
|||||||||||||
| PN 6 | ||||||||||||||||||||||
| PN 10 |
58
|
14 |
16
|
12 |
14
|
105
|
75
|
14
|
М12
|
|||||||||||||
| PN 16 | 16 | 14 | ||||||||||||||||||||
| PN 25 | 18 | 16 | ||||||||||||||||||||
|
DN 25
|
PN 1 |
34
|
- |
60
|
33
|
- |
12
|
- |
10
|
- |
5
|
- |
3
|
100 | - |
75
|
11 | - | 4 | - | М10 | - |
| PN 2,5 |
38
|
34,5
|
14
|
10
|
4
|
100
|
11
|
4
|
М10
|
|||||||||||||
| PN 6 | ||||||||||||||||||||||
| PN 10 |
68
|
14 |
16
|
12 |
14
|
115
|
85
|
14
|
М12
|
|||||||||||||
| PN 16 | 16 | 14 | ||||||||||||||||||||
| PN 25 | 18 | 16 | ||||||||||||||||||||
|
DN 32
|
PN 1 |
41
|
- |
70
|
39
|
- |
12
|
- |
10
|
- |
5
|
- |
3
|
120 | - |
90
|
14 | - | 4 | - | М12 | - |
| PN 2,5 |
46
|
43,5
|
16
|
10
|
5
|
120
|
14
|
4
|
М12
|
|||||||||||||
| PN 6 | ||||||||||||||||||||||
| PN 10 | 47 | 78 | 16 | 12 | 14 | 135 | 140 | 100 | 18 | М16 | ||||||||||||
|
DN
|
PN,
кгс/см 2 |
D0 |
D2
|
dв | b | b1 | c |
c1
|
D |
D1
|
d | n | Номинальн ый диаметр болтов или шпилек | |||||||||
| Ряд 1 | Ряд 2 | Ряд 1 | Ряд 2 | Ряд 1 | Ряд 2 | Ряд 1 | Ряд 2 | Ряд 1 | Ряд 2 | Ряд 1 | Ряд 2 | Ряд 1 | Ряд 2 | Ряд 1 | Ряд 2 | Ряд 1 | Ряд 2 | |||||
| PN 16 | 18 |
18
|
16
|
|||||||||||||||||||
| PN 25 | 20 | |||||||||||||||||||||
|
DN 40
|
PN 1 |
48
|
- |
80
|
46
|
- |
12
|
- |
10
|
- |
5
|
- |
3
|
130 | - |
100
|
14 | - | 4 | - | М12 | - |
| PN 2,5 |
53
|
49,5
|
16
|
10
|
5
|
130
|
14
|
4
|
М12
|
|||||||||||||
| PN 6 | ||||||||||||||||||||||
| PN 10 |
88
|
18 |
18
|
12 |
14
|
145
|
150
|
110
|
18
|
М16
|
||||||||||||
| PN 16 | 20 | 16 | ||||||||||||||||||||
| PN 25 | 22 | 18 | ||||||||||||||||||||
|
DN 50
|
PN 1 |
61
|
- |
90
|
59
|
- |
12
|
- |
12
|
- |
5
|
- |
3
|
140 | - |
110
|
14 | - | 4 | - | М12 | - |
| PN 2,5 |
65
|
61,5
|
16
|
12
|
5
|
140
|
14
|
4
|
М12
|
|||||||||||||
| PN 6 | ||||||||||||||||||||||
| PN 10 |
102
|
18 |
20
|
14 |
16
|
160
|
165
|
125
|
18
|
М16
|
||||||||||||
| PN 16 | 20 | 16 | ||||||||||||||||||||
| PN 25 | 22 | 18 | ||||||||||||||||||||
|
DN 65
|
PN 1 |
80
|
- |
110
|
78
|
- |
14
|
- |
14
|
- |
6
|
- |
4
|
160 | - |
130
|
14 | - | 4 | - | М12 | - |
| PN 2,5 |
81
|
77,5
|
16
|
12
|
6
|
160
|
14
|
4
|
М12
|
|||||||||||||
| PN 6 | ||||||||||||||||||||||
| PN 10 | 122 | 20 | 20 | 16 | 16 | 180 | 185 | 145 | 18 | 4 | 8 | М16 | ||||||||||
| PN 16 | 22 | 18 | 8 <*> |
|||||||||||||||||||
| PN 25 | 24 | 22 | 20 | 8 | ||||||||||||||||||
|
DN 80
|
PN 1 |
93
|
- |
128
|
91
|
- |
14
|
- |
14
|
- |
6
|
- |
4
|
185
|
- |
150
|
18 | - | 4 | - | М16 | - |
| PN 2,5 |
94
|
90,5
|
18
|
12
|
6
|
190
|
18
|
4
|
М16
|
|||||||||||||
| PN 6 | ||||||||||||||||||||||
| PN 10 |
133
|
22 |
20
|
16 |
16
|
195
|
200
|
160
|
4
|
8
|
||||||||||||
| PN 16 | 24 | 18 | ||||||||||||||||||||
| PN 25 | 26 | 24 | 20 | 18 | ||||||||||||||||||
|
DN 100
|
PN 1 |
112
118 |
- |
148
|
110
<**116 > |
- |
14
|
- |
14
|
- |
6
|
- |
4
|
205
|
- |
170
|
18 | - | 4 | - | М16 | - |
| PN 2,5 |
120
|
116
|
18
|
14
|
6
|
210
|
18
|
4
|
М16
|
|||||||||||||
| PN 6 | 112 118 |
110 116 <** > |
||||||||||||||||||||
| PN 10 | 112 118 |
158
|
110 116 |
24 |
22
|
16 |
18
|
215
|
220
|
180
|
8
|
|||||||||||
| PN 16 | 112 118 |
110 116 |
26 | 20 | ||||||||||||||||||
| PN 25 | 112 118 |
110 116 |
28 | 26 | 22 | 20 | 230 | 235 | 190 | 22 | М20 | |||||||||||
|
DN
|
PN,
кгс/см 2 |
D0 |
D2
|
dв | b | b1 | c |
c1
|
D |
D1
|
d | n | Номинальн ый диаметр болтов или шпилек | |||||||||
| Ряд 1 | Ряд 2 | Ряд 1 | Ряд 2 | Ряд 1 | Ряд 2 | Ряд 1 | Ряд 2 | Ряд 1 | Ряд 2 | Ряд 1 | Ряд 2 | Ряд 1 | Ряд 2 | Ряд 1 | Ряд 2 | Ряд 1 | Ряд 2 | |||||
|
DN 125
|
PN 1 |
138
145 |
- |
178
|
135
142 |
- |
14
|
- |
14
|
- |
6
|
- |
4
|
235
|
- |
200
|
18 | - | 8 | - | М16 | - |
| PN 2,5 |
145
|
141,5
|
20
|
14
|
6
|
240
|
18
|
8
|
М16
|
|||||||||||||
| PN 6 | 138 145 |
135 142 |
||||||||||||||||||||
| PN 10 | 138 145 |
184
|
135 142 |
26 |
22
|
18 |
18
|
245
|
250
|
210
|
||||||||||||
| PN 16 | 138 145 |
135 142 |
28 | 20 | ||||||||||||||||||
| PN 25 | 138 145 |
135 142 |
30 | 28 | 24 | 22 | 270 | 220 | 26 | М24 | ||||||||||||
|
DN 150
|
PN 1 |
157
164 173 |
- |
202
|
154
<**161 170 > |
- |
16
|
- |
16
|
- |
6
|
- |
4
|
260
|
- |
225
|
18 | - | 8 | - | М16 | - |
| PN 2,5 |
174
|
170,5
|
20
|
14
|
6
|
265
|
18
|
8
|
М16
|
|||||||||||||
| PN 6 | 157 164 173 |
154 161 170 <** > |
16 | |||||||||||||||||||
| PN 10 | 157 164 173 |
212
|
154 161 170 |
26 |
24
|
18 | 20 |
280
|
285
|
240
|
22
|
М20
|
||||||||||
| PN 16 | 157 164 |
154 161 |
28 | 22 | 20 | |||||||||||||||||
| 173 | 170 | |||||||||||||||||||||
| PN 25 | 157 164 173 |
154 161 170 |
30 | 24 | 300 | 250 | 26 | М24 | ||||||||||||||
|
DN 200
|
PN 1 |
225
|
- |
258
|
222
|
- |
18
|
- |
18
|
- |
8
|
- |
4
|
315
|
- |
280
|
18 | - |
8
|
М16 | - | |
| PN 2,5 |
226
|
221,5
|
22
|
16
|
6
|
320
|
18
|
М16
|
||||||||||||||
| PN 6 | ||||||||||||||||||||||
| PN 10 |
268
|
26 | 24 | 20 |
20
|
335
|
340
|
295
|
22
|
М20
|
||||||||||||
| PN 16 | 28 | 26 | 22 |
12
|
||||||||||||||||||
| PN 25 | 278 | 30 | 32 | 24 | 26 | 360 | 310 | 26 | М24 | |||||||||||||
|
DN 250
|
PN 1 |
279
|
- |
312
|
273
|
- |
20
|
- |
18
|
- |
11
|
- |
6
|
370
|
- |
335
|
18 | - | 12 | - | М16 | - |
| PN 2,5 |
281
|
276,5
|
24
|
18
|
8
|
375
|
18
|
12
|
М16
|
|||||||||||||
| PN 6 | ||||||||||||||||||||||
| PN 10 |
320
|
28 | 26 | 22 |
22
|
390 | 395 | 350 | 22 | М20 | ||||||||||||
| PN 16 | 30 | 28 | 24 | 405 | 355 | 26 | М24 | |||||||||||||||
| PN 25 | 335 | 32 | 35 | 26 | 425 | 370 | 30 | М27 | ||||||||||||||
|
DN 300
|
PN 1 |
331
|
- |
365
|
325
|
- |
24
|
- |
20
|
- |
11
|
- |
6
|
435
|
- |
395
|
22 | - | 12 | - | М20 | - |
| PN 2,5 |
333
|
327,5
|
24
|
18
|
8
|
440
|
22
|
12
|
М20
|
|||||||||||||
| PN 6 | ||||||||||||||||||||||
| PN 10 |
370
|
30 | 28 | 22 | 440 | 445 | 400 | |||||||||||||||
| PN 16 | 32 | 24 | 460 | 410 | 26 | М24 | ||||||||||||||||
| PN 25 | 390 | 34 | 38 | 26 | 28 | 485 | 430 | 30 | 16 | М27 | ||||||||||||
|
DN 350
|
PN 1 |
383
|
- |
415
|
377
|
- |
28
|
- |
20
|
- |
12
|
- |
7
|
485
|
- |
445
|
22 | - | 12 | - | М20 | - |
| PN 2,5 |
365
|
359,5
|
26
|
18
|
8
|
490
|
22
|
12
|
М20
|
|||||||||||||
| PN 6 | ||||||||||||||||||||||
| PN 10 |
430
|
32 | 30 | 24 | 22 | 500 | 505 | 460 |
16
|
|||||||||||||
| PN 16 | 34 | 35 | 26 | 520 | 470 | 26 | М24 | |||||||||||||||
| PN 25 | 450 | 38 | 42 | 28 | 32 | 550 | 555 | 490 | 33 | М30 | ||||||||||||
|
DN 400
|
PN 1 |
433
|
- |
465
|
426
|
- |
32
|
- |
24
|
- |
12
|
- |
7
|
535
|
- |
495
|
22 | - | 16 | - | М20 | - |
| PN 2,5 |
410
|
411
|
28
|
20
|
8
|
540
|
22
|
16
|
М20
|
|||||||||||||
| PN 6 | ||||||||||||||||||||||
| PN 10 |
416
|
482
|
34 | 32 | 26 | 24 | 565 | 515 | 26 | М24 | ||||||||||||
| PN 16 | 36 | 38 | 28 | 580 | 525 | 30 | М27 | |||||||||||||||
| PN 25 | 505 | 42 | 46 | 30 | 34 | 610 | 620 | 550 | 33 | 36 | М30 | М33 | ||||||||||
|
DN 450
|
PN 1 |
487
|
- |
520
|
480
|
- |
34
|
- |
24
|
- |
12
|
- |
7
|
590
|
- |
550
|
22 | - | 16 | - | М20 | - |
| PN 2,5 |
467
|
462
|
30
|
20
|
8
|
595
|
22
|
16
|
М20
|
|||||||||||||
| PN 6 | ||||||||||||||||||||||
| PN 10 |
532
|
35 | 26 | 24 | 615 | 565 | 26 |
20
|
М24 | |||||||||||||
| PN 16 | 38 | 42 | 28 | 30 | 640 | 585 | 30 | М27 | ||||||||||||||
| PN 25 | 555 | 45 | 50 | 30 | 36 | 660 | 670 | 600 | 33 | 36 | М30 | М33 | ||||||||||
|
DN 500
|
PN 1 |
537
|
- |
570
|
530
|
- |
38
|
- |
26
|
- |
12
|
- |
7
|
640
|
- |
600
|
22 | - |
16
|
- | М20 | - |
| PN 2,5 |
519
|
513,5
|
30
|
22
|
8
|
645
|
22
|
20
|
М20
|
|||||||||||||
| PN 6 | ||||||||||||||||||||||
| PN 10 |
510
|
585
|
38 | 28 | 26 | 670 | 620 | 26 |
20
|
М24 | ||||||||||||
| PN 16 | 42 | 46 | 30 | 32 | 710 | 715 | 650 | 33 | 30 | |||||||||||||
| PN 25 | 519 | 615 | 50 | 58 | 32 | 38 | 730 | 660 | 39 | 36 | М36 | М33 | ||||||||||
|
DN 600
|
PN 2,5 |
-
|
622
|
670
|
-
|
616,5
|
-
|
32
|
-
|
22
|
-
|
8
|
7
|
-
|
755
|
705
|
-
|
26
|
-
|
20
|
-
|
М24
|
| PN 6 | ||||||||||||||||||||||
| PN 10 | 685 | 42 | 26 | 780 | 725 | 30 | М27 | |||||||||||||||
| PN 16 | 725 | 55 | 32 |
845
|
770
|
36 | М33 | |||||||||||||||
| PN 25 | 720 | 68 | 40 | 39 | М36 | |||||||||||||||||
| <*> Фланцы с четырьмя отверстиями могут поставляться только по договоренности между изготовителем фланцев и заказчиком. <**> Для исполнений D и M не применять. Примечания 1 Ряд 2 соответствует [2]. 2 Размер c1 может уточняться в зависимости от технологии сварки и размера трубы. 3 Кольца должны изготавливаться с уплотнительными поверхностями исполнений: |
||||||||||||||||||||||
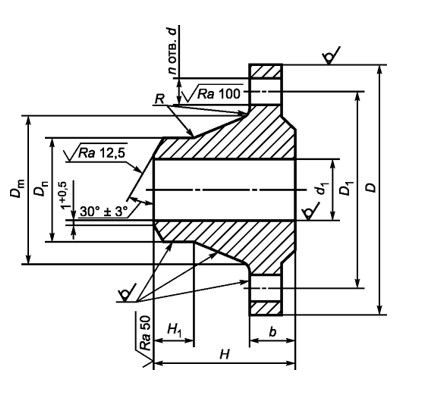
Размеры фланцев стальных плоских свободных на отбортовке и на хомуте под приварку, типы 03 и 04

| DN | PN, кгс/см2 |
D | D0 | D1 | D2 | Dm | Dn | d | d1 | b | b1 | c | H | H1 | n | S |
Номинальный диаметр болтов или шпилек
|
|
DN 10
|
PN 2,5 PN 6 |
75 |
21
|
50 | 35 | - | - | 11 | - | 12 | - |
3
|
- | - |
4
|
- | М10 |
| PN 10 |
90
|
60
|
42
|
28
|
17,2
|
14
|
31
|
14
|
12
|
35
|
6
|
1,8
|
М12
|
||||
| PN 16 | |||||||||||||||||
| PN 25 | - | ||||||||||||||||
| DN 15 | PN 2,5 PN 6 |
80 | 25 | 55 | 40 | - | - | 11 | - | 12 | - | 3 | - | - | 4 | - | М10 |
| PN 10 |
95
|
65
|
47
|
32
|
21,3
|
14
|
35
|
14
|
12
|
38
|
6
|
2
|
М12
|
||||
| PN 16 | |||||||||||||||||
| PN 25 | - | ||||||||||||||||
|
DN 20
|
PN 2,5 PN 6 |
90 |
31
|
65 | 50 | - | - | 11 | - | 14 | - |
4
|
- | - |
4
|
- | М10 |
| PN 10 |
105
|
75
|
58
|
40
|
26,9
|
14
|
42
|
16
|
14
|
40
|
6
|
2,3
|
М12
|
||||
| PN 16 | |||||||||||||||||
| PN 25 | - | ||||||||||||||||
|
DN 25
|
PN 2,5 PN 6 |
100 |
38
|
75 | 60 | - | - | 11 | - | 14 | - |
4
|
- | - |
4
|
- | М10 |
| PN 10 |
115
|
85
|
68
|
46
|
33,7
|
14
|
49
|
16
|
14
|
40
|
6
|
2,6
|
М12
|
||||
| PN 16 | |||||||||||||||||
| PN 25 | - | ||||||||||||||||
|
DN 32
|
PN 2,5 PN 6 |
120 |
47
|
90 | 70 | - | - | 14 | - | 16 | - |
5
|
- | - |
4
|
- | М12 |
| PN 10 |
140
|
100
|
78
|
56
|
42,4
|
18
|
59
|
18
|
14
|
42
|
6
|
2,6
|
М16
|
||||
| PN 16 | |||||||||||||||||
| PN 25 | - | ||||||||||||||||
| DN 40 | PN 2,5 PN 6 |
130 | 53 | 100 | 80 | - | - | 14 | - | 16 | - | 5 | - | - | 4 | - | М12 |
| DN | PN, кгс/см2 |
D | D0 | D1 | D2 | Dm | Dn | d | d1 | b | b1 | c | H | H1 | n | S |
Номинальный диаметр болтов или шпилек
|
| PN 10 |
150
|
110
|
88
|
64
|
48,3
|
18
|
67
|
18
|
14
|
45
|
7
|
2,6
|
М16
|
||||
| PN 16 | |||||||||||||||||
| PN 25 | - | ||||||||||||||||
|
DN 50
|
PN 2,5 PN 6 |
140 |
65
|
110 | 90 | - | - | 14 | - | 16 | - |
5
|
- | - |
4
|
- | М12 |
| PN 10 |
165
|
125
|
102
|
74
|
60,3
|
18
|
77
|
20
|
16
|
45
|
8
|
2,9
|
М16
|
||||
| PN 16 | |||||||||||||||||
| PN 25 | - | 75 | 48 | ||||||||||||||
|
DN 65
|
PN 2,5 PN 6 |
160 |
81
|
130 | 110 | - | - | 14 | - | 16 | - |
6
|
- | - | 4 | - | М12 |
| PN 10 |
185
|
145
|
122
|
92
|
76,1
|
18
|
96
|
20
|
16
|
45
|
10
|
8 |
2,9
|
М16
|
|||
| PN 16 | 8 <*> |
||||||||||||||||
| PN 25 | - | 90 | 22 | 52 | 8 | ||||||||||||
|
DN 80
|
PN 2,5 PN 6 |
190 |
94
|
150 | 128 | - | - |
18
|
- | 18 | - |
6
|
- | - | 4 | - |
М16
|
| PN 10 |
200
|
160
|
138
|
105
|
88,9
|
108
|
20
|
16
|
50
|
10
|
8
|
3,2
|
|||||
| PN 16 | |||||||||||||||||
| PN 25 | - | 114 | 24 | 18 | 58 | 12 | |||||||||||
| DN 100 | PN 2,5 | 210 | 120 | 170 | 148 | - | - | 18 | - | 18 | - | 6 | - | - | 4 | - | М16 |
| PN 6 | |||||||||||||||||
| PN 10 |
220
|
180
|
158
|
131
|
114,3
|
134
|
22
|
18
|
52
|
12
|
8
|
3,6
|
|||||
| PN 16 | |||||||||||||||||
| PN 25 | 235 | - | 190 | 134 | 22 | 138 | 26 | 20 | 65 | М20 | |||||||
|
DN 125
|
PN 2,5 PN 6 |
240 |
145
|
200 | 178 | - | - |
18
|
- | 20 | - |
6
|
- | - |
8
|
- |
М16
|
| PN 10 |
250
|
210
|
184
|
156
|
139,7
|
162
|
22
|
18
|
55
|
12
|
4
|
||||||
| PN 16 | |||||||||||||||||
| PN 25 | 270 | - | 220 | 162 | 26 | 166 | 28 | 22 | 68 | М24 | |||||||
|
DN 150
|
PN 2,5 PN 6 |
265 |
174
|
225 | 202 | - | - | 18 | - | 20 | - |
6
|
- | - |
8
|
- | М16 |
| PN 10 |
285
|
240
|
212
|
184
|
168,3
|
22
|
188
|
24
|
20
|
55
|
12
|
4,5
|
М20
|
||||
| PN 16 | |||||||||||||||||
| PN 25 | 300 | - | 250 | 192 | 26 | 194 | 30 | 24 | 75 | М24 | |||||||
|
DN 200
|
PN 2,5 PN 6 |
320 |
226
|
280 | 258 | - | - | 18 | - | 22 | - |
6
|
- | - |
8
|
- | М16 |
| PN 10 |
340
|
295
|
268
|
234 |
219,1
|
22
|
240
|
24 |
20
|
62
|
16
|
6,3
|
М20
|
||||
| PN 16 | 235 | 26 |
12
|
||||||||||||||
| PN 25 | 360 | - | 310 | 278 | 244 | 26 | 250 | 32 | 26 | 80 | М24 | ||||||
| DN | PN, кгс/см2 |
D | D0 | D1 | D2 | Dm | Dn | d | d1 | b | b1 | c | H | H1 | n | S |
Номинальный диаметр болтов или шпилек
|
|
DN 250
|
PN 10 | 395 |
-
|
350 |
320
|
292
|
273
|
22 |
294
|
26 |
22
|
8
|
68 |
16
|
12
|
6,3
|
М20 |
| PN 16 | 405 | 355 | 26 | 29 | 70 | М24 | |||||||||||
| PN 25 | 425 | 370 | 335 | 298 | 30 | 302 | 35 | 26 | 88 | 18 | 7,1 | М27 | |||||
|
DN 300
|
PN 10 | 445 |
-
|
400 |
370
|
342 |
323,9
|
22 |
348
|
26 | 22 |
8
|
68 |
16
|
12
|
7,1
|
М20 |
| PN 16 | 460 | 410 | 344 | 26 | 32 | 24 | 78 | М24 | |||||||||
| PN 25 | 485 | 430 | 390 | 352 | 30 | 356 | 38 | 28 | 92 | 18 | 16 | 8 | М27 | ||||
|
DN 350
|
PN 10 | 505 |
-
|
460 |
430
|
385 |
355,6
|
22 |
400
|
30 | 22 |
8
|
68 |
16
|
16
|
7,1 | М20 |
| PN 16 | 520 | 470 | 390 | 26 | 35 | 26 | 82 |
8
|
М24 | ||||||||
| PN 25 | 555 | 490 | 450 | 398 | 33 | 408 | 42 | 32 | 100 | 20 | М30 | ||||||
|
DN 400
|
PN 10 | 565 |
-
|
515 |
482
|
440 |
406,4
|
26 | 450 | 32 | 24 |
8
|
72 |
16
|
16
|
7,1 | М24 |
| PN 16 | 580 | 525 | 445 | 30 | 454 | 38 | 28 | 85 |
8
|
М27 | |||||||
| PN 25 | 620 | 550 | 505 | 452 | 36 | 462 | 48 | 34 | 110 | 20 | М33 | ||||||
|
DN 450
|
PN 10 | 615 |
-
|
565 |
532
|
488 |
457
|
26 | 498 | 36 | 24 |
8
|
72 |
16
|
20
|
7,1 | М24 |
| PN 16 | 640 | 585 | 490 | 30 | 500 | 42 | 30 | 83 | 8 | М27 | |||||||
| PN 25 | 670 | 600 | 555 | 500 | 36 | 510 | 54 | 36 | 110 | 20 | 8,8 | М33 | |||||
|
DN 500
|
PN 10 | 670 |
-
|
620 |
585
|
542 |
508
|
26 | 550 | 38 | 26 |
8
|
75 |
16
|
20
|
7,1 | М24 |
| PN 16 | 715 | 650 | 548 | 33 | 556 | 46 | 32 | 84 | 8 | М30 | |||||||
| PN 25 | 730 | 660 | 615 | 558 | 36 | 568 | 58 | 38 | 125 | 20 | 10 | М33 | |||||
|
DN 600
|
PN 10 | 780 |
-
|
725 |
685
|
642 |
610
|
30 | 650 | 42 | 26 |
8
|
82 | 18 |
20
|
- | М27 |
| PN 16 | 840 |
770
|
670 | 36 | 660 | 55 | 32 | 88 | 18 | 8,8 | М33 | ||||||
| PN 25 | 845 | 720 | 660 | 39 | 670 | 68 | 40 | 125 | 20 | 11 | М36 | ||||||
| <*> Фланцы с четырьмя отверстиями могут поставляться только по договоренности между изготовителем фланцев и заказчиком. Примечание - Фланцы типа 03 изготавливаются с уплотнительной поверхностью исполнения B. |
|||||||||||||||||
Размеры фланцев стальных приварных встык, тип 11

|
DN
|
PN,
кгс/см2 |
Dm | Dn | d1 | b | H |
H1
|
D |
D1
|
d | n | Номинальн ый диаметр болтов или шпилек | ||||||||||
| Ряд 1 | Ряд 2 | Ряд 1 | Ряд 2 | Ряд 1 | Ряд 2 | Ряд 1 | Ряд 2 | Ряд 1 | Ряд 2 | Ряд 1 | Ряд 2 | Ряд 1 | Ряд 2 | Ряд 1 | Ряд 2 | Ряд 1 | Ряд 2 | |||||
|
DN 10
|
PN 1 |
22
|
- |
15
|
- |
8
|
- |
10
|
- |
25
|
- |
6
|
75 | - |
50
|
11 | - | 4 | - | М10 | - | |
| PN 2,5 |
26
|
17,2
|
13,2
|
12
|
28
|
75
|
11
|
4
|
М10
|
|||||||||||||
| PN 6 | 12 | 29 | ||||||||||||||||||||
| PN 10 | 25 |
28
|
14
|
35
|
35
|
90
|
60
|
14
|
М12
|
|||||||||||||
| PN 16 |
26
|
14 | ||||||||||||||||||||
| PN 25 |
16
|
|||||||||||||||||||||
| PN 40 | ||||||||||||||||||||||
| PN 63 |
34
|
32
|
18
|
20
|
48 |
45
|
100
|
70
|
||||||||||||||
| PN 100 | 45 | |||||||||||||||||||||
| PN 160 |
-
|
-
|
-
|
-
|
-
|
-
|
100 |
-
|
14 |
-
|
4
|
-
|
М12 | |||||||||
| PN 250 | 44 | 12 | 24 | 58 | 125 | 85 | 18 | М16 | ||||||||||||||
|
DN 15
|
PN 1 |
28
|
- |
19
|
- |
12
|
- |
10
|
- |
28
|
- |
6
|
80 | - |
55
|
11 | - | 4 | - | М10 | - | |
| PN 2,5 |
30
|
21,3
|
17,3
|
12
|
30
|
80
|
11
|
4
|
М10
|
|||||||||||||
| PN 6 |
12
|
30 | ||||||||||||||||||||
| PN 10 |
30
|
32
|
14
|
35
|
38
|
95
|
65
|
14
|
М12
|
|||||||||||||
| PN 16 | 14 | |||||||||||||||||||||
| PN 25 |
16
|
|||||||||||||||||||||
| PN 40 | ||||||||||||||||||||||
| PN 63 | 38 | 34 | 14,9 | 18 | 20 | 48 | 45 | 105 | 75 | |||||||||||||
| PN 100 |
20
|
|||||||||||||||||||||
| PN 160 | 17,3 | 52 | ||||||||||||||||||||
| PN 200 | 40 | - | 23 | - | 14 | - | 26 | - | 54 | - | 120 | - | 82 | 22 | - | 4 | - | М20 | - | |||
| PN 250 | - | 48 | - | 21,3 | - | 16,1 | - | 26 | - | 60 | - | 130 | 90 | - | 18 | - | 4 | - | М16 | |||
|
DN 20
|
PN 1 |
36
|
- |
26
|
- |
18
|
- |
10
|
- |
30
|
- |
6
|
90 | - |
65
|
11 | - | 4 | - | М10 | - | |
| PN 2,5 |
38
|
26,9
|
22,3
|
14
|
32
|
90
|
11
|
4
|
М10
|
|||||||||||||
| PN 6 | 12 | 32 | ||||||||||||||||||||
| PN 10 |
38
|
40
|
14
|
18
|
38
|
40
|
105
|
75
|
14
|
М12
|
||||||||||||
| PN 16 | ||||||||||||||||||||||
| PN 25 |
38
|
40
|
16
|
18
|
36
|
40
|
||||||||||||||||
| PN 40 | ||||||||||||||||||||||
| PN 63 |
48
|
42
|
20,5
|
20 |
22
|
56 |
48
|
8
|
125
|
130
|
90
|
18
|
М16
|
|||||||||
| PN 100 | 22 | 53 | ||||||||||||||||||||
| PN 160 |
-
|
-
|
-
|
22 |
-
|
58 |
-
|
-
|
18 |
-
|
4
|
-
|
М16 |
-
|
||||||||
| PN 200 | 46 |
29
|
19
|
28 | 57 |
130
|
22
|
М20
|
||||||||||||||
| PN 250 | 46 | 33 | 62 | |||||||||||||||||||
|
DN
|
PN,
кгс/см2 |
Dm | Dn | d1 | b | H |
H1
|
D |
D1
|
d | n | Номинальн ый диаметр болтов или шпилек | ||||||||||
| Ряд 1 | Ряд 2 | Ряд 1 | Ряд 2 | Ряд 1 | Ряд 2 | Ряд 1 | Ряд 2 | Ряд 1 | Ряд 2 | Ряд 1 | Ряд 2 | Ряд 1 | Ряд 2 | Ряд 1 | Ряд 2 | Ряд 1 | Ряд 2 | |||||
|
DN 25
|
PN 1 |
42
|
- |
33
|
- |
25
|
- |
10
|
- |
30
|
- |
6
|
100 | - |
75
|
11 | - | 4 | - | М10 | - | |
| PN 2,5 |
42
|
33,7
|
28,5
|
14
|
35
|
100
|
11
|
4
|
М10
|
|||||||||||||
| PN 6 |
14
|
32 | ||||||||||||||||||||
| PN 10 |
45
|
46
|
18
|
40
|
40
|
115
|
85
|
14
|
М12
|
|||||||||||||
| PN 16 | ||||||||||||||||||||||
| PN 25 |
16
|
18
|
38
|
40
|
||||||||||||||||||
| PN 40 | ||||||||||||||||||||||
| PN 63 |
52
|
52
|
26,5
|
22 |
24
|
58
|
58
|
8
|
135
|
140
|
100
|
18
|
М16
|
|||||||||
| PN 100 | 24 | |||||||||||||||||||||
| PN 160 | 52 | - | 27,9 | 24 | ||||||||||||||||||
| PN 200 | 54 | 36 | - | - | 30 | - | 62 | - | 150 | - | 102 | 26 | - | 4 | - | М24 | - | |||||
| PN 250 | - | 60 | - | 33,7 | - | 26,5 | - | 28 | - | 65 | - | 150 | 105 | - | 22 | - | 4 | - | М20 | |||
|
DN 32
|
PN 1 |
50
|
- |
39
|
- |
31
|
- |
10
|
- |
30
|
- |
6
|
120 | - |
90
|
14 | - | 4 | - | М12 | - | |
| PN 2,5 |
55
|
42,4
|
37,2
|
16
|
35
|
120
|
14
|
4
|
М12
|
|||||||||||||
| PN 6 | 14 | 35 | ||||||||||||||||||||
| PN 10 | 55 | 56 | 15 | 18 | 42 | 42 | 135 | 140 | 100 | 18 | М16 | |||||||||||
| PN 16 | ||||||||||||||||||||||
| PN 25 |
56
|
18
|
45
|
42
|
||||||||||||||||||
| PN 40 | ||||||||||||||||||||||
| PN 63 |
64
|
62
|
35,2
|
23 |
24
|
62
|
60
|
8
|
150
|
155
|
110
|
22
|
М20
|
|||||||||
| PN 100 | 24 | |||||||||||||||||||||
| PN 160 |
-
|
-
|
-
|
24 |
-
|
67
|
-
|
-
|
22 |
-
|
4
|
-
|
М20 |
-
|
||||||||
| PN 200 |
43
|
32 |
160
|
115
|
26
|
М24
|
||||||||||||||||
| PN 250 | 37 | 72 | 9 | |||||||||||||||||||
|
DN 40
|
PN 1 |
60
|
- |
46
|
- |
38
|
- |
12
|
- |
36
|
- |
7
|
130 | - |
100
|
14 | - | 4 | - | М12 | - | |
| PN 2,5 |
62
|
48,3
|
43,1
|
14
|
38
|
130
|
14
|
4
|
М12
|
|||||||||||||
| PN 6 | 15 | 38 | ||||||||||||||||||||
| PN 10 | 62 |
64
|
16
|
18
|
45
|
45
|
145
|
150
|
110
|
18
|
М16
|
|||||||||||
| PN 16 |
64
|
|||||||||||||||||||||
| PN 25 |
19
|
18
|
48 |
45
|
145
|
150
|
||||||||||||||||
| PN 40 | 48 | |||||||||||||||||||||
| PN 63 | 74 | 70 | 37 | 41,1 | 24 | 26 | 68 | 62 | 10 | 165 | 170 | 125 | 22 | М20 | ||||||||
| PN 100 |
76
|
26 | 70 | |||||||||||||||||||
| PN 160 | 28 |
75
|
64 | |||||||||||||||||||
| PN 200 | 74 | - | 49 | - | 36 | - | 34 | - | - | 170 | - | 124 | 26 | - | 4 | - | М24 | - | ||||
| PN 250 | - | 84 | - | 48,3 | - | 38,3 | - | 34 | - | 80 | - | 185 | 135 | - | 26 | - | 4 | - | М24 | |||
|
DN 50
|
PN 1 |
70
|
- |
58
|
- |
49
|
- |
12
|
- |
36
|
- |
8
|
140 | - |
110
|
14 | - | 4 | - | М12 | - | |
| PN 2,5 |
74
|
60,3
|
54,5
|
14
|
38
|
140
|
14
|
4
|
М12
|
|||||||||||||
| PN 6 | 15 | 38 | ||||||||||||||||||||
| PN 10 |
76
|
16
|
18
|
45 |
45
|
160
|
165
|
125
|
18
|
М16
|
||||||||||||
| PN 16 | 48 | |||||||||||||||||||||
| PN 25 |
75
|
20
|
48
|
48
|
||||||||||||||||||
| PN 40 | 48 | |||||||||||||||||||||
| PN 63 |
86
|
82 | 47 |
52,3
|
26 | 70 | 62 |
10
|
175 | 180 | 135 | 22 | М20 | |||||||||
| PN 100 |
90
|
45
|
28 | 71 | 68 |
195
|
145
|
26
|
М24
|
|||||||||||||
| PN 160 | 30 | 78 | 75 | |||||||||||||||||||
| PN 200 | 105 | - | 61 | - | 46 | - | 40 | - | 98 | - | 210 | - | 160 | 26 | - | 8 | - | М24 | - | |||
| PN 250 | - | 95 | - | 60,3 | - | 47,7 | - | 38 | - | 85 | - | 200 | 150 | - | 26 | - | 8 | - | М24 | |||
|
DN
|
PN,
кгс/см2 |
Dm | Dn | d1 | b | H |
H1
|
D |
D1
|
d | n | Номинальн ый диаметр болтов или шпилек | ||||||||||
| Ряд 1 | Ряд 2 | Ряд 1 | Ряд 2 | Ряд 1 | Ряд 2 | Ряд 1 | Ряд 2 | Ряд 1 | Ряд 2 | Ряд 1 | Ряд 2 | Ряд 1 | Ряд 2 | Ряд 1 | Ряд 2 | Ряд 1 | Ряд 2 | |||||
|
DN 65
|
PN 1 |
88
|
- |
77
|
- |
66
|
- |
12
|
- |
36
|
- |
9
|
160 | - |
130
|
14 | - |
4
|
М12 | - | ||
| PN 2,5 |
88
|
76,1
|
70,3
|
14
|
38
|
160
|
14
|
М12
|
||||||||||||||
| PN 6 | 15 | 38 | ||||||||||||||||||||
| PN 10 |
94
|
92
|
18
|
48 |
45
|
10
|
180
|
185
|
145
|
18
|
4
|
8 |
М16
|
|||||||||
| PN 16 | 50 | 8 <*> |
||||||||||||||||||||
| PN 25 |
96
|
90
|
22
|
53
|
52
|
145
|
8
|
|||||||||||||||
| PN 40 | ||||||||||||||||||||||
| PN 63 | 106 | 98 | 64 |
68,1
|
28 | 26 | 75 | 68 |
12
|
200 | 205 | 160 | 22 | М20 | ||||||||
| PN 100 |
110
|
108
|
62
|
32 | 30 | 83 | 76 |
220
|
170
|
26
|
М24
|
|||||||||||
| PN 160 | 66,1 | 34 | 88 | 82 | ||||||||||||||||||
| PN 200 | 138 | - | 90 | - | 68 | - | 48 | - | 121 | - | 260 | - | 203 | 30 | - | 8 | - | М27 | - | |||
| PN 250 | - | 124 | - | 76,1 | - | 60,1 | - | 42 | - | 95 | - | 230 | 180 | - | 26 | - | 8 | - | М24 | |||
|
DN 80
|
PN 1 |
102
|
- |
90
|
- |
78
|
- |
14
|
- |
38
|
- |
10
|
185
|
- |
150
|
18 | - | 4 | - | М16 | - | |
| PN 2,5 |
102
|
88,9
|
82,5
|
16
|
42
|
190
|
18
|
4
|
М16
|
|||||||||||||
| PN 6 | 16 | 40 | ||||||||||||||||||||
| PN 10 | 105 | 105 | 18 | 20 | 50 | 50 | 195 | 200 | 160 | 4 | 8 | |||||||||||
| PN 16 |
110
|
20 | 53 | |||||||||||||||||||
| PN 25 | 22 |
24
|
55 |
58
|
12
|
8
|
||||||||||||||||
| PN 40 | 112 | 24 | 58 | |||||||||||||||||||
| PN 63 | 120 | 112 | 77 | 79,9 | 30 | 28 | 75 | 72 | 210 | 215 | 170 | 22 | М20 | |||||||||
| PN 100 |
124
|
120
|
75
|
78,9 | 34 | 32 | 90 | 78 |
230
|
180
|
26
|
М24
|
||||||||||
| PN 160 | 76,3 | 36 | 93 | 86 | ||||||||||||||||||
| PN 200 | 162 | - | 110 | - | 80 | - | 54 | - | 135 | - | 290 | - | 230 | 33 | - | 8 | - | М30 | - | |||
| PN 250 | - | 136 | - | 101,6 | - | 79,6 | - | 46 | - | 102 | - | 255 | 200 | - | 30 | - | 8 | - | М27 | |||
|
DN 100
|
PN 1 |
122
|
- |
110
|
- |
96
|
- |
14
|
- |
40
|
- |
10
|
205
|
- |
170
|
18 | - | 4 | - | М16 | - | |
| PN 2,5 |
130
|
114,3
|
107,1
|
16
|
45
|
210
|
18
|
4
|
М16
|
|||||||||||||
| PN 6 | 16 | 41 | ||||||||||||||||||||
| PN 10 | 128 |
131
|
20
|
20
|
51 |
52
|
12
|
215
|
220
|
180
|
8
|
|||||||||||
| PN 16 | 130 | 53 | ||||||||||||||||||||
| PN 25 | 132 |
134
|
24 |
24
|
61 |
65
|
230
|
235
|
190
|
22
|
М20
|
|||||||||||
| PN 40 | 138 | 26 | 68 | |||||||||||||||||||
| PN 63 | 140 | 138 | 94 | 105,3 | 32 | 30 | 80 | 78 | 250 | 200 | 26 | М24 | ||||||||||
| PN 100 |
146
|
150
|
92
|
103,1 | 38 | 36 | 100 | 90 |
265
|
210
|
30
|
М27
|
||||||||||
| PN 160 | 98,3 | 40 | 103 | 100 | ||||||||||||||||||
| PN 200 | 208 | - | 135 | - | 102 | - | 66 | - | 178 | - | 360 | - | 292 | 39 | - | 8 | - | М36 | - | |||
| PN 250 | - | 164 | - | 127 | - | 98,6 | - | 54 | - | 120 | 14 | - | 300 | 235 | - | 33 | - | 8 | - | М30 | ||
|
DN 125
|
PN 1 |
148
|
- |
135
|
- |
121
|
- |
14
|
- |
40
|
- |
10
|
235
|
- |
200
|
18 | - | 8 | - | М16 | - | |
| PN 2,5 |
155
|
139,7
|
131,7
|
18
|
48
|
240
|
18
|
8
|
М16
|
|||||||||||||
| PN 6 | 18 | 43 | ||||||||||||||||||||
| PN 10 |
156
|
156
|
22
|
60
|
55
|
12
|
245
|
250
|
210
|
|||||||||||||
| PN 16 | ||||||||||||||||||||||
| PN 25 |
160
|
162
|
26 |
26
|
68
|
68
|
270
|
220
|
26
|
М24
|
||||||||||||
| PN 40 | 120 | 28 | ||||||||||||||||||||
| PN 63 | 172 | 168 | 118 |
128,5
|
36 | 34 | 98 | 88 | 295 | 240 | 30 | М27 | ||||||||||
| PN 100 |
180
|
180
|
112
|
42 | 40 | 115 | 105 |
310
|
315
|
250
|
33
|
М30
|
||||||||||
| PN 160 | 119,7 | 44 | 118 | 115 |
14
|
|||||||||||||||||
| PN 200 | 234 | - | 170 | - | 130 | - | 76 | - | 178 | - | 385 | - | 318 | 39 | - | 12 | - | М36 | - | |||
| PN 250 | - | 200 | - | 152,4 | - | 120,4 | - | 60 | - | 140 | 16 | - | 340 | 275 | - | 33 | - | 12 | - | М30 | ||
|
DN
|
PN,
кгс/см2 |
Dm | Dn | d1 | b | H |
H1
|
D |
D1
|
d | n | Номинальн ый диаметр болтов или шпилек | ||||||||||
| Ряд 1 | Ряд 2 | Ряд 1 | Ряд 2 | Ряд 1 | Ряд 2 | Ряд 1 | Ряд 2 | Ряд 1 | Ряд 2 | Ряд 1 | Ряд 2 | Ряд 1 | Ряд 2 | Ряд 1 | Ряд 2 | Ряд 1 | Ряд 2 | |||||
|
DN 150
|
PN 1 |
172
|
- |
161
|
- |
146
|
- |
14
|
- |
41
|
- |
12
|
260
|
- |
225
|
18 | - | 8 | - | М16 | - | |
| PN 2,5 |
184
|
168,3
|
159,3
|
18
|
48
|
265
|
18
|
8
|
М16
|
|||||||||||||
| PN 6 | 18 | 46 | ||||||||||||||||||||
| PN 10 |
180
|
22
|
60
|
55
|
280
|
285
|
240
|
22
|
М20
|
|||||||||||||
| PN 16 | ||||||||||||||||||||||
| PN 25 |
186
|
192
|
28 |
28
|
71
|
75 |
300
|
250
|
26
|
М24
|
||||||||||||
| PN 40 | 145 | 30 | 75 | |||||||||||||||||||
| PN 63 | 206 | 202 | 142 | 155,7 | 38 | 36 | 108 | 95 | 340 | 345 | 280 |
33
|
М30
|
|||||||||
| PN 100 |
214
|
210
|
136
|
152,3 | 46 | 44 | 128 | 115 |
350
|
355
|
290
|
12
|
||||||||||
| PN 160 | 143,3 | 50 | 133 | 128 |
14
|
|||||||||||||||||
| PN 200 | 266 | - | 196 | - | 150 | - | 82 | - | 193 | - | 440 | - | 360 | 45 | - | 12 | - | М42 | - | |||
| PN 250 | - | 240 | - | 177,8 | - | 142,8 | - | 68 | - | 160 | 18 | - | 390 | 320 | - | 36 | - | 12 | - | М33 | ||
|
DN 200
|
PN 1 |
235
|
- |
222
|
- |
202
|
- |
16
|
- |
48
|
- |
15
|
315
|
- |
280
|
18 | - | 8 | - | М16 | - | |
| PN 2,5 |
236
|
219,1
|
206,5
|
20
|
55
|
320
|
18
|
8
|
М16
|
|||||||||||||
| PN 6 | 20 | 53 | ||||||||||||||||||||
| PN 10 | 240 | 234 | 22 | 24 | 61 | 62 | 16 | 335 | 340 | 295 | 22 | М20 | ||||||||||
| PN 16 | 235 | 24 |
12
|
|||||||||||||||||||
| PN 25 | 245 |
244
|
30 | 78 | 80 | 360 | 310 | 26 | М24 | |||||||||||||
| PN 40 | 250 | 200 | 203,1 | 38 | 34 | 88 | 88 | 375 | 320 | 30 | М27 | |||||||||||
| PN 63 | 264 | 256 | 198 | 204,9 | 44 | 42 | 113 | 110 | 405 | 415 | 345 | 33 |
36
|
М30 |
М33
|
|||||||
| PN 100 |
276
|
278
|
190
|
201,5 | 54 | 52 | 143 | 130 |
430
|
360
|
39
|
М36
|
||||||||||
| PN 160 | 187,1 | 60 | 148 | 140 | ||||||||||||||||||
| PN 200 | 340 | - | 248 | - | 192 | - | 92 | - | 233 | - | 535 | - | 440 | 52 | - | 12 | - | М48 | - | |||
| PN 250 | - | 305 | - | 244,5 | - | 194,5 | - | 82 | - | 190 | 25 | - | 485 | 400 | - | 42 | - | 12 | - | М39 | ||
|
DN 250
|
PN 1 |
288
|
- |
278
|
- |
254
|
- |
19
|
- |
48
|
- |
15
|
370
|
- |
335
|
18 | - | 12 | - | М16 | - | |
| PN 2,5 |
290
|
273
|
260,4
|
22
|
60
|
375
|
18
|
12
|
М16
|
|||||||||||||
| PN 6 | 288 | 21 | 53 | |||||||||||||||||||
| PN 10 | 290 |
292
|
24 | 26 | 63 | 68 |
16
|
390 | 395 | 350 | 22 | М20 | ||||||||||
| PN 16 | 292 | 26 | 68 | 70 | 405 | 355 | 26 | М24 | ||||||||||||||
| PN 25 | 300 | 298 |
258,8
|
32 | 78 | 88 |
18
|
425 | 370 | 30 | М27 | |||||||||||
| PN 40 | 310 | 306 | 252 | 42 | 38 | 101 | 105 | 445 | 450 | 385 | 33 | М30 | ||||||||||
| PN 63 | 316 | 316 | 246 | 255,4 | 48 | 46 | 118 | 125 | 470 | 400 | 39 | 36 | М36 | М33 | ||||||||
| PN 100 |
340
|
340
|
236
|
253
|
60 | 163 | 157 |
500
|
505 |
430
|
39 | М36 | ||||||||||
| PN 160 | 68 | 168 | 155 | 515 | 42 | М39 | ||||||||||||||||
| PN 200 | 460 | - | 330 | - | 254 | - | 110 | - | 303 | - | 670 | - | 572 | 56 | - | 16 | - | М52 | - | |||
| PN 250 | - | 385 | - | 298,5 | - | 234,5 | - | 100 | - | 215 | 30 | - | 585 | 490 | - | 48 | - | 16 | - | М45 | ||
|
DN 300
|
PN 1 |
340
|
- |
330
|
- |
303
|
- |
20
|
- |
49
|
- |
15
|
435
|
- |
395
|
22 | - | 12 | - | М20 | - | |
| PN 2,5 |
342
|
323,9
|
309,7
|
22
|
62
|
440
|
22
|
12
|
М20
|
|||||||||||||
| PN 6 | 22 | 54 | ||||||||||||||||||||
| PN 10 | 345 | 26 | 64 | 68 |
16
|
440 | 445 | 400 | ||||||||||||||
| PN 16 | 346 | 344 | 28 | 70 | 78 | 460 | 410 | 26 | М24 | |||||||||||||
| PN 25 | 352 | 352 |
307,9
|
36 | 34 | 84 | 92 |
18
|
485 | 430 | 30 |
16
|
М27 | |||||||||
| PN 40 | 368 | 362 | 301 | 46 | 42 | 116 | 115 | 510 | 515 | 450 | 33 | М30 | ||||||||||
| PN 63 | 370 | 372 | 294 | 301,9 | 54 | 52 | 124 | 140 | 530 | 460 | 39 | 36 | М36 | М33 | ||||||||
| PN 100 |
400
|
400
|
284
|
298,9 | 70 | 68 | 184 | 170 |
585
|
500
|
45
|
42
|
М42
|
М39
|
||||||||
| PN 160 | 279,5 | 78 | 189 | 175 | ||||||||||||||||||
|
DN 350
|
PN 1 |
390
|
- |
382
|
- |
351
|
- |
20
|
- |
49
|
- |
15
|
485
|
- |
445
|
22 | - | 12 | - | М20 | - | |
| PN 2,5 | 385 | 355,6 | 341,4 | 22 | 62 | 490 | 22 | 12 | М20 | |||||||||||||
|
DN
|
PN,
кгс/см2 |
Dm | Dn | d1 | b | H |
H1
|
D |
D1
|
d | n | Номинальн ый диаметр болтов или шпилек | ||||||||||
| Ряд 1 | Ряд 2 | Ряд 1 | Ряд 2 | Ряд 1 | Ряд 2 | Ряд 1 | Ряд 2 | Ряд 1 | Ряд 2 | Ряд 1 | Ряд 2 | Ряд 1 | Ряд 2 | Ряд 1 | Ряд 2 | Ряд 1 | Ряд 2 | |||||
| PN 6 | 22 | 54 | ||||||||||||||||||||
| PN 10 |
400
|
26 | 64 | 68 |
16
|
500 | 505 | 460 |
16
|
|||||||||||||
| PN 16 | 390 |
339,6
|
32 | 30 | 74 | 82 | 520 | 470 | 26 | М24 | ||||||||||||
| PN 25 | 406 | 398 | 40 | 38 | 89 | 100 |
20
|
550 | 555 | 490 | 33 | М30 | ||||||||||
| PN 40 | 418 | 408 | 338 | 52 | 46 | 120 | 125 | 570 | 580 | 510 | 33 | 36 | М30 | М33 | ||||||||
| PN 63 | 430 | 420 | 342 | 330,6 | 60 | 56 | 144 | 150 | 595 | 600 | 525 | 39 | М36 | |||||||||
| PN 100 |
460
|
460 |
332
|
327,2 | 76 | 74 | 199 | 189 | 655 |
560
|
52
|
48 |
М48
|
М45 | ||||||||
| PN 160 | - | - | - | 84 | - | 204 | - | 22,5 | 655 | - | - | 16 | - | - | ||||||||
|
DN 400
|
PN 1 |
440
|
- |
432
|
- |
398
|
- |
20
|
- |
49
|
- |
15
|
535
|
- |
495
|
22 | - | 16 | - | М20 | - | |
| PN 2,5 |
438
|
406,4
|
392,2
|
22
|
65
|
540
|
22
|
16
|
М20
|
|||||||||||||
| PN 6 | 22 | 54 | ||||||||||||||||||||
| PN 10 | 445 | 440 | 26 | 64 | 72 |
16
|
565 | 515 | 26 | М24 | ||||||||||||
| PN 16 | 450 | 445 | 390,4 | 36 | 32 | 79 | 85 | 580 | 525 | 30 | М27 | |||||||||||
| PN 25 | 464 | 452 | 388,8 | 44 | 40 | 104 | 110 |
20
|
610 | 620 | 550 | 33 | 36 | М30 | М33 | |||||||
| PN 40 |
480
|
462 | 384,4 | 58 | 50 | 139 | 135 | 655 | 660 |
585
|
39 | М36 | ||||||||||
| PN 63 | 475 | 386 | 378 | 66 | 60 | 159 | 160 | 670 | 45 | 42 | М42 | М39 | ||||||||||
| PN 100 |
510
|
<*> |
376
|
<*> | 80 | <*> | 204 | <*> | 715 |
620
|
52
|
48 |
М48
|
М45 | ||||||||
| PN 160 | - | - | - | 88 | - | 209 | - | 23,5 | 715 | - | - | 16 | - | - | ||||||||
|
DN 450
|
PN 1 |
494
|
- |
484
|
- |
450
|
- |
20
|
- |
54
|
- |
15
|
590
|
- |
550
|
22 | - | 16 | - | М20 | - | |
| PN 2,5 |
492
|
457
|
442,8
|
22
|
65
|
595
|
22
|
16
|
М20
|
|||||||||||||
| PN 6 | 22 | |||||||||||||||||||||
| PN 10 | 500 | 488 | 26 | 28 | 69 | 72 |
16
|
615 | 565 | 26 |
20
|
М24 | ||||||||||
| PN 16 | 506 | 490 | 441 | 38 | 34 | 89 | 83 | 640 | 585 | 30 | М27 | |||||||||||
| PN 25 | 515 |
500
|
439,4 | 46 | 104 | 110 |
20
|
660 | 670 | 600 | 33 | 36 | М30 | М33 | ||||||||
| PN 40 | 530 | 448 | 432 | 60 | 57 | 139 | 135 | 680 | 685 |
610
|
39 | М36 | ||||||||||
| PN 63 | 534 |
-
|
-
|
436 |
-
|
68 |
-
|
159 |
-
|
28,5 | 695 |
-
|
45 |
-
|
16
|
-
|
М42 |
-
|
||||
| PN 100 | 560 | 426 | 82 | 204 | 27 | 740 | 645 | 52 | М48 | |||||||||||||
|
DN 500
|
PN 1 |
545
|
- |
535
|
- |
501
|
- |
23
|
- |
54
|
- |
15
|
640
|
- |
600
|
22 | - |
16
|
-
|
М20 | - | |
| PN 2,5 |
538
|
508
|
493,8
|
24
|
68
|
645
|
22
|
М20
|
||||||||||||||
| PN 6 | 54 | 20 | ||||||||||||||||||||
| PN 10 | 550 | 542 | 28 | 69 | 75 |
16
|
670 | 620 | 26 |
20
|
М24 | |||||||||||
| PN 16 | 559 | 548 | 492 | 42 | 36 | 94 | 84 | 710 | 715 | 650 | 33 | М30 | ||||||||||
| PN 25 | 570 | 558 | 500 | 488 | 48 | 104 | 125 |
20
|
730 | 660 | 39 | 36 | М36 | М33 | ||||||||
| PN 40 | 580 | 562 | 495 | 479,6 | 62 | 57 | 144 | 140 | 755 | 670 | 45 | 42 | М42 | М39 | ||||||||
| PN 63 | 594 | <*> | <*> | 485 | <*> | 70 | <*> | 169 | <*> | 20 | <*> | 800 | 705 | 52 | 48 | М48 | М45 | |||||
| PN 100 | - | <*> | - | 508 | - | <*> | - | <*> | - | <*> | <*> | - | 870 | 760 | - | 56 | - | 20 | - | М52 | ||
|
DN 600
|
PN 1 |
650
|
- |
636
|
- |
602
|
- |
24
|
- |
60
|
- |
16
|
755 | - |
705
|
26 | - | 20 | - | М24 | - | |
| PN 2,5 |
640
|
610
|
595,8
|
30
|
70
|
755
|
26
|
20
|
М24
|
|||||||||||||
| PN 6 | ||||||||||||||||||||||
| PN 10 | 642 | 594 | 29 | 30 | 70 | 82 |
18
|
780 | 725 | 30 | М27 | |||||||||||
| PN 16 | 660 | 670 | 590 | 46 | 40 | 95 | 88 | 840 |
770
|
39 | 36 | М36 | М33 | |||||||||
| PN 25 | 670 | 660 | 600 | 588 | 54 | 48 | 120 | 125 |
20
|
840 | 845 | 39 | М36 | |||||||||
| PN 40 | 686 | 666 | 595 | 578 | 63 | 72 | 145 | 150 | 890 | 795 | 52 | 48 | М48 | М45 | ||||||||
| PN 63 | 704 | <*> | <*> | 585 | <*> | 76 | <*> | 185 | <*> | - | 925 | 930 | 820 | 56 | М52 | |||||||
|
DN 700
|
PN 1 |
740
|
- |
726
|
- |
692
|
- |
24
|
- |
60
|
- |
16
|
860 | - |
810
|
26 | - | 24 | - | М24 | - | |
| PN 2,5 |
740
|
711
|
695
|
30
|
76
|
860
|
26
|
24
|
М24
|
|||||||||||||
| PN 6 | ||||||||||||||||||||||
| PN 10 | 744 | 746 | 693,4 | 30 | 35 | 70 | 85 | 18 | 895 | 840 | 30 | М27 | ||||||||||
|
DN
|
PN,
кгс/см2 |
Dm | Dn | d1 | b | H |
H1
|
D |
D1
|
d | n | Номинальн ый диаметр болтов или шпилек | ||||||||||
| Ряд 1 | Ряд 2 | Ряд 1 | Ряд 2 | Ряд 1 | Ряд 2 | Ряд 1 | Ряд 2 | Ряд 1 | Ряд 2 | Ряд 1 | Ряд 2 | Ряд 1 | Ряд 2 | Ряд 1 | Ряд 2 | Ряд 1 | Ряд 2 | |||||
| PN 16 | 750 | 755 | 691 | 48 | 40 | 100 | 104 | 910 | 39 | 36 | М36 | М33 | ||||||||||
| PN 25 | 766 | 760 | 690 | 682,6 | 58 | 50 | 130 | 129 | 20 | 960 | 875 | 45 | 42 | М42 | М39 | |||||||
| PN 40 | 790 | 695 | 68 | 165 |
20
|
995 | 900 | 52 | 48 | М48 | М45 | |||||||||||
| PN 63 | 820 | 685 | 81 | 230 | 1045 | 935 | 56 | М52 | ||||||||||||||
|
DN 800
|
PN 1 |
844
|
- |
826
|
- |
792
|
- |
24
|
- |
65
|
- |
16
|
975 | - |
920
|
30 | - | 24 | - | М27 | - | |
| PN 2,5 |
842
|
813
|
797
|
30
|
76
|
975
|
30
|
24
|
М27
|
|||||||||||||
| PN 6 | ||||||||||||||||||||||
| PN 10 |
850
|
850 | 795,4 | 32 | 38 | 80 | 96 | 18 | 1010 | 1015 |
950
|
33 | М30 | |||||||||
| PN 16 | 855 | 788 | 50 | 41 | 100 | 108 | 20 | 1020 | 1025 | 39 | М36 | |||||||||||
| PN 25 | 874 | 864 | 790 | 781 | 60 | 53 | 140 | 138 |
22
|
1075 | 1085 | 990 | 45 | 48 | М42 | М45 | ||||||
| PN 40 | 908 | 795 | 76 | 195 | 1135 | 1140 | 1030 | 56 | М52 | |||||||||||||
| PN 63 | 920 | 785 | 90 | 230 | 1165 | 1050 | 62 | М56 | ||||||||||||||
|
DN 900
|
PN 1 |
944
|
- |
926
|
- |
892
|
- |
26
|
- |
65
|
- |
16
|
1075 | - |
1020
|
30 | - | 24 | - | М27 | - | |
| PN 2,5 |
942
|
914
|
898
|
34
|
78
|
1075
|
30
|
24
|
М27
|
|||||||||||||
| PN 6 | ||||||||||||||||||||||
| PN 10 | 950 | 950 | 889 | 34 | 38 | 85 | 99 | 20 | 1110 | 1115 | 1050 | 33 | 28 | М30 | ||||||||
| PN 16 | 958 | 955 | 52 | 48 | 115 | 118 | 1120 | 1125 | 39 | М36 | ||||||||||||
| PN 25 | 980 | 968 | 879 | 62 | 57 | 150 | 148 |
24
|
1185 | 1090 | 52 | 48 | М48 | М45 | ||||||||
| PN 40 | 1024 | 895 | 79 | 220 | 1250 | 1140 | 56 | М52 | ||||||||||||||
| PN 63 | 1050 | 885 | 93 | 270 | 1285 | 1170 | 62 | М56 | ||||||||||||||
|
DN 1000
|
PN 1 |
1044
|
- |
1028
|
- |
992
|
- |
26
|
- |
65
|
- |
16
|
1175 | - |
1120
|
30 | - | 28 | - | М27 | - | |
| PN 2,5 |
1045
|
1016
|
1000
|
38
|
82
|
1175
|
30
|
28
|
М27
|
|||||||||||||
| PN 6 | ||||||||||||||||||||||
| PN 10 | 1050 | 1052 |
991
|
34 | 44 | 85 | 105 | 20 | 1220 | 1230 | 1160 | 33 | 36 | М30 | М33 | |||||||
| PN 16 | 1060 | 1058 | 54 | 59 | 115 | 137 | 22 | 1255 | 1170 | 45 | 42 | М42 | М39 | |||||||||
| PN 25 | 1084 | 1070 | 976 | 64 | 63 | 155 | 160 |
24
|
1315 | 1320 | 1210 |
56
|
М52
|
|||||||||
| PN 40 | 1140 | 995 | 82 | 240 | 1360 | 1250 | ||||||||||||||||
| PN 63 | 1160 | 985 | 97 | 285 | 1415 | 1290 | 70 | М64 | ||||||||||||||
|
DN 1200
|
PN 1 |
1244
|
- |
1228
|
- |
1192
|
- |
28
|
- |
70
|
- |
16
|
1375 | - |
1320
|
30 | - | 32 | - | М27 | - | |
| PN 2,5 | 1245 |
1219
|
1203 | 32 | 94 | 1375 | 30 |
32
|
М27 | |||||||||||||
| PN 6 | 1248 | 1248 | 1201,4 | 42 | 75 | 104 | 20 | 1400 | 1405 | 1340 | 33 | М30 | ||||||||||
| PN 10 | 1256 | 1256 | 1194 | 38 | 55 | 95 | 132 | 25 | 1455 | 1380 | 39 | М36 | ||||||||||
| PN 16 | 1268 | 1262 | 1190,6 | 56 | 78 | 130 | 160 |
30
|
1485 | 1390 | 52 | 48 | М48 | М45 | ||||||||
| PN 25 | 1288 | 1192 | 67 | 165 | 1525 | 1530 | 1420 | 56 | М52 | |||||||||||||
| PN 40 | 1350 | 1195 | 85 | 255 | 1575 | 1460 | 62 | М56 | ||||||||||||||
| PN 63 | 1386 | 1185 | 100 | 320 | 1665 | 1530 | 78 | М72 | ||||||||||||||
|
DN 1400
|
PN 1 |
1445
|
- |
1428
|
- |
1392
|
- |
28
|
- |
70
|
- |
16
|
1575 | - |
1520
|
30 | - | 36 | - | М27 | - | |
| PN 2,5 | 1445 |
1422
|
1406 | 38 | 96 | 1575 | 30 |
36
|
М27 | |||||||||||||
| PN 6 | 1456 | 1452 | 1404,4 | 32 | 56 | 90 | 114 | 20 | 1620 | 1630 | 1560 | 33 | 36 | М30 | М33 | |||||||
| PN 10 |
-
|
1460 |
-
|
-
|
1393,6 |
-
|
65 |
-
|
143 | 25 |
-
|
1675 |
1590
|
-
|
42 |
-
|
36
|
-
|
М39 | |||
| PN 16 | 1465 | 1390 | 84 | 177 | 30 | 1685 | 48 | М45 | ||||||||||||||
| PN 25 | 1755 | 1640 |
62
|
М56
|
||||||||||||||||||
| PN 40 | <*> | 1795 | 1680 | |||||||||||||||||||
|
DN 1600
|
PN 1 |
1646
|
- |
1628
|
- |
1592
|
- |
28
|
- |
70
|
- |
20
|
1785
|
- |
1730
|
30
|
- |
40
|
М27
|
|||
| PN 2,5 | 1645 |
1626
|
1608,4 | 46 | 102 | 1790 | ||||||||||||||||
| PN 6 | 1660 | 1655 | 1606 | 37 | 63 | 100 | 119 | 1820 | 1830 | 1760 | 33 | 36 | М30 | М33 | ||||||||
| PN 10 |
-
|
1666 |
-
|
-
|
1594 |
-
|
75 |
-
|
159 | 25 |
-
|
1915 |
1820
|
-
|
48 |
-
|
40
|
-
|
М45 | |||
| PN 16 | 1668 | 1591 | 102 | 204 | 35 | 1930 | 56 | М52 | ||||||||||||||
|
DN
|
PN,
кгс/см2 |
Dm | Dn | d1 | b | H |
H1
|
D |
D1
|
d | n | Номинальн ый диаметр болтов или шпилек | ||||||||||
| Ряд 1 | Ряд 2 | Ряд 1 | Ряд 2 | Ряд 1 | Ряд 2 | Ряд 1 | Ряд 2 | Ряд 1 | Ряд 2 | Ряд 1 | Ряд 2 | Ряд 1 | Ряд 2 | Ряд 1 | Ряд 2 | Ряд 1 | Ряд 2 | |||||
| PN 25 | 1626 | 1975 | 1860 | 62 | М56 | |||||||||||||||||
| PN 40 | <*> | 2025 | 1900 | 70 | М64 | |||||||||||||||||
|
DN 1800
|
PN 2,5 |
-
|
1845 |
-
|
1829
|
-
|
1809 |
-
|
46 |
-
|
110 |
20
|
-
|
1990 | 1930 |
-
|
30 |
-
|
44
|
-
|
М27 | |
| PN 6 | 1855 | 1807 | 69 | 133 | 2045 | 1970 | 39 | М36 | ||||||||||||||
| PN 10 | 1868 | 1794 | 85 | 175 | 30 | 2115 |
2020
|
48 | М45 | |||||||||||||
| PN 16 | 1870 | 1789 | 110 | 218 | 35 | 2130 | 56 | М52 | ||||||||||||||
| PN 25 | <*> | 1829 | <*> | <*> | <*> | <*> | 2195 | 2070 | 70 | М64 | ||||||||||||
|
DN 2000
|
PN 2,5 |
-
|
2045 |
-
|
2032
|
-
|
2010 |
-
|
50 |
-
|
122 | 22 |
-
|
2190 | 2130 |
-
|
30 |
-
|
48
|
-
|
М27 | |
| PN 6 | 2058 | 2007 | 74 | 146 | 25 | 2265 | 2180 | 42 | М39 | |||||||||||||
| PN 10 | 2072 | 1997 | 90 | 186 | 30 | 2325 |
2230
|
48 | М45 | |||||||||||||
| PN 16 | 2072 | 1988 | 124 | 238 | 40 | 2345 | 62 | М56 | ||||||||||||||
| PN 25 | <*> | 2032 | <*> | <*> | <*> | <*> | 2425 | 2300 | 70 | М64 | ||||||||||||
|
DN 2200
|
PN 2,5 |
-
|
2248 |
-
|
2235
|
-
|
2213 |
-
|
56 |
-
|
129 |
25
|
-
|
2405 | 2340 |
-
|
33 |
-
|
52
|
-
|
М30 | |
| PN 6 | 2260 | 2207 | 81 | 154 | 2475 | 2390 | 42 | М39 | ||||||||||||||
| PN 10 | 2275 | 2195 | 100 | 202 | 35 | 2550 | 2440 | 56 | М52 | |||||||||||||
| DN 2400 | PN 2,5 | - | 2448 | - | 2438 | - | 2416 | - | 62 | - | 143 | 25 | - | 2605 | 2540 | - | 33 | - | 56 | - | М30 | |
| PN 6 | 2462 | 2408 | 87 | 168 | 2685 | 2600 | 42 | М39 | ||||||||||||||
| PN 10 | 2478 | 2393,6 | 110 | 218 | 35 | 2760 | 2650 | 56 | М52 | |||||||||||||
|
DN 2600
|
PN 2,5 |
-
|
2648 |
-
|
2620
|
-
|
2598 |
-
|
64 |
-
|
148 |
25
|
-
|
2805 | 2740 |
-
|
33 |
-
|
60
|
-
|
М30 | |
| PN 6 | 2665 | 2588 | 91 | 175 | 2905 | 2810 | 48 | М45 | ||||||||||||||
| PN 10 | 2680 | 2570 | 110 | 224 | 40 | 2960 | 2850 | 56 | М52 | |||||||||||||
|
DN 2800
|
PN 2,5 |
-
|
2848 |
-
|
2820
|
-
|
2798 |
-
|
74 |
-
|
161 | 25 |
-
|
3030 | 2960 |
-
|
36 |
-
|
64
|
-
|
М33 | |
| PN 6 | 2865 | 2786 | 101 | 188 | 30 | 3115 | 3020 | 48 | М45 | |||||||||||||
| PN 10 | 2882 | 2770 | 124 | 244 | 40 | 3180 | 3070 | 56 | М52 | |||||||||||||
|
DN 3000
|
PN 2,5 |
-
|
3050 |
-
|
3020
|
-
|
2998 |
-
|
80 |
-
|
170 | 25 |
-
|
3230 | 3160 |
-
|
36 |
-
|
68
|
-
|
М33 | |
| PN 6 | 3068 | 2980 | 102 | 192 | 30 | 3315 | 3220 | 48 | М45 | |||||||||||||
| PN 10 | 3085 | 2956 | 132 | 257 | 45 | 3405 | 3290 | 62 | М56 | |||||||||||||
|
DN 3200
|
PN 2,5 |
-
|
3250 |
-
|
3220
|
-
|
3198 |
-
|
84 |
-
|
180 | 25 |
-
|
3430 | 3360 |
-
|
36 |
-
|
72
|
-
|
М33 | |
| PN 6 | 3272 | 3180 | 106 | 202 | 30 | 3525 | 3430 | 48 | М45 | |||||||||||||
|
DN 3400
|
PN 2,5 |
-
|
3450 |
-
|
3420
|
-
|
3398 |
-
|
90 |
-
|
194 | 28 |
-
|
3630 | 3560 |
-
|
36 |
-
|
76
|
-
|
М33 | |
| PN 6 | 3475 | 3376 | 110 | 214 | 35 | 3735 | 3640 | 48 | М45 | |||||||||||||
| DN 3600 | PN 2,5 | - | 3652 | - | 3620 | - | 3598 | - | 96 | - | 201 | 28 | - | 3840 | 3770 | - | 36 | - | 80 | - | М33 | |
| PN 6 | 3678 | 3576 | 124 | 229 | 35 | 3970 | 3860 | 56 | М52 | |||||||||||||
| DN 3800 | PN 2,5 | - | 3852 | - | 3820 | - | 3798 | - | 102 | - | 212 | 28 | - | 4045 | 3970 | - | 39 | - | 80 | - | М36 | |
| DN 4000 | PN 2,5 | - | 4052 | - | 4020 | - | 3998 | - | 106 | - | 226 | 28 | - | 4245 | 4170 | - | 39 | - | 84 | - | М36 | |
| <*> Размеры задаются заказчиком. Примечания 1 Ряд 2 соответствует [2]. 2 Допускается вместо размера Н1 изготавливать с уклоном 1:2,5 от размера Dm. 3 Фланцы должны изготавливаться с уплотнительными поверхностями исполнений: - A - для фланцев на PN 1, PN 2,5 и PN 6; - B - для фланцев на PN <= 100; - C, D, E, F, J, К, L, M - для PN в соответствии с таблицей 2. |
||||||||||||||||||||||
Размеры фланцев ГОСТ 12815—80
(СТ СЭВ 3249-81, СТ СЭВ 3250-812, СТ СЭВ 3251—81) Взамен ГОСТ 1233—67 и ГОСТ 1234-67
Фланцы, определённые по ГОСТ 12815—80, имеют ряд отличительных особенностей.
• Параметрическая привязка к соединительным частям:
Стандарт задаёт размеры фланцев именно для арматурных соединений, обеспечивая точное соотношение условного прохода, наружного диаметра и расположения крепёжных отверстий для оптимальной взаимозаменяемости в сборках.
• Уникальная маркировка и кодировка исполнения:
В обозначении фланца по ГОСТ 12815‑80 отражается не только условный проход и номинальное давление, но и код исполнения, что позволяет сразу идентифицировать его конструктивное решение, отличное от размеров фланцев по другим ГОСТам.
• Оптимизация габаритов для снижения массы:
Фланцы по данному стандарту разработаны с минимальными лишними размерами (например, уменьшенные наружный диаметр и толщина при сохранении требуемых прочностных характеристик), что снижает вес изделия при сохранении герметичности соединения.
• Точные допуски уплотнительной поверхности:
ГОСТ 12815‑80 определяет строго фиксированные размеры и геометрию уплотнительной (зеркальной) поверхности, что гарантирует надежное прилегание прокладок и высокую эксплуатационную герметичность без избыточных зазоров.
Эти особенности делают фланцы по ГОСТ 12815‑80 уникальными в своем применении для соединительных частей арматуры, отличая их от аналогов, описанных в других национальных стандартах.
Таблица размеров 0,1 и 0,25 Мпа (1,0 и 2,5 кгс/см2)
|
Проход условн ый, Dy
|
D
|
D1
|
D2
|
D3 | D4 | D5 | D6 | d | n |
h
|
h1 | h2 |
B
|
Номинальный диаметр болтов или шпилек |
|||||||||
| ряд1 | ряд2 | ряд1 | ряд2 | ряд1 | ряд2 | ряд1 | ряд2 | ряд1 | ряд2 | ряд1 | ряд2 | ряд1 | ряд2 | ряд1 | ряд2 | ряд1 | ряд2 | ||||||
| 10 | 75 | 50 | 35 | 20 | 19 | 30 | 29 | 19 | 18 | 31 | 30 | 11 | 11 | 4 | 4 | 2 | 4 | 4 | 3 | 3 | 60 | М10 | М10 |
| 15 | 80 | 55 | 40 | 25 | 23 | 35 | 33 | 24 | 22 | 36 | 34 | 11 | 11 | 4 | 4 | 2 | 4 | 4 | 3 | 3 | 65 | М10 | М10 |
| 20 | 90 | 65 | 50 | 32 | 33 | 46 | 43 | 31 | 32 | 47 | 44 | 11 | 11 | 4 | 4 | 2 | 4 | 4 | 3 | 3 | 70 | М10 | М10 |
| 25 | 100 | 75 | 60 | 39 | 41 | 53 | 51 | 38 | 40 | 54 | 52 | 11 | 11 | 4 | 4 | 2 | 4 | 4 | 3 | 3 | 75 | М10 | М10 |
| 32 | 120 | 90 | 70 | 49 | 49 | 63 | 59 | 48 | 48 | 64 | 60 | 14 | 14 | 4 | 4 | 2 | 4 | 4 | 3 | 3 | 95 | М12 | М12 |
| 40 | 130 | 100 | 80 | 56 | 55 | 70 | 69 | 55 | 54 | 71 | 70 | 14 | 14 | 4 | 4 | 3 | 4 | 4 | 3 | 3 | 100 | М12 | М12 |
| 50 | 140 | 110 | 90 | 69 | 66 | 83 | 80 | 68 | 65 | 84 | 81 | 14 | 14 | 4 | 4 | 3 | 4 | 4 | 3 | 3 | 110 | М12 | М12 |
| 65 | 160 | 130 | 100 | 89 | 86 | 103 | 100 | 88 | 85 | 104 | 101 | 14 | 14 | 4 | 4 | 3 | 4 | 4 | 3 | 3 | 125 | М12 | М12 |
| 80 | 185 | 150 | 128 | 103 | 101 | 117 | 115 | 102 | 100 | 118 | 116 | 18 | 18 | 4 | 4 | 3 | 4 | 4 | 3 | 3 | 140 | М16 | М16 |
| 100 | 205 | 170 | 148 | 123 | 117 | 143 | 137 | 122 | 116 | 144 | 138 | 18 | 18 | 4 | 4 | 3 | 1,5 | 4 | 3,5 | 3 | 155 | М16 | М16 |
| 125 | 235 | 200 | 178 | 149 | 146 | 169 | 166 | 148 | 145 | 170 | 167 | 18 | 18 | 8 | 8 | 3 | 1,5 | 4 | 3,5 | 3 | М16 | М16 | |
| 150 | 260 | 225 | 202 | 176 | 171 | 196 | 191 | 175 | 170 | 197 | 192 | 18 | 18 | 8 | 8 | 3 | 1,5 | 4 | 3,5 | 3 | М16 | М16 | |
| -175 | 290 | 255 | 232 | 206 | 203 | 226 | 223 | 205 | 202 | 227 | 224 | 18 | 18 | 8 | 8 | 3 | 1,5 | 4 | 3,5 | 3 | М16 | М16 | |
| 200 | 315 | 280 | 258 | 231 | 229 | 251 | 249 | 230 | 228 | 252 | 250 | 18 | 18 | 8 | 8 | 3 | 1,5 | 4 | 3,5 | 3 | М16 | М16 | |
| -225 | 340 | 305 | 282 | 256 | 256 | 276 | 276 | 255 | 255 | 277 | 277 | 18 | 18 | 8 | 8 | 3 | 1,5 | 4 | 3,5 | 3 | М16 | М16 | |
| 250 | 370 | 335 | 312 | 286 | 283 | 306 | 303 | 285 | 282 | 307 | 304 | 18 | 18 | 12 | 12 | 3 | 1,5 | 4 | 3,5 | 3 | М16 | М16 | |
| 300 | 435 | 395 | 365 | 336 | 336 | 356 | 356 | 335 | 335 | 357 | 357 | 22 | 22 | 12 | 12 | 4 | 4,5 | 5 | 3,5 | 4 | М20 | М20 | |
| 350 | 485 | 445 | 415 | 381 | 386 | 407 | 406 | 380 | 385 | 408 | 407 | 22 | 22 | 12 | 12 | 4 | 5 | 5 | 4 | 4 | М20 | М20 | |
| 400 | 535 | 495 | 465 | 431 | 436 | 457 | 456 | 430 | 435 | 458 | 457 | 22 | 22 | 16 | 16 | 4 | 5 | 5 | 4 | 4 | М20 | М20 | |
| -450 | 590 | 550 | 520 | 481 | 489 | 507 | 509 | 480 | 488 | 508 | 510 | 22 | 22 | 16 | 16 | 4 | 5 | 5 | 4 | 4 | М20 | М20 | |
| 500 | 640 | 600 | 570 | 531 | 541 | 557 | 561 | 530 | 540 | 558 | 562 | 22 | 22 | 20 | 16 | 4 | 5 | 5 | 4 | 4 | М20 | М20 | |
| 600 | 755 | 705 | 670 | 631 | 635 | 657 | 661 | 630 | 634 | 658 | 662 | 26 | 26 | 20 | 20 | 5 | 5 | 6 | 4 | 5 | М24 | М24 | |
| -700 | 860 | 810 | 775 | 736 | 737 | 762 | 763 | 735 | 736 | 763 | 764 | 26 | 26 | 24 | 24 | 5 | 5 | 6 | 4 | 5 | М24 | М24 | |
| 800 | 975 | 920 | 880 | 841 | 841 | 867 | 867 | 840 | 840 | 868 | 868 | 30 | 30 | 24 | 24 | 5 | 5 | 6 | 4 | 5 | М27 | М27 | |
| -900 | 1075 | 1020 | 980 | 30 | 30 | 24 | 24 | 5 | М27 | М27 | |||||||||||||
| 1000 | 1175 | 1120 | 1080 | 30 | 30 | 28 | 28 | 5 | М27 | М27 | |||||||||||||
| 1200 | 1375 | 1320 | 1280 | 30 | 30 | 32 | 32 | 5 | М27 | М27 | |||||||||||||
| 1400 | 1575 | 1520 | 1480 | 30 | 30 | 36 | 36 | 5 | М27 | М27 | |||||||||||||
| 1600 | 1758 | 1730 | 1690 | 30 | 30 | 40 | 40 | 5 | М27 | М27 | |||||||||||||
| -1800 | 1985 | 1930 | 1890 | 30 | 30 | 44 | 44 | 5 | М27 | М27 | |||||||||||||
| 2000 | 2190 | 2130 | 2090 | 30 | 30 | 48 | 48 | 5 | М27 | М27 | |||||||||||||
| -2200 | 2405 | 2340 | 2295 | 33 | 33 | 52 | 52 | 6 | М30 | М30 | |||||||||||||
| 2400 | 2605 | 2540 | 2495 | 33 | 33 | 56 | 56 | 6 | М30 | М30 | |||||||||||||
| -2600 | 2805 | 2740 | 2695 | 33 | 33 | 60 | 60 | 6 | М30 | М30 | |||||||||||||
| -2800 | 3035 | 2960 | 2910 | 36 | 39 | 64 | 64 | 6 | М33 | М36 | |||||||||||||
| 3000 | 3240 | 3160 | 3110 | 36 | 39 | 68 | 68 | 6 | М33 | М36 | |||||||||||||
Таблица размеров 0,6 Мпа (6 кгс/см2) Размеры в мм
|
Проход условн ый, Dy
|
D
|
D1
|
D2
|
D3 | D4 | D5 | D6 | d |
h
|
h1 | h2 |
B
|
Номинальный диаметр болтов или шпилек |
||||||||||
| ряд1 | ряд2 | ряд1 | ряд2 | ряд1 | ряд2 | ряд1 | ряд2 | ряд1 | ряд2 | ряд1 | ряд2 | ряд1 | ряд2 | ряд1 | ряд2 | ряд1 | ряд2 | ||||||
| 10 | 75 | 50 | 35 | 20 | 19 | 30 | 29 | 19 | 18 | 31 | 30 | 11 | 11 | 4 | 4 | 2 | 4 | 4 | 3 | 3 | 60 | М10 | М10 |
| 15 | 80 | 55 | 40 | 25 | 23 | 35 | 33 | 24 | 22 | 36 | 34 | 11 | 11 | 4 | 4 | 2 | 4 | 4 | 3 | 3 | 65 | М10 | М10 |
| 20 | 90 | 65 | 50 | 32 | 33 | 46 | 43 | 31 | 32 | 47 | 44 | 11 | 11 | 4 | 4 | 2 | 4 | 4 | 3 | 3 | 70 | М10 | М10 |
| 25 | 100 | 75 | 60 | 39 | 41 | 53 | 51 | 38 | 40 | 54 | 52 | 11 | 11 | 4 | 4 | 2 | 4 | 4 | 3 | 3 | 75 | М10 | М10 |
| 32 | 120 | 90 | 70 | 49 | 49 | 63 | 59 | 48 | 48 | 64 | 60 | 14 | 14 | 4 | 4 | 2 | 4 | 4 | 3 | 3 | 95 | М12 | М12 |
| 40 | 130 | 100 | 80 | 56 | 55 | 70 | 69 | 55 | 54 | 71 | 70 | 14 | 14 | 4 | 4 | 3 | 4 | 4 | 3 | 3 | 100 | М12 | М12 |
| 50 | 140 | 110 | 90 | 69 | 66 | 83 | 80 | 68 | 65 | 84 | 81 | 14 | 14 | 4 | 4 | 3 | 4 | 4 | 3 | 3 | 110 | М12 | М12 |
| 65 | 160 | 130 | 100 | 89 | 86 | 103 | 100 | 88 | 85 | 104 | 101 | 14 | 14 | 4 | 4 | 3 | 4 | 4 | 3 | 3 | 125 | М12 | М12 |
| 80 | 185 | 150 | 128 | 103 | 101 | 117 | 115 | 102 | 100 | 118 | 116 | 18 | 18 | 4 | 4 | 3 | 4 | 4 | 3 | 3 | 140 | М16 | М16 |
| 100 | 205 | 170 | 148 | 123 | 117 | 143 | 137 | 122 | 116 | 144 | 138 | 18 | 18 | 4 | 4 | 3 | 4,5 | 4 | 3,5 | 3 | 155 | М16 | М16 |
| 125 | 235 | 200 | 178 | 149 | 146 | 169 | 166 | 148 | 145 | 170 | 167 | 18 | 18 | 8 | 8 | 3 | 4,5 | 4 | 3,5 | 3 | М16 | М16 | |
| 150 | 260 | 225 | 202 | 176 | 171 | 196 | 191 | 175 | 170 | 197 | 192 | 18 | 18 | 8 | 8 | 3 | 4,5 | 4 | 3,5 | 3 | М16 | М16 | |
| -175 | 290 | 255 | 232 | 206 | 203 | 226 | 223 | 205 | 202 | 227 | 224 | 18 | 18 | 8 | 8 | 3 | 4,5 | 4 | 3,5 | 3 | М16 | М16 | |
| 200 | 315 | 280 | 258 | 231 | 229 | 251 | 249 | 230 | 228 | 252 | 250 | 18 | 18 | 8 | 8 | 3 | 4,5 | 4 | 3,5 | 3 | М16 | М16 | |
| -225 | 340 | 305 | 282 | 256 | 256 | 276 | 276 | 255 | 255 | 277 | 277 | 18 | 18 | 8 | 8 | 3 | 4,5 | 4 | 3,5 | 3 | М16 | М16 | |
| 250 | 370 | 335 | 312 | 286 | 283 | 306 | 303 | 285 | 282 | 307 | 304 | 18 | 18 | 12 | 12 | 3 | 4,5 | 4 | 3,5 | 3 | М16 | М16 | |
| 300 | 435 | 395 | 365 | 336 | 336 | 356 | 356 | 335 | 335 | 357 | 357 | 22 | 22 | 12 | 12 | 4 | 4,5 | 5 | 3,5 | 4 | М20 | М20 | |
| 350 | 485 | 445 | 415 | 381 | 386 | 407 | 406 | 380 | 385 | 408 | 407 | 22 | 22 | 12 | 12 | 4 | 5 | 5 | 4 | 4 | М20 | М20 | |
| 400 | 535 | 495 | 465 | 431 | 436 | 457 | 456 | 430 | 435 | 458 | 457 | 22 | 22 | 16 | 16 | 4 | 5 | 5 | 4 | 4 | М20 | М20 | |
| -450 | 590 | 550 | 520 | 481 | 489 | 507 | 509 | 480 | 488 | 508 | 510 | 22 | 22 | 16 | 16 | 4 | 5 | 5 | 4 | 4 | М20 | М20 | |
| 500 | 640 | 600 | 570 | 531 | 541 | 557 | 561 | 530 | 540 | 558 | 562 | 22 | 22 | 20 | 20 | 4 | 5 | 5 | 4 | 4 | М20 | М20 | |
| 600 | 755 | 705 | 670 | 631 | 635 | 657 | 661 | 630 | 634 | 658 | 662 | 26 | 26 | 20 | 20 | 5 | 5 | 6 | 4 | 5 | М24 | М24 | |
| -700 | 860 | 810 | 775 | 736 | 737 | 762 | 763 | 735 | 736 | 763 | 764 | 26 | 26 | 24 | 24 | 5 | 5 | 6 | 4 | 5 | М24 | М24 | |
| 800 | 975 | 920 | 880 | 841 | 841 | 867 | 867 | 840 | 840 | 868 | 868 | 30 | 30 | 24 | 24 | 5 | 5 | 6 | 4 | 5 | М27 | М27 | |
| -900 | 1075 | 1020 | 980 | 30 | 30 | 24 | 24 | 5 | М27 | М27 | |||||||||||||
| 1000 | 1175 | 1120 | 1080 | 30 | 30 | 28 | 28 | 5 | М27 | М27 | |||||||||||||
| 1200 | 1400 | 1340 | 1295 | 33 | 33 | 32 | 32 | 5 | М30 | М30 | |||||||||||||
| 1400 | 1620 | 1560 | 1510 | 36 | 33 | 36 | 36 | 5 | М33 | М30 | |||||||||||||
| 1600 | 1820 | 1760 | 1710 | 36 | 33 | 40 | 40 | 5 | М33 | М30 | |||||||||||||
| -1800 | 2045 | 1970 | 1920 | 39 | 39 | 44 | 44 | 5 | М36 | М36 | |||||||||||||
| 2000 | 2265 | 2180 | 2125 | 42 | 45 | 48 | 48 | 5 | М39 | М42 | |||||||||||||
| -2200 | 2475 | 2390 | 2335 | 42 | 45 | 52 | 52 | 5 | М39 | М42 | |||||||||||||
| 2400 | 2685 | 2600 | 2545 | 42 | 45 | 56 | 56 | 6 | М39 | М42 | |||||||||||||
Таблица размеров Py 1,0 Мпа (10 кгс/см2) Размеры в мм
|
Прох од услов ный, Dy
|
D
|
D1
|
D2
|
D3 | D4 | D5 | D6 | d |
h
|
h1 | h2 |
B
|
Номинальный диаметр болтов или шпилек | ||||||||||
| ряд1 | ряд2 | ряд1 | ряд2 | ряд1 | ряд2 | ряд1 | ряд2 | ряд1 | ряд2 | ряд1 | ряд2 | ряд1 | ряд2 | ряд1 | ряд2 | ряд1 | ряд2 | ||||||
| 10 | 90 | 60 | 42 | 24 | 34 | 23 | 35 | 14 | 14 | 4 | 4 | 2 | 4 | 4 | 3 | 3 | 70 | М12 | М12 | ||||
| 15 | 95 | 65 | 47 | 29 | 39 | 28 | 40 | 14 | 14 | 4 | 4 | 2 | 4 | 4 | 3 | 3 | 75 | М12 | М12 | ||||
| 20 | 105 | 75 | 58 | 36 | 50 | 35 | 51 | 14 | 14 | 4 | 4 | 2 | 4 | 4 | 3 | 3 | 80 | М12 | М12 | ||||
| 25 | 115 | 85 | 68 | 43 | 57 | 42 | 58 | 14 | 14 | 4 | 4 | 2 | 4 | 4 | 3 | 3 | 90 | М12 | М12 | ||||
| 32 | 135 | 100 | 78 | 51 | 65 | 50 | 66 | 18 | 18 | 4 | 4 | 2 | 4 | 4 | 3 | 3 | 105 | М16 | М16 | ||||
| 40 | 145 | 110 | 88 | 61 | 75 | 60 | 76 | 18 | 18 | 4 | 4 | 3 | 4 | 4 | 3 | 3 | 110 | М16 | М16 | ||||
| 50 | 160 | 125 | 102 | 73 | 87 | 72 | 88 | 18 | 18 | 4 | 4 | 3 | 4 | 4 | 3 | 3 | 125 | М16 | М16 | ||||
| 65 | 180 | 145 | 122 | 95 | 109 | 94 | 110 | 18 | 18 | 4 | 4 | 3 | 4 | 4 | 3 | 3 | 140 | М16 | М16 | ||||
| 80 | 195 | 160 | 133 | 106 | 120 | 105 | 121 | 18 | 18 | 8 | 4 | 3 | 4 | 4 | 3 | 3 | 150 | М16 | М16 | ||||
| 100 | 215 | 180 | 158 | 129 | 149 | 128 | 150 | 18 | 18 | 8 | 8 | 3 | 4,5 | 4 | 3,5 | 3 | М16 | М16 | |||||
| 125 | 245 | 210 | 184 | 155 | 175 | 154 | 176 | 18 | 18 | 8 | 8 | 3 | 4,5 | 4 | 3,5 | 3 | М16 | М16 | |||||
| 150 | 280 | 240 | 212 | 183 | 203 | 182 | 204 | 22 | 22 | 8 | 8 | 3 | 4,5 | 4 | 3,5 | 3 | М20 | М20 | |||||
| -175 | 310 | 270 | 242 | 213 | 233 | 212 | 234 | 22 | 22 | 8 | 8 | 3 | 4,5 | 4 | 3,5 | 3 | М20 | М20 | |||||
| 200 | 335 | 295 | 268 | 239 | 259 | 238 | 260 | 22 | 22 | 8 | 8 | 3 | 4,5 | 4 | 3,5 | 3 | М20 | М20 | |||||
| -225 | 365 | 325 | 295 | 266 | 286 | 265 | 287 | 22 | 22 | 8 | 8 | 3 | 4,5 | 4 | 3,5 | 3 | М20 | М20 | |||||
| 250 | 390 | 350 | 320 | 292 | 312 | 291 | 313 | 22 | 22 | 12 | 12 | 3 | 4,5 | 4 | 3,5 | 3 | М20 | М20 | |||||
| 300 | 440 | 400 | 370 | 343 | 363 | 342 | 364 | 22 | 22 | 12 | 12 | 4 | 4,5 | 5 | 3,5 | 4 | М20 | М20 | |||||
| 350 | 500 | 460 | 430 | 395 | 421 | 394 | 422 | 22 | 22 | 16 | 16 | 4 | 5 | 5 | 4 | 4 | М20 | М20 | |||||
| 400 | 565 | 515 | 482 | 447 | 473 | 446 | 474 | 26 | 26 | 16 | 16 | 4 | 5 | 5 | 4 | 4 | М24 | М24 | |||||
| -450 | 615 | 565 | 532 | 497 | 523 | 496 | 524 | 26 | 26 | 20 | 20 | 4 | 5 | 5 | 4 | 4 | М24 | М24 | |||||
| 500 | 670 | 620 | 585 | 549 | 575 | 548 | 576 | 26 | 26 | 20 | 20 | 4 | 5 | 5 | 4 | 4 | М24 | М24 | |||||
| 600 | 780 | 725 | 685 | 649 | 651 | 675 | 677 | 648 | 650 | 676 | 678 | 30 | 30 | 20 | 4 | 5 | 5 | 6 | 4 | 5 | М27 | М27 | |
| -700 | 895 | 840 | 800 | 751 | 751 | 777 | 777 | 750 | 750 | 778 | 778 | 30 | 30 | 24 | 24 | 5 | 5 | 6 | 4 | 5 | М27 | М27 | |
| 800 | 1010 | 950 | 905 | 856 | 851 | 882 | 877 | 855 | 850 | 883 | 878 | 33 | 33 | 24 | 24 | 5 | 5 | 6 | 4 | 5 | М30 | М30 | |
| -900 | 1110 | 1050 | 1005 | 33 | 33 | 28 | 28 | 5 | М30 | М30 | |||||||||||||
| 1000 | 1220 | 1160 | 1110 | 36 | 33 | 28 | 28 | 5 | М30 | М30 | |||||||||||||
| 1200 | 1455 | 1380 | 1330 | 39 | 39 | 32 | 32 | 5 | М33 | М30 | |||||||||||||
| 1400 | 1675 | 1590 | 1530 | 42 | 45 | 36 | 36 | 5 | М36 | М36 | |||||||||||||
| 1600 | 1915 | 1820 | 1750 | 48 | 52 | 40 | 40 | 5 | М39 | М42 | |||||||||||||
| -1800 | 2115 | 2020 | 1950 | 48 | 52 | 44 | 44 | 5 | М45 | М48 | |||||||||||||
| 2000 | 2325 | 2230 | 2150 | 48 | 52 | 48 | 48 | 5 | М45 | М48 | |||||||||||||
Таблица размеров Py 1,6 Мпа (16 кгс/см2) Размеры в мм
|
Проход условн ый, Dy
|
D
|
D1
|
D2
|
D3 | D4 | D5 | D6 | d | n |
h
|
h1 | h2 |
B
|
Номинальный диаметр болтов или шпилек |
|||||||||
| ряд1 | ряд2 | ряд1 | ряд2 | ряд1 | ряд2 | ряд1 | ряд2 | ряд1 | ряд2 | ряд1 | ряд2 | ряд1 | ряд2 | ряд1 | ряд2 | ряд1 | ряд2 | ||||||
| 10 | 90 | 60 | 42 | 24 | 34 | 23 | 35 | 14 | 14 | 4 | 4 | 2 | 4 | 4 | 3 | 3 | 70 | М12 | М12 | ||||
| 15 | 95 | 65 | 47 | 29 | 39 | 28 | 40 | 14 | 14 | 4 | 4 | 2 | 4 | 4 | 3 | 3 | 75 | М12 | М12 | ||||
| 20 | 105 | 75 | 58 | 36 | 50 | 35 | 51 | 14 | 14 | 4 | 4 | 2 | 4 | 4 | 3 | 3 | 80 | М12 | М12 | ||||
| 25 | 115 | 85 | 68 | 43 | 57 | 42 | 58 | 14 | 14 | 4 | 4 | 2 | 4 | 4 | 3 | 3 | 90 | М12 | М12 | ||||
| 32 | 135 | 100 | 78 | 51 | 65 | 50 | 66 | 18 | 18 | 4 | 4 | 2 | 4 | 4 | 3 | 3 | 105 | М16 | М16 | ||||
| 40 | 145 | 110 | 88 | 61 | 75 | 60 | 76 | 18 | 18 | 4 | 4 | 3 | 4 | 4 | 3 | 3 | 110 | М16 | М16 | ||||
| 50 | 160 | 125 | 102 | 73 | 87 | 72 | 88 | 18 | 18 | 4 | 4 | 3 | 4 | 4 | 3 | 3 | 125 | М16 | М16 | ||||
| 65 | 180 | 145 | 122 | 95 | 109 | 94 | 110 | 18 | 18 | 4 | 4 | 3 | 4 | 4 | 3 | 3 | 140 | М16 | М16 | ||||
| 80 | 195 | 160 | 133 | 106 | 120 | 105 | 121 | 18 | 18 | 8 | 4 | 3 | 4 | 4 | 3 | 3 | 150 | М16 | М16 | ||||
| 100 | 215 | 180 | 158 | 129 | 149 | 128 | 150 | 18 | 18 | 8 | 8 | 3 | 4,5 | 4 | 3,5 | 3 | М16 | М16 | |||||
| 125 | 245 | 210 | 184 | 155 | 175 | 154 | 176 | 18 | 18 | 8 | 8 | 3 | 4,5 | 4 | 3,5 | 3 | М16 | М16 | |||||
| 150 | 280 | 240 | 212 | 183 | 203 | 182 | 204 | 22 | 22 | 8 | 8 | 3 | 4,5 | 4 | 3,5 | 3 | М20 | М20 | |||||
| -175 | 310 | 270 | 242 | 213 | 233 | 212 | 234 | 22 | 22 | 8 | 8 | 3 | 4,5 | 4 | 3,5 | 3 | М20 | М20 | |||||
| 200 | 335 | 295 | 268 | 239 | 259 | 238 | 260 | 22 | 22 | 12 | 12 | 3 | 4,5 | 4 | 3,5 | 3 | М20 | М20 | |||||
| -225 | 365 | 325 | 295 | 266 | 286 | 265 | 287 | 22 | 22 | 12 | 12 | 3 | 4,5 | 4 | 3,5 | 3 | М20 | М20 | |||||
| 250 | 405 | 355 | 320 | 292 | 312 | 291 | 313 | 26 | 26 | 12 | 12 | 3 | 4,5 | 4 | 3,5 | 3 | М24 | М24 | |||||
| 300 | 460 | 410 | 370 | 343 | 363 | 342 | 364 | 26 | 26 | 12 | 12 | 4 | 4,5 | 5 | 3,5 | 4 | М24 | М24 | |||||
| 350 | 520 | 470 | 430 | 395 | 421 | 394 | 422 | 26 | 26 | 16 | 16 | 4 | 5 | 5 | 4 | 4 | М24 | М24 | |||||
| 400 | 580 | 525 | 482 | 447 | 473 | 446 | 474 | 30 | 30 | 16 | 16 | 4 | 5 | 5 | 4 | 4 | М27 | М27 | |||||
| -450 | 640 | 585 | 532 | 497 | 523 | 496 | 524 | 30 | 30 | 20 | 20 | 4 | 5 | 5 | 4 | 4 | М27 | М27 | |||||
| 500 | 710 | 650 | 585 | 549 | 575 | 548 | 576 | 33 | 33 | 20 | 20 | 4 | 5 | 5 | 4 | 4 | М30 | М30 | |||||
| 600 | 840 | 770 | 685 | 649 | 651 | 675 | 677 | 648 | 650 | 676 | 678 | 36 | 39 | 20 | 20 | 5 | 6 | 4 | 5 | М33 | М36 | ||
| -700 | 910 | 840 | 800 | 751 | 751 | 777 | 777 | 750 | 750 | 778 | 778 | 36 | 39 | 24 | 24 | 5 | 6 | 4 | 5 | М33 | М36 | ||
| 800 | 1020 | 950 | 905 | 856 | 851 | 882 | 877 | 855 | 850 | 883 | 878 | 39 | 39 | 24 | 24 | 5 | 5 | 6 | 4 | 5 | М36 | М36 | |
| -900 | 1120 | 1050 | 1005 | 39 | 39 | 28 | 28 | 5 | М36 | М36 | |||||||||||||
| 1000 | 1255 | 1170 | 1110 | 42 | 45 | 28 | 28 | 5 | М39 | М42 | |||||||||||||
| 1200 | 1485 | 1380 | 1330 | 48 | 52 | 32 | 32 | 5 | М45 | М48 | |||||||||||||
| 1400 | 1685 | 1590 | 1530 | 48 | 52 | 36 | 36 | 5 | М45 | М48 | |||||||||||||
| 1600 | 1925 | 1820 | 1750 | 56 | 56 | 40 | 40 | 5 | М52 | М52 | |||||||||||||
Таблица размеров Py 2,5 Мпа (25 кгс/см2) Размеры в мм
|
Проход условн ый, Dy
|
D
|
D1
|
D2
|
D3 | D4 | D5 | D6 | d |
n
|
h
|
h1 | h2 |
B
|
Номинальный диаметр болтов или шпилек | ||||||||
| ряд1 | ряд2 | ряд1 | ряд2 | ряд1 | ряд2 | ряд1 | ряд2 | ряд1 | ряд2 | ряд1 | ряд2 | ряд1 | ряд2 | ряд1 | ряд2 | |||||||
| 10 | 90 | 60 | 42 | 24 | 34 | 23 | 35 | 14 | 14 | 4 | 2 | 4 | 4 | 3 | 3 | 70 | М12 | М12 | ||||
| 15 | 95 | 65 | 47 | 29 | 39 | 28 | 40 | 14 | 14 | 4 | 2 | 4 | 4 | 3 | 3 | 75 | М12 | М12 | ||||
| 20 | 105 | 75 | 58 | 36 | 50 | 35 | 51 | 14 | 14 | 4 | 2 | 4 | 4 | 3 | 3 | 80 | М12 | М12 | ||||
| 25 | 115 | 85 | 68 | 43 | 57 | 42 | 58 | 14 | 14 | 4 | 2 | 4 | 4 | 3 | 3 | 90 | М12 | М12 | ||||
| 32 | 135 | 100 | 78 | 51 | 65 | 50 | 66 | 18 | 18 | 4 | 2 | 4 | 4 | 3 | 3 | 105 | М16 | М16 | ||||
| 40 | 145 | 110 | 88 | 61 | 75 | 60 | 76 | 18 | 18 | 4 | 3 | 4 | 4 | 3 | 3 | 110 | М16 | М16 | ||||
| 50 | 160 | 125 | 102 | 73 | 87 | 72 | 88 | 18 | 18 | 4 | 3 | 4 | 4 | 3 | 3 | 125 | М16 | М16 | ||||
| 65 | 180 | 145 | 122 | 95 | 109 | 94 | 110 | 18 | 18 | 8 | 3 | 4 | 4 | 3 | 3 | М16 | М16 | |||||
| 80 | 195 | 160 | 133 | 106 | 120 | 105 | 121 | 18 | 18 | 8 | 3 | 4 | 4 | 3 | 3 | М16 | М16 | |||||
| 100 | 230 | 190 | 158 | 129 | 149 | 128 | 150 | 22 | 22 | 8 | 3 | 4,5 | 4 | 3,5 | 3 | М20 | М20 | |||||
| 125 | 270 | 220 | 184 | 155 | 175 | 154 | 176 | 26 | 26 | 8 | 3 | 4,5 | 4 | 3,5 | 3 | М24 | М24 | |||||
| 150 | 300 | 250 | 212 | 183 | 203 | 182 | 204 | 26 | 26 | 8 | 3 | 4,5 | 4 | 3,5 | 3 | М24 | М24 | |||||
| -175 | 330 | 280 | 242 | 213 | 233 | 212 | 234 | 26 | 26 | 12 | 3 | 4,5 | 4 | 3,5 | 3 | М24 | М24 | |||||
| 200 | 360 | 310 | 278 | 239 | 259 | 238 | 260 | 26 | 26 | 12 | 3 | 4,5 | 4 | 3,5 | 3 | М27 | М27 | |||||
| -225 | 395 | 340 | 305 | 266 | 286 | 265 | 287 | 30 | 30 | 12 | 3 | 4,5 | 4 | 3,5 | 3 | М27 | М27 | |||||
| 250 | 425 | 370 | 335 | 292 | 312 | 291 | 313 | 30 | 30 | 12 | 3 | 4,5 | 4 | 3,5 | 3 | М27 | М27 | |||||
| 300 | 485 | 430 | 390 | 343 | 363 | 342 | 364 | 30 | 30 | 16 | 4 | 4,5 | 5 | 3,5 | 4 | М27 | М27 | |||||
| 350 | 550 | 490 | 450 | 395 | 421 | 394 | 422 | 33 | 33 | 16 | 4 | 5 | 5 | 4 | 4 | М30 | М30 | |||||
| 400 | 610 | 550 | 505 | 447 | 473 | 446 | 474 | 36 | 33 | 16 | 4 | 5 | 5 | 4 | 4 | М33 | М30 | |||||
| -450 | 660 | 600 | 555 | 497 | 523 | 496 | 524 | 36 | 33 | 20 | 4 | 5 | 5 | 4 | 4 | М33 | М30 | |||||
| 500 | 730 | 660 | 615 | 549 | 575 | 548 | 576 | 36 | 39 | 20 | 4 | 5 | 5 | 4 | 4 | М33 | М36 | |||||
| 600 | 840 | 770 | 720 | 649 | 651 | 675 | 677 | 648 | 650 | 676 | 678 | 39 | 39 | 20 | 5 | 6 | 4 | 5 | М36 | М36 | ||
| -700 | 960 | 875 | 820 | 751 | 751 | 777 | 777 | 750 | 750 | 778 | 778 | 42 | 45 | 24 | 5 | 6 | 4 | 5 | М39 | М42 | ||
| 800 | 1075 | 990 | 930 | 856 | 851 | 882 | 877 | 850 | 850 | 883 | 878 | 48 | 45 | 24 | 5 | 6 | 4 | 5 | М45 | М42 | ||
| -900 | 1185 | 1090 | 1030 | 48 | 52 | 28 | 5 | М45 | М48 | |||||||||||||
| 1000 | 1315 | 1210 | 1140 | 56 | 56 | 28 | 5 | М52 | М52 | |||||||||||||
| 1200 | 1525 | 1420 | 1350 | 56 | 56 | 32 | 5 | М52 | М52 | |||||||||||||
| 1400 | 1750 | 1640 | 1560 | 62 | 62 | 36 | 5 | М56 | М56 | |||||||||||||
Таблица размеров Рy 4,0 Мпа (40 кгс/см2) Размеры в мм
|
Проход условн ый, Dy
|
D
|
D1
|
D2
|
D3 | D4 | D5 | D6 | d |
n
|
h
|
h1 | h2 |
B
|
Номинальный диаметр болтов или шпилек | ||||||||
| ряд1 | ряд2 | ряд1 | ряд2 | ряд1 | ряд2 | ряд1 | ряд2 | ряд1 | ряд2 | ряд1 | ряд2 | ряд1 | ряд2 | ряд1 | ряд2 | |||||||
| 10 | 90 | 60 | 42 | 24 | 34 | 23 | 35 | 14 | 14 | 4 | 2 | 4 | 4 | 3 | 3 | 70 | М12 | М12 | ||||
| 15 | 95 | 65 | 47 | 29 | 39 | 28 | 40 | 14 | 14 | 4 | 2 | 4 | 4 | 3 | 3 | 75 | М12 | М12 | ||||
| 20 | 105 | 75 | 58 | 36 | 50 | 35 | 51 | 14 | 14 | 4 | 2 | 4 | 4 | 3 | 3 | 80 | М12 | М12 | ||||
| 25 | 115 | 85 | 68 | 43 | 57 | 42 | 58 | 14 | 14 | 4 | 2 | 4 | 4 | 3 | 3 | 90 | М12 | М12 | ||||
| 32 | 135 | 100 | 78 | 51 | 65 | 50 | 66 | 18 | 18 | 4 | 2 | 4 | 4 | 3 | 3 | 105 | М16 | М16 | ||||
| 40 | 145 | 110 | 88 | 61 | 75 | 60 | 76 | 18 | 18 | 4 | 3 | 4 | 4 | 3 | 3 | 110 | М16 | М16 | ||||
| 50 | 160 | 125 | 102 | 73 | 87 | 72 | 88 | 18 | 18 | 4 | 3 | 4 | 4 | 3 | 3 | 125 | М16 | М16 | ||||
| 65 | 180 | 145 | 122 | 95 | 109 | 94 | 110 | 18 | 18 | 8 | 3 | 4 | 4 | 3 | 3 | — | М16 | М16 | ||||
| 80 | 195 | 160 | 133 | 106 | 120 | 105 | 121 | 18 | 18 | 8 | 3 | 4 | 4 | 3 | 3 | — | М16 | М16 | ||||
| 100 | 230 | 190 | 158 | 129 | 149 | 128 | 150 | 22 | 22 | 8 | 3 | 4,5 | 4 | 3,5 | 3 | — | М20 | М20 | ||||
| 125 | 270 | 220 | 184 | 155 | 175 | 154 | 176 | 26 | 26 | 8 | 3 | 4,5 | 4 | 3,5 | 3 | — | М24 | М24 | ||||
| 150 | 300 | 250 | 212 | 183 | 203 | 182 | 204 | 26 | 26 | 8 | 3 | 4,5 | 4 | 3,5 | 3 | — | М24 | М24 | ||||
| -175 | 350 | 295 | 242 | 213 | 233 | 212 | 234 | 30 | 30 | 12 | 3 | 4,5 | 4 | 3,5 | 3 | — | М27 | М27 | ||||
| 200 | 375 | 320 | 285 | 239 | 259 | 238 | 260 | 30 | 30 | 12 | 3 | 4,5 | 4 | 3,5 | 3 | — | М27 | М27 | ||||
| -225 | 415 | 355 | 315 | 266 | 286 | 265 | 287 | 33 | 33 | 12 | 3 | 4,5 | 4 | 3,5 | 3 | — | М30 | М30 | ||||
| 250 | 445 | 385 | 345 | 292 | 312 | 291 | 313 | 33 | 33 | 12 | 3 | 4,5 | 4 | 3,5 | 3 | — | М30 | М30 | ||||
| 300 | 510 | 450 | 410 | 343 | 363 | 342 | 364 | 33 | 33 | 16 | 4 | 4,5 | 5 | 3,5 | 4 | — | М30 | М30 | ||||
| 350 | 570 | 510 | 465 | 395 | 421 | 394 | 422 | 36 | 33 | 16 | 4 | 5 | 5 | 4 | 4 | — | МЗЗ | М30 | ||||
| 400 | 655 | 585 | 535 | 447 | 473 | 446 | 474 | 39 | 39 | 16 | 4 | 5 | 5 | 4 | 4 | — | М36 | М36 | ||||
| -450 | 680 | 610 | 560 | 497 | 523 | 496 | 524 | 39 | 39 | 20 | 4 | 5 | 5 | 4 | 4 | — | М36 | М36 | ||||
| 500 | 755 | 670 | 615 | 549 | 575 | 548 | 576 | 42 | 45 | 20 | 4 | 5 | 5 | 4 | 4 | — | М39 | М42 | ||||
| 600 | 890 | 795 | 735 | 649 | 651 | 675 | 677 | 648 | 650 | 676 | 678 | 5 | 52 | 4 | 5 | 5 | 6 | 4 | 5 | — | М45 | М48 |
| -700 | 995 | 900 | 840 | 751 | 751 | 777 | 777 | 750 | 750 | 778 | 778 | 48 | 52 | 4 | 5 | 5 | 6 | 4 | 5 | — | М45 | М48 |
| 800 | 1135 | 1030 | 960 | 856 | 851 | 882 | 877 | 855 | 850 | 883 | 878 | 56 | 56 | 4 | 5 | 5 | 6 | 4 | 5 | — | М52 | М52 |
| -900 | 1250 | 1140 | 1070 | — | — | — | — | 56 | 56 | 28 | 5 | — | — | — | — | — | М52 | М52 | ||||
| 1000 | 1360 | 1250 | 1180 | — | — | — | — | 56 | 56 | 28 | 5 | — | — | — | — | — | — | — | — | — | М52 | М52 |
| 1200 1 | 1460 | 1380 | — | — | — | — | 62 | 62 | 32 | 5 | — | — | — | — | — | — | — | — | — | М56 | М56 | |
Таблица размеров Py 6,3 МПа (63 кгс/см2) Размеры в мм
|
Проход условн ый, Dy
|
D
|
D1
|
D2
|
D3 | D4 | D5 | D6 |
D7
|
D8
|
D9
|
d |
n
|
h
|
h1 | h2 |
h3
|
b2
|
r
|
Номинальный диаметр шпилек | |||||||||||||||||||||
| ряд1 | ряд2 | ряд1 | ряд2 | ряд1 | ряд2 | ряд1 | ряд2 | ряд1 | ряд2 | ряд1 | ряд2 | ряд1 | ряд2 | ряд1 | ряд2 | |||||||||||||||||||||||||
| 10 | 100 | 70 | 42 | 24 | 34 | 23 | 35 | 18 | 35 | 50 | 14 | 14 | 4 | 2 | 4 | 4 | 3 | 3 | 6 | 9 | 2 | М12 | М12 | |||||||||||||||||
| 15 | 105 | 75 | 47 | 29 | 39 | 28 | 40 | 24 | 55 | 14 | 14 | 4 | 2 | 4 | 4 | 3 | 3 | 6 | 9 | 2 | М12 | М12 | ||||||||||||||||||
| 20 | 125 | 90 | 58 | 36 | 50 | 35 | 51 | 30 | 45 | 58 | 18 | 18 | 4 | 2 | 4 | 4 | 3 | 3 | 6 | 9 | 2 | М16 | М16 | |||||||||||||||||
| 25 | 135 | 100 | 68 | 43 | 57 | 42 | 58 | 35 | 50 | 68 | 18 | 18 | 4 | 2 | 4 | 4 | 3 | 3 | 6 | 9 | 2 | М16 | М16 | |||||||||||||||||
| 32 | 150 | 110 | 78 | 51 | 65 | 50 | 66 | 42 | 65 | 78 | 22 | 22 | 4 | 2 | 4 | 4 | 3 | 3 | 6 | 9 | 2 | М20 | М20 | |||||||||||||||||
| 40 | 165 | 125 | 88 | 61 | 75 | 60 | 76 | 52 | 75 | 88 | 22 | 22 | 4 | 3 | 4 | 4 | 3 | 3 | 6 | 9 | 2 | М20 | М20 | |||||||||||||||||
| 50 | 175 | 135 | 102 | 73 | 87 | 72 | 88 | 63 | 85 | 102 | 22 | 22 | 4 | 3 | 4 | 4 | 3 | 3 | 8 | 12 | 4 | М20 | М20 | |||||||||||||||||
| 65 | 200 | 160 | 122 | 95 | 109 | 94 | 110 | 85 | 110 | 132 | 22 | 22 | 8 | 3 | 4 | 4 | 3 | 3 | 8 | 12 | 4 | М20 | М20 | |||||||||||||||||
| 80 | 210 | 170 | 133 | 106 | 120 | 105 | 121 | 97 | 115 | 133 | 22 | 22 | 8 | 3 | 4 | 4 | 3 | 3 | 8 | 12 | 4 | М20 | М20 | |||||||||||||||||
| 100 | 250 | 200 | 158 | 129 | 149 | 128 | 150 | 124 | 145 | 170 | 26 | 26 | 8 | 3 | 4,5 | 4 | 3,5 | 3 | 8 | 12 | 4 | М24 | М24 | |||||||||||||||||
| 125 | 295 | 240 | 184 | 155 | 175 | 154 | 176 | 153 | 175 | 205 | 30 | 30 | 8 | 3 | 4,5 | 4 | 3,5 | 3 | 8 | 12 | 4 | М27 | М27 | |||||||||||||||||
| 150 | 340 | 280 | 212 | 183 | 203 | 182 | 204 | 181 | 205 | 240 | 33 | 33 | 8 | 3 | 4,5 | 4 | 3,5 | 3 | 8 | 12 | 4 | М30 | М30 | |||||||||||||||||
| -175 | 370 | 310 | 242 | 213 | 233 | 212 | 234 | 218 | 235 | 270 | 33 | 33 | 12 | 3 | 4,5 | 4 | 3,5 | 3 | 8 | 12 | 4 | М30 | М30 | |||||||||||||||||
| 200 | 405 | 345 | 285 | 239 | 259 | 238 | 260 | 243 | 265 | 285 | 36 | 33 | 12 | 3 | 4,5 | 4 | 3,5 | 3 | 8 | 12 | 4 | МЗЗ | М30 | |||||||||||||||||
| -225 | 430 | 370 | 315 | 266 | 286 | 265 | 287 | 270 | 280 | 315 | 36 | 33 | 12 | 3 | 4,5 | 4 | 3,5 | 3 | 8 | 12 | 4 | МЗЗ | М30 | |||||||||||||||||
| 250 | 470 | 400 | 345 | 292 | 312 | 291 | 313 | 298 | 320 | 345 | 36 | 39 | 12 | 3 | 4,5 | 4 | 3,5 | 3 | 8 | 12 | 4 | МЗЗ | М36 | |||||||||||||||||
| 300 | 530 | 460 | 410 | 343 | 363 | 342 | 364 | 345 | 375 | 410 | 36 | 39 | 16 | 4 | 4,5 | 5 | 3,5 | 4 | 8 | 12 | 4 | МЗЗ | М36 | |||||||||||||||||
| 350 | 595 | 525 | 465 | 395 | 421 | 394 | 422 | 394 | 420 | 465 | 39 | 39 | 16 | 4 | 5 | 5 | 4 | 4 | 8 | 12 | 4 | М36 | М36 | |||||||||||||||||
Таблица размеров 10 МПа (100 кгс/см2) Размеры в мм
|
Прох од услов ный,
Dy |
D
|
D1
|
D2
|
D3 | D4 | D5 | D6 |
D7
|
D8
|
D9
|
d |
n
|
h
|
h1 | h2 |
h3
|
b2
|
r
|
Номиналь ный диаметр шпилек |
||||
| ряд1 | ряд2 | ряд1 | ряд2 | ряд1 | ряд2 | ряд1 | ряд2 | ||||||||||||||||
| 10 | 100 | 70 | 42 | 24 | 34 | 23 | 35 | 18 | 35 | 50 | 14 | 14 | 4 | 2 | 4 | 4 | 3 | 3 | 6,5 | 9 | 2,8 | М12 | М12 |
| 15 | 105 | 75 | 47 | 29 | 39 | 28 | 40 | 24 | 35 | 55 | 14 | 14 | 4 | 2 | 4 | 4 | 3 | 3 | 6,5 | 9 | 2,8 | М12 | М12 |
| 20 | 125 | 90 | 58 | 36 | 50 | 35 | 51 | 30 | 45 | 58 | 18 | 18 | 4 | 2 | 4 | 4 | 3 | 3 | 6,5 | 9 | 2,8 | М16 | М16 |
| 25 | 135 | 100 | 68 | 43 | 57 | 42 | 58 | 35 | 50 | 68 | 18 | 18 | 4 | 2 | 4 | 4 | 3 | 3 | 6,5 | 9 | 2,8 | М16 | М16 |
| 32 | 150 | 110 | 78 | 51 | 65 | 50 | 66 | 42 | 65 | 78 | 22 | 22 | 4 | 2 | 4 | 4 | 3 | 3 | 6,5 | 9 | 2,8 | М20 | М20 |
| 40 | 165 | 125 | 88 | 61 | 75 | 60 | 76 | 52 | 75 | 88 | 22 | 22 | 4 | 3 | 4 | 4 | 3 | 3 | 6,5 | 9 | 2,8 | М20 | М20 |
| 50 | 195 | 145 | 102 | 7.3 | 87 | 72 | 88 | 63 | 85 | 102 | 26 | 26 | 4 | 3 | 4 | 4 | 3 | 3 | 8 | 12 | 4 | М24 | М24 |
| 65 | 220 | 170 | 122 | 95 | 109 | 94 | 110 | 85 | 110 | 140 | 26 | 26 | 8 | 3 | 4 | 4 | 3 | 3 | 8 | 12 | 4 | М24 | М24 |
| 80 | 230 | 180 | 133 | 106 | 120 | 105 | 121 | 97 | 115 | 150 | 26 | 26 | 8 | 3 | 4 | 4 | 3 | 3 | 8 | 12 | 4 | М24 | М24 |
| 100 | 265 | 210 | 158 | 129 | 149 | 128 | 150 | 124 | 145 | 175 | 30 | 30 | 8 | 3 | 4,5 | 4 | 3,5 | 3 | 8 | 12 | 4 | М27 | М27 |
| 125 | 310 | 250 | 184 | 155 | 175 | 154 | 176 | 153 | 175 | 210 | 33 | 33 | 8 | 3 | 4,5 | 4 | 3,5 | 3 | 8 | 12 | 4 | М30 | М30 |
| 150 | 350 | 290 | 212 | 183 | 203 | 182 | 204 | 181 | 205 | 250 | 33 | 33 | 12 | 3 | 4,5 | 4 | 3,5 | 3 | 8 | 12 | 4 | М30 | М30 |
| -175 | 380 | 320 | 242 | 213 | 233 | 212 | 234 | 218 | 235 | 280 | 33 | 33 | 12 | 3 | 4,5 | 4 | 3,5 | 3 | 8 | 12 | 4 | М30 | М30 |
| 200 | 430 | 360 | 285 | 239 | 259 | 238 | 260 | 243 | 265 | 285 | 36 | 39 | 12 | 3 | 4,5 | 4 | 3,5 | 3 | 8 | 12 | 4 | МЗЗ | М36 |
| -225 | 470 | 400 | 315 | 266 | 286 | 265 | 287 | 270 | 280 | 315 | 39 | 39 | 12 | 3 | 4,5 | 4 | 3,5 | 3 | 8 | 12 | 4 | М36 | М36 |
| 250 | 500 | 430 | 345 | 292 | 312 | 291 | 313 | 298 | 320 | 345 | 39 | 39 | 12 | 3 | 4,5 | 4 | 3,5 | 3 | 8 | 12 | 4 | М36 | М36 |
| 300 | 585 | 500 | 410 | 343 | 363 | 342 | 364 | 345 | 375 | 410 | 42 | 45 | 16 | 4 | 4,5 | 5 | 3,5 | 4 | 8 | 12 | 4 | М39 | М42 |
| 350 | 655 | 560 | 465 | 395 | 421 | 394 | 422 | 394 | 420 | 465 | 48 | 52 | 16 | 4 | 5 | 5 | 4 | 4 | 11 | 17 | 5,8 | М45 | М48 |
| 400 | 715 | 620 | 535 | 447 | 473 | 446 | 474 | 445 | 480 | 535 | 48 | 52 | 16 | 4 | 5 | 5 | 4 | 4 | 11 | 17 | 5,8 | М45 | М48 |
Таблица размеров Py 20 МПа (200 кг/см2) Размеры в мм
| Проход условный, Dy |
D | D1 | D2 | D3 | D4 | D5 | D6 | D7 | D8 | D9 | d | n | h | h1 | h2 | h3 | b2 | r |
Номинальный диаметр шпилек
|
| 15 | 120 | 82 | 47 | 29 | 39 | 28 | 40 | 24 | 40 | 55 | 22 | 4 | 2 | 4 | 3 | 6,5 | 9 | 2,8 | М20 |
| 20 | 130 | 90 | 58 | 36 | 50 | 35 | 51 | 30 | 45 | 58 | 22 | 4 | 2 | 4 | 3 | 6,5 | 9 | 2,8 | М20 |
| 25 | 150 | 102 | 68 | 43 | 57 | 42 | 58 | 35 | 50 | 68 | 26 | 4 | 2 | 4 | 3 | 6,5 | 9 | 2,8 | М24 |
| 32 | 160 | 115 | 78 | 51 | 65 | 50 | 66 | 42 | 65 | 78 | 26 | 4 | 2 | 4 | 3 | 6,5 | 9 | 2,8 | М24 |
| 40 | 170 | 124 | 88 | 61 | 75 | 60 | 76 | 52 | 75 | 91 | 26 | 4 | 3 | 4 | 3 | 8 | 12 | 4 | М24 |
| 50 | 210 | 160 | 102 | 73 | 87 | 72 | 88 | 63 | 95 | 129 | 26 | 8 | 3 | 4 | 3 | 8 | 12 | 4 | М24 |
| 65 | 260 | 203 | 122 | 95 | 109 | 94 | 110 | 85 | 130 | 167 | 30 | 8 | 3 | 4 | 3 | 8 | 12 | 4 | М27 |
| 80 | 290 | 230 | 133 | 106 | 120 | 105 | 121 | 97 | 160 | 190 | 33 | 8 | 3 | 4 | 3 | 8 | 12 | 4 | МЗО |
| 100 | 360 | 292 | 158 | 129 | 149 | 128 | 150 | 124 | 190 | 245 | 39 | 8 | 3 | 4,5 | 3,5 | 8 | 12 | 4 | М36 |
| 125 | 385 | 318 | 184 | 155 | 175 | 154 | 176 | 153 | 205 | 271 | 39 | 12 | 3 | 4,5 | 3,5 | 10 | 14 | 4,2 | М36 |
| 150 | 440 | 360 | 212 | 183 | 203 | 182 | 204 | 181 | 240 | 306 | 45 | 12 | 3 | 4,5 | 3,5 | 11 | 17 | 5,8 | М42 |
| -175 | 475 | 394 | 242 | 213 | 233 | 212 | 234 | 218 | 275 | 340 | 45 | 12 | 3 | 4,5 | 3,5 | 11 | 17 | 5,8 | М42 |
| 200 | 535 | 440 | 285 | 239 | 259 | 238 | 260 | 243 | 305 | 380 | 52 | 12 | 3 | 4,5 | 3,5 | 11 | 17 | 5,8 | М48 |
| -225 | 580 | 483 | 315 | 266 | 286 | 265 | 287 | — | — | — | 56 | 12 | 3 | 4,5 | 3,5 | 11 | 17 | 5,8 | М52 |
| 250 | 670 | 572 | 345 | 292 | 312 | 291 | 313 | — | — | — | 56 | 16 | 3 | 4,5 | 3,5 | 11 | 17 | 5,8 | М52 |
Размеры фланцев ГОСТ 12820-80
Фланцы, изготовленные по ГОСТ 12820‑80, характеризуются следующими уникальными особенностями размеров:
-
Параметрическая серия условных проходов:
Диапазон условного диаметра (Du) определяется фиксированным рядом значений (от 10 до 2400 мм) для трубопроводов с низким рабочим давлением, что позволяет стандартизировать подбор изделий по конкретным номинальным размерам. -
Особенности монтажа на трубу:
Внутренний диаметр фланца специально увеличен относительно наружного диаметра трубы, чтобы обеспечить возможность надевания фланца до сварки, что приводит к характерной геометрии сварного шва и повышенной герметичности соединения. -
Единое соотношение основных габаритов:
Стандарт строго регламентирует взаимосвязь между наружным диаметром (D), межосевым расстоянием крепёжных отверстий (D1) и диаметром прижимной поверхности (D2). Это обеспечивает точное совмещение фланцев и надежность соединения при минимальных конструктивных допусках. -
Оптимизация толщины и массы:
Толщина (b) и связанные с ней параметры (например, высота зеркала, h) подобраны так, чтобы обеспечить необходимую прочность при минимальном весе конструкции – важное условие для монтажа в ограниченных пространствах.
Эти отличительные черты размеров по ГОСТ 12820‑80 делают конструкцию плоских приварных фланцев особенно подходящей для систем с низким давлением и облегчают их подбор и взаимозаменяемость в трубопроводных соединениях.

Py 0,1 и 0,25 МПа (1 и 2,5 кгс/см2)
| Размеры, мм | ||||||
|
Проход условный Dy
|
Py 0,1 и 0,25 МПа (1 и 2,5 кгс/см2) | |||||
|
dн
|
dв
|
b
|
Масса, кг | |||
| с соединительным выступом |
с выступом | с впадиной | ||||
| 10 | 14 | 15 |
8
|
0,25 | 0,25 | 0,24 |
| 15 | 18 | 19 | 0,29 | 0,29 | 0,27 | |
| 20 | 20 | 26 |
10
|
0,45 | 0,45 | 0,42 |
| 25 | 32 | 33 | 0,55 | 0,55 | 0,52 | |
| 32 | 38 | 39 | 0,79 | 0,79 | 0,75 | |
| 40 | 45 | 46 | 0,95 | 0,93 | 0,9 | |
| 50 | 57 | 59 | 1,04 | 1,02 | 0.98 | |
| 65 | 76 | 78 |
11
|
1,39 | 1,37 | 1,32 |
| 80 | 89 | 91 | 1,84 | 1,79 | 1,74 | |
|
100
|
108 (А) | 110 | 2,14 | 2,11 | 2,01 | |
| 114 (Б) | 116 | 2,05 | 1,99 | 1,92 | ||
|
125
|
133 (А) | 135 |
13
|
2,6 | 2,56 | 2,42 |
| 140 (Б) | 142 | 2,47 | 2,38 | 2,29 | ||
|
150
|
152 (А) | 154 | 3,61 | 3,62 | 3,41 | |
| 159 (Б) | 161 | 3,43 | 3,39 | 3,23 | ||
| 168 (В) | 170 | 3,2 | 3,09 | 3 | ||
| -175 | 194 | 196 | 3,77 | 3,73 | 3,55 | |
| 200 | 219 | 222 | 15 | 4,73 | 4,69 | 4,48 |
| -225 | 245 | 245 | 17 | 5,93 | 5,95 | 5,64 |
| 250 | 273 | 273 |
18
|
6,95 | 6,92 | 6,62 |
| 300 | 325 | 325 | 9,33 | 9,22 | 8,79 | |
| 350 | 377 | 377 | 10,45 | 10,33 | 9,87 | |
| 400 | 426 | 426 | 11,64 | 11,51 | 9,96 | |
| -450 | 480 | 480 |
20
|
14,56 | 14,35 | 13,82 |
| 500 | 530 | 530 | 16,01 | 15,86 | 15,15 | |
| 600 | 630 | 630 | 21,35 | 21,03 | 20,08 | |
| -700 | 720 | 720 |
21
|
29,15 | 28,73 | 27,13 |
| 800 | 820 | 820 | 36,63 | 36,15 | 34,14 | |
| -900 | 920 | 920 | 23 | 44,2 |
-
|
-
|
| 1000 | 1020 | 1020 |
25
|
52,58 | ||
| 1200 | 1220 | 1220 | 62,36 | |||
| 1400 | 1420 | 1420 |
27
|
77,6 | ||
| 1600 | 1620 | 1620 | 94,3 | |||
| -1800 | 1820 | 1820 | 30 | 116,6 | ||
| 2000 | 2020 | 2020 | 132,98 | |||
| -2200 | 2220 | 2220 | 36 | 190,3 | ||
| 2400 | 2420 | 2420 | 41 | 237,22 | ||
Py 0,6 МПа (6 кгс/см2)
| Размеры, мм | ||||||
|
Проход условный Dy
|
Py 0,6 МПа (6 кгс/см2) | |||||
|
dн
|
dв
|
b
|
Масса, кг | |||
| с соединительным выступом |
с выступом | с впадиной | ||||
| 10 | 14 | 15 |
10
|
0,31 | 0,31 | 0,3 |
| 15 | 18 | 19 | 0,33 | 0,33 | 0,32 | |
| 20 | 25 | 26 |
12
|
0,53 | 0,53 | 0,51 |
| 25 | 32 | 33 | 0,64 | 0,64 | 0,62 | |
| 32 | 38 | 39 |
13
|
1,01 | 1,02 | 0,98 |
| 40 | 45 | 46 | 1,21 | 1,19 | 1,16 | |
| 50 | 57 | 59 | 1,33 | 1,3 | 1,27 | |
| 65 | 76 | 78 | 1,63 | 1,6 | 1,55 | |
| 80 | 89 | 91 |
15
|
2,44 | 2,4 | 2,35 |
|
100
|
108 (А) | 110 | 2,85 | 2,81 | 2,72 | |
| 114 (Б) | 116 | 2,73 | 2,66 | 2,6 | ||
|
125
|
133 (А) | 135 |
17
|
3,88 | 3,84 | 3,7 |
| 140 (Б) | 142 | 3,68 | 3,59 | 3,5 | ||
|
150
|
152 (А) | 154 | 4,63 | 4,65 | 4,43 | |
| 159 (Б) | 161 | 4,39 | 4,36 | 4,19 | ||
| 168 (В) | 170 | 4,09 | 3,98 | 3,89 | ||
| -175 | 194 | 196 |
19
|
5,36 | 5,33 | 5,14 |
| 200 | 219 | 222 | 5,89 | 5,86 | 5,65 | |
| -225 | 245 | 245 | 6,6 | 6,6 | 6,29 | |
| 250 | 273 | 273 |
20
|
7,67 | 7,64 | 7,34 |
| 300 | 325 | 325 | 10,28 | 10,18 | 9,74 | |
| 350 | 377 | 377 | 22 | 12,58 | 12,45 | 12 |
| 400 | 426 | 426 |
24
|
15,2 | 15,07 | 14,53 |
| -450 | 480 | 480 | 17,25 | 17,04 | 16,52 | |
| 500 | 530 | 530 |
25
|
19,72 | 19,57 | 18,86 |
| 600 | 630 | 630 | 26,24 | 25,91 | 24,96 | |
| -700 | 720 | 720 |
27
|
36,68 | 36,27 | 35,28 |
| 800 | 820 | 820 | 46,14 | 45,66 | 43,65 | |
| -900 | 920 | 920 | 29 | 55,1 |
-
|
-
|
| 1000 | 1020 | 1020 | 31 | 64,36 | ||
| 1200 | 1220 | 1220 | 34 | 99,03 | ||
| 1400 | 1420 | 1420 | 43 | 161,45 | ||
| 1600 | 1620 | 1620 | 48 | 203,05 | ||
Py 1,0 МПа (10 кгс/см2)
| Размеры, мм | ||||||
|
Проход условный Dy
|
Py 1,0 МПа (10 кгс/см2) | |||||
|
dн
|
dв
|
b
|
Масса, кг | |||
| с соединительным выступом |
с выступом | с впадиной | ||||
| 10 | 14 | 15 |
10
|
0,46 | 0,46 | 0,44 |
| 15 | 18 | 19 | 0,51 | 0,51 | 0,49 | |
| 20 | 25 | 26 |
12
|
0,74 | 0,75 | 0,71 |
| 25 | 32 | 33 | 0,89 | 0,89 | 0,84 | |
| 32 | 38 | 39 | 14 | 1,4 | 1,39 | 1,34 |
| 40 | 45 | 46 |
15
|
1,71 | 1,72 | 1,67 |
| 50 | 57 | 59 | 2,06 | 2,03 | 1,99 | |
| 65 | 76 | 78 |
17
|
2,8 | 2,77 | 2,69 |
| 80 | 89 | 91 | 3,19 | 3,13 | 3,08 | |
|
100
|
108 (А) | 110 |
19
|
3,96 | 3,94 | 3,76 |
| 114 (Б) | 116 | 3,81 | 3,76 | 3,61 | ||
|
125
|
133 (А) | 135 |
21
|
5,4 | 5,38 | 5,18 |
| 140 (Б) | 142 | 5,15 | 5,08 | 4,93 | ||
|
150
|
152 (А) | 154 | 6,92 | 6,97 | 6,62 | |
| 159 (Б) | 161 | 6,62 | 6,62 | 6,33 | ||
| 168 (В) | 170 | 6,24 | 6,17 | 5,95 | ||
| -175 | 194 | 196 | 7,32 | 7,31 | 7,02 | |
| 200 | 219 | 222 | 8,05 | 8,04 | 7,71 | |
| -225 | 245 | 245 | 9,3 | 9,3 | 9,05 | |
| 250 | 273 | 273 | 23 | 10,65 | 10,66 | 10,22 |
| 300 | 325 | 325 |
24
|
12.90 | 12,89 | 12,21 |
| 350 | 377 | 377 | 15,85 | 15,79 | 14,96 | |
| 400 | 426 | 426 |
26
|
21,56 | 21,51 | 20,49 |
| -450 | 480 | 480 | 22,76 | 22,68 | 21,67 | |
| 500 | 530 | 530 | 28 | 22,7 | 28,02 | 26,86 |
| 600 | 630 | 630 | 31 | 39,4 | 39,26 | 37,48 |
| -700 | 720 | 720 | 34 | 59,46 | 58,58 | 56,45 |
| 800 | 820 | 820 | 37 | 79,16 | 77,89 | 76,08 |
| -900 | 920 | 920 | 40 | 94,13 |
-
|
-
|
| 1000 | 1020 | 1020 | 43 | 118,43 | ||
| 1200 | 1220 | 1222 | 51 | 197,44 | ||
| 1400 | 1420 | 1420 | 60 | 278,92 | ||
| 1600 | 1620 | 1620 | 70 | 422,65 | ||
Py 1,6 МПа (16 кгс/см2)
| Размеры, мм | ||||||
|
Проход условный Dy
|
Py 1,6 МПа (16 кгс/см2) | |||||
|
dн
|
dв
|
b
|
Масса, кг | |||
| с соединительным выступом |
с выступом | с впадиной | ||||
| 10 | 14 | 15 |
12
|
0,54 | 0,54 | 0,53 |
| 15 | 18 | 19 | 0,61 | 0,61 | 0,58 | |
| 20 | 25 | 26 | 14 | 0,86 | 0,86 | 0,83 |
| 25 | 32 | 33 |
16
|
1,17 | 1,17 | 1,13 |
| 32 | 38 | 39 | 1,58 | 1,58 | 1,53 | |
| 40 | 45 | 46 | 17 | 1,96 | 1,93 | 1,89 |
| 50 | 57 | 59 | 19 | 2,58 | 2,54 | 2,5 |
| 65 | 76 | 78 |
21
|
3,42 | 3,38 | 3,3 |
| 80 | 89 | 91 | 3,71 | 3,71 | 3,7 | |
|
100
|
108 (А) | 110 |
23
|
4,73 | 4,72 | 4,53 |
| 114 (Б) | 116 | 4,55 | 4,51 | 4,35 | ||
|
125
|
133 (А) | 135 |
25
|
6,38 | 6,38 | 6,15 |
| 140 (Б) | 142 | 6,08 | 6,03 | 5,85 | ||
|
150
|
152 (А) | 154 | 8,16 | 8,21 | 7,87 | |
| 159 (Б) | 161 | 7,81 | 7,81 | 7,52 | ||
| 168 (В) | 170 | 7,36 | 7,29 | 7,07 | ||
| -175 | 194 | 196 | 8,64 | 8,63 | 8,34 | |
| 200 | 219 | 222 |
27
|
10,1 | 10,21 | 9,88 |
| -225 | 245 | 245 | 11,7 | 12,08 | 11,66 | |
| 250 | 273 | 273 | 28 | 14,49 | 14,48 | 14,06 |
| 300 | 325 | 325 | 17,78 | 17,59 | 17,12 | |
| 350 | 377 | 377 | 30 | 22,88 | 22,65 | 21,99 |
| 400 | 426 | 426 | 34 | 31 | 30,76 | 29,94 |
| -450 | 480 | 480 | 38 | 39,64 | 39,08 | 38,55 |
| 500 | 530 | 530 | 44 | 57,01 | 56,17 | 55,74 |
| 600 | 630 | 630 | 45 | 80,03 | 79,03 | 78,8 |
| -700 | 720 | 720 | 47 | 84,21 | 84,34 | 83,06 |
| 800 | 820 | 820 | 49 | 104,41 | 103,15 | 101,34 |
| -900 | 920 | 920 | 54 | 128,6 |
-
|
-
|
| 1000 | 1020 | 1020 | 58 | 179,37 | ||
| 1200 | 1220 | 1220 | 71 | 297,78 | ||
Py 2,5 МПа (25 кгс/см2)
| Размеры, мм | ||||||
|
Проход условный Dy
|
Py 2,5 МПа (25 кгс/см2) | |||||
|
dн
|
dв
|
b
|
Масса, кг | |||
| с соединительным выступом |
с выступом | с впадиной | ||||
| 10 | 14 | 15 |
14
|
0,63 | 0,64 | 0,61 |
| 15 | 18 | 19 | 0,7 | 0,71 | 0,68 | |
| 20 | 25 | 26 |
16
|
0,98 | 0,97 | 0,94 |
| 25 | 32 | 33 | 1,17 | 1,17 | 1,13 | |
| 32 | 38 | 39 | 18 | 1,77 | 1,76 | 1,72 |
| 40 | 45 | 46 | 19 | 2,18 | 2,15 | 2,11 |
| 50 | 57 | 59 |
21
|
2,71 | 2,8 | 2,76 |
| 65 | 76 | 78 | 3,22 | 3,21 | 3,14 | |
| 80 | 89 | 91 | 23 | 4,06 | 4 | 3,95 |
|
100
|
108 (А) | 110 |
25
|
5,92 | 5,89 | 5,72 |
| 114 (Б) | 116 | 5,72 | 5,66 | 5,52 | ||
|
125
|
133 (А) | 135 |
27
|
8,26 | 8,25 | 8,23 |
| 140 (Б) | 142 | 7,94 | 8,07 | 7,91 | ||
|
150
|
152 (А) | 154 | 10,51 | 10,5 | 10,22 | |
| 159 (Б) | 161 | 10,12 | 10,07 | 9,83 | ||
| 168 (В) | 170 | 9,63 | 9,51 | 9,34 | ||
| -175 | 194 | 196 |
29
|
11,49 | 11,43 | 11,19 |
| 200 | 219 | 222 | 13,34 | 13,24 | 13,01 | |
| -225 | 245 | 245 |
31
|
16,93 | 16,82 | 16,52 |
| 250 | 273 | 273 | 18,9 | 18,78 | 18,52 | |
| 300 | 325 | 325 | 32 | 23,95 | 23,53 | 23,29 |
| 350 | 377 | 377 | 38 | 34,35 | 34,57 | 34,18 |
| 400 | 426 | 426 | 40 | 44,62 | 44,01 | 43,56 |
| -450 | 480 | 480 | 44 | 51,8 | 51,1 | 50,71 |
| 500 | 530 | 530 | 48 | 67,3 | 66,63 | 66,36 |
| 600 | 630 | 630 | 49 | 90,87 | 89,13 | 88,91 |
| -700 | 720 | 720 | 55 | 126,82 | 124,92 | 124,11 |
| 800 | 820 | 820 | 63 | 181,43 | 174,52 | 174,15 |
Размеры фланцев ГОСТ 12821‑80
Фланцы по ГОСТ 12821‑80, предназначенные для сосудов и аппаратов, имеют ряд уникальных размерных особенностей:
• Увеличенный внутренний диаметр:
Перед сваркой фланец надевается на трубу, поэтому центральное (рабочее) отверстие немного превышает наружный диаметр соединяемой трубы – это позволяет обеспечить необходимый зазор для корректной сварки и последующего герметичного стыка.
• Оптимизированная геометрия для высоких давлений:
Размеры болтовой окружности (D1) и прижимной поверхности (D2) подобраны с учётом эксплуатационных условий сосудов (обычно более высоких температур и давлений), что гарантирует равномерное распределение нагрузок и долговечность соединения.
• Серийность размеров, адаптированная для арматуры сосудов:
Стандарт задаёт строго определённый ряд условных проходов (Du) и соответствующих наружных габаритов, что обеспечивает взаимозаменяемость фланцев в конструкциях аппаратов и сосудов – отличительная черта по сравнению с фланцами для трубопроводов (ГОСТ 12820‑80).
Эти особенности отражают специфику применения фланцев в оборудовании, где важна не только герметичность, но и устойчивость к высоким температурным и давленческим воздействиям.
Py 0,1 и 0,25 МПа (1 и 2,5 кгс/см2)
|
Проход
условный Dy |
Py 0,1 и 0,25 МПа (1 и 2,5 кгс/см2) | |||||||||
|
d1
|
b
|
h4
|
Dm
|
Dn
|
Масса, кг | |||||
| с соединительным выступом | с выступом | с впадиной | с шипом | с пазом | ||||||
| 10 | 8 |
8
|
23 | 22 | 15 | 0,29 | 0,28 | 0,27 | 0,28 | 0,28 |
| 15 | 12 | 26 | 28 | 19 | 0,34 | 0,34 | 0,32 | 0,34 | 0,33 | |
| 20 | 18 |
28
|
36 | 26 | 0,46 | 0,45 | 0,41 | 0,44 | 0,44 | |
| 25 | 25 | 42 | 33 | 0,55 | 0,55 | 0,5 | 0,54 | 0,53 | ||
| 32 | 31 | 50 | 39 | 0,78 | 0,78 | 0,72 | 0,76 | 0,77 | ||
| 40 | 38 |
9
|
33
|
60 | 46 | 1,09 | 1,04 | 1,02 | 1,03 | 1,04 |
| 50 | 49 | 70 | 58 | 1,26 | 1,21 | 1,14 | 1,18 | 1,21 | ||
| 65 | 66 | 88 | 77 | 1,62 | 1,57 | 1,46 | 1,53 | 1,55 | ||
| 80 | 78 |
11
|
35 | 102 | 90 | 2,43 | 2,3 | 2,26 | 2,29 | 2,3 |
| 100 | 96 |
37
|
122 | 110 | 2,98 | 2,7 | 2,65 | 2,67 | 2,71 | |
| 125 | 121 | 148 | 135 | 3,72 | 3,65 | 3,41 | 3,52 | 3,57 | ||
| 150 | 146 | 38 | 172 | 161 | 4,3 | 5,22 | 3,95 | 4,04 | 4,13 | |
| -175 | 177 |
13
|
43 | 210 | 196 | 6,15 | 6 | 5,64 | 5,8 | 5,86 |
| 200 | 202 |
45
|
235 | 222 | 6,92 | 6,75 | 6,33 | 6,55 | 6,63 | |
| -225 | 226 | 15 | 260 | 248 | 8,49 | 8,3 | 7,76 | 8,18 | 8,09 | |
| 250 | 254 |
16
|
288 | 278 | 9,88 | 9,61 | 9,18 | 9,32 | 9,43 | |
| 300 | 303 | 340 | 330 | 13,38 | 13,35 | 12,35 | 11,59 | 12,67 | ||
| 350 | 351 | 390 | 382 | 15,97 | 15,93 | 14,9 | 14,63 | 15 | ||
| 400 | 398 | 440 | 432 | 18,56 | 18,53 | 17,3 | 16,84 | 17,33 | ||
| -450 | 450 |
50
|
494 | 484 | 23,63 | 23,7 | 22,35 | 20,22 | 20,94 | |
| 500 | 501 |
19
|
545 | 535 | 26,76 | 26,6 | 25 | 23,11 | 23,76 | |
| 600 | 602 |
55
|
650 | 636 | 35,79 | 35,7 | 33 | 32,9 | 33,37 | |
| -700 | 692 | 740 | 726 | 44,3 | 44,1 | 41 | 40,34 | 41,6 | ||
| 800 | 792 |
60
|
844 | 826 | 46,15 | 55,5 | 52,2 | 51,49 | 52,6 | |
| -900 | 892 |
21
|
944 | 926 | 66,35 |
-
|
-
|
-
|
-
|
|
| 1000 | 992 | 1044 | 1028 | 73,44 | ||||||
| 1200 | 1192 |
23
|
65
|
1244 | 1228 | 92,92 | ||||
| 1400 | 1392 | 1445 | 1428 | 101,02 | ||||||
| 1600 | 1592 | 1646 | 1628 | 135,27 | ||||||
Ру 0,6 МПа (6 кгс/см2)
|
Проход
условный Dy |
d1
|
b
|
h4
|
Dm
|
Dn
|
Масса, кг | ||||
| с соединительным выступом | с выступом | с впадиной | с шипом | с пазом | ||||||
| 10 | 8 |
10
|
27 | 22 | 15 | 0,34 | 0,34 | 0,32 | 0,34 | 0,33 |
| 15 | 12 | 28 | 28 | 19 | 0,4 | 0,4 | 0,38 | 0,4 | 0,4 | |
| 20 | 18 |
30
|
36 | 26 | 0,53 | 0,53 | 0,5 | 0,53 | 0,52 | |
| 25 | 25 |
12
|
42 | 33 | 0,76 | 0,77 | 0,72 | 0,75 | 0,75 | |
| 32 | 31 | 33 | 50 | 39 | 1,1 | 1,08 | 1,04 | 1,08 | 1,08 | |
| 40 | 38 |
35
|
60 | 46 | 1,36 | 1,37 | 1,28 | 1,3 | 1,34 | |
| 50 | 49 | 70 | 58 | 1,53 | 1,51 | 1,44 | 1,46 | 1,47 | ||
| 65 | 66 | 88 | 77 | 1,97 | 2,06 | 1,83 | 1,72 | 1,75 | ||
| 80 | 78 |
13
|
37 | 102 | 90 | 2,76 | 2,76 | 2,8 | 2,65 | 2,72 |
| 100 | 96 | 38 | 122 | 110 | 3,35 | 3,04 | 3,03 | 3,03 | 3,04 | |
| 125 | 121 |
15
|
40 | 148 | 135 | 4,66 | 4,24 | 3,66 | 4,5 | 4,55 |
| 150 | 146 | 43 | 172 | 161 | 5,37 | 5,85 | 4,93 | 5,29 | 5,35 | |
| -175 | 177 |
17
|
47 | 210 | 196 | 7,32 | 8,1 | 6,92 | 7,11 | 7,16 |
| 200 | 202 |
50
|
235 | 222 | 8,37 | 9,35 | 7,75 | 7,98 | 8,05 | |
| -225 | 226 | 260 | 248 | 9,45 | 9,25 | 8,72 | 8,98 | 9,06 | ||
| 250 | 254 |
18
|
288 | 278 | 10,99 | 10,69 | 10,14 | 12,2 | 12,3 | |
| 300 | 303 | 340 | 330 | 14,82 | 14,28 | 14,1 | 13,81 | 14,11 | ||
| 350 | 351 | 390 | 382 | 17,69 | 18,65 | 17,64 | 16,35 | 16,72 | ||
| 400 | 398 | 440 | 432 | 20,55 | 19,69 | 19,3 | 18,83 | 19,31 | ||
| -450 | 450 | 494 | 484 | 23,63 | 23,6 | 21,9 | 21,62 | 22,24 | ||
| 500 | 501 |
19
|
545 | 535 | 26,63 | 29,1 | 25,9 | 24,44 | 25,1 | |
| 600 | 602 |
55
|
650 | 636 | 35,79 | 35,6 | 33,4 | 37,49 | 33,67 | |
| -700 | 692 | 740 | 726 | 44,31 | 44,1 | 41,1 | 40,6 | 41,86 | ||
| 800 | 792 |
60
|
844 | 826 | 56,17 | 55,2 | 52,2 | 51,67 | 53,36 | |
| -900 | 892 |
21
|
944 | 926 | 66,79 |
-
|
-
|
-
|
-
|
|
| 1000 | 992 | 1044 | 1028 | 73,51 | ||||||
| 1200 | 1192 | 23 | 70 | 1248 | 1228 | 111,43 | ||||
| 1400 | 1392 | 27 | 85 | 1456 | 1428 | 156,58 | ||||
| 1600 | 1592 | 32 | 95 | 1660 | 1628 | 218,57 | ||||
Ру 1,0 МПа (10 кгс/см2)
|
Проход
условный Dy |
d1
|
b
|
h4
|
Dm
|
Dn
|
Масса, кг | ||||
| с соединительным выступом | с выступом | с впадиной | с шипом | с пазом | ||||||
| 10 | 8 |
10
|
33
|
25 | 15 | 0,5 | 0,5 | 0,48 | 0,5 | 0,49 |
| 15 | 12 | 30 | 19 | 0,58 | 0,58 | 0,54 | 0,57 | 56 | ||
| 20 | 18 |
12
|
36 | 38 | 26 | 0,87 | 0,87 | 0,81 | 0,87 | 0,83 |
| 25 | 25 | 38 | 45 | 33 | 1,05 | 1,05 | 0,98 | 1,03 | 1,02 | |
| 32 | 31 |
13
|
40 | 55 | 39 | 1,54 | 1,53 | 1,45 | 1,5 | 1,49 |
| 40 | 38 |
42
|
62 | 46 | 1,83 | 1,78 | 1,71 | 1,74 | 1,78 | |
| 50 | 49 | 76 | 58 | 2,26 | 2,23 | 2,15 | 2,15 | 2,21 | ||
| 65 | 66 |
15
|
45 | 94 | 77 | 3,17 | 3,11 | 2,92 | 3,06 | 3,14 |
| 80 | 78 | 47 | 105 | 90 | 3,67 | 3,6 | 3,46 | 3,54 | 3,65 | |
| 100 | 96 | 17 | 48 | 128 | 110 | 4,7 | 4,7 | 4,49 | 4,5 | 4,54 |
| 125 | 121 |
19
|
57
|
156 | 135 | 6,71 | 6,58 | 6,27 | 6,12 | 6,23 |
| 150 | 146 | 180 | 161 | 8,17 | 8,2 | 7,77 | 8,8 | 8,9 | ||
| -175 | 177 | 210 | 196 | 9,71 | 9,57 | 9,09 | 9,36 | 9,49 | ||
| 200 | 202 | 58 | 240 | 222 | 11,35 | 11 | 10,47 | 10,28 | 10,32 | |
| -225 | 226 |
60
|
268 | 248 | 13,24 | 13,04 | 12,4 | 12,64 | 12,83 | |
| 250 | 254 | 21 | 290 | 278 | 14,64 | 14,39 | 13,86 | 13,64 | 13,83 | |
| 300 | 303 |
22
|
345 | 330 | 18,66 | 19,3 | 17,7 | 18,52 | 18,9 | |
| 350 | 351 | 400 | 382 | 24 | 24,7 | 22,56 | 22,7 | 23 | ||
| 400 | 398 | 445 | 432 | 30 | 30,35 | 27,65 | 28 | 28,5 | ||
| -450 | 450 |
65
|
500 | 484 | 33,33 | 34,69 | 31,3 | 31,21 | 31,83 | |
| 500 | 501 |
24
|
550 | 535 | 39,2 | 40 | 37 | 36,91 | 37,6 | |
| 600 | 602 | 650 | 636 | 48,8 | 50 | 46,6 | 45,52 | 48,7 | ||
| -700 | 692 | 25 | 744 | 726 | 65,26 | 64,7 | 60,5 | 59,86 | 62,28 | |
| 800 | 792 | 27 | 75 | 850 | 826 | 87,24 | 86,1 | 80,4 | 81,25 | 84,28 |
| -900 | 892 |
29
|
80
|
950 | 926 | 103,02 |
-
|
-
|
-
|
-
|
| 1000 | 992 | 1050 | 1028 | 119,19 | ||||||
| 1200 | 1192 | 33 | 90 | 1256 | 1228 | 179,91 | ||||
Ру 1,6 МПа (16 кгс/см2)
|
Проход
условный Dy |
d1
|
b
|
h4
|
Dm
|
Dn
|
Масса, кг | ||||
| с соединительным выступом | с выступом | с впадиной | с шипом | с пазом | ||||||
| 10 | 8 |
12
|
33
|
26 | 15 | 0,59 | 0,6 | 0,58 | 0,59 | 0,58 |
| 15 | 12 | 30 | 19 | 0,68 | 0,68 | 0,65 | 0,67 | 0,66 | ||
| 20 | 18 | 36 | 28 | 26 | 0,87 | 0,87 | 0,82 | 0,85 | 0,84 | |
| 25 | 25 | 38 | 45 | 33 | 1,05 | 1,05 | 0,99 | 1,03 | 1,02 | |
| 32 | 31 |
13
|
40 | 55 | 39 | 1,54 | 1,54 | 1,48 | 1,5 | 1,5 |
| 40 | 38 | 42 | 64 | 46 | 1,85 | 1,81 | 1,77 | 1,77 | 1,81 | |
| 50 | 49 | 45 | 76 | 58 | 2,28 | 2,24 | 2,16 | 2,17 | 2,23 | |
| 65 | 66 | 15 | 47 | 94 | 77 | 3,19 | 3,17 | 3,05 | 3,06 | 3,14 |
| 80 | 78 |
17
|
50
|
110 | 90 | 4,21 | 4,15 | 4,04 | 4,06 | 4,17 |
| 100 | 96 | 130 | 110 | 4,9 | 4,8 | 4,65 | 4,72 | 4,78 | ||
| 125 | 121 |
19
|
57
|
156 | 135 | 6,75 | 6,76 | 6,47 | 6,55 | 6,66 |
| 150 | 146 | 180 | 161 | 8,3 | 8,28 | 7,88 | 7,96 | 8,08 | ||
| -175 | 177 |
21
|
210 | 196 | 10,37 | 9,79 | 9,32 | 10,05 | 10,17 | |
| 200 | 202 | 58 | 240 | 222 | 11,79 | 11,72 | 11,28 | 11,04 | 11,2 | |
| -225 | 226 |
65
|
268 | 248 | 14,12 | 14,48 | 13,55 | 13,6 | 13,7 | |
| 250 | 254 | 23 | 292 | 278 | 17,36 | 15 | 14,3 | 16,67 | 16,86 | |
| 300 | 303 | 24 | 66 | 346 | 330 | 22,76 | 22,65 | 20,83 | 21,6 | 22,1 |
| 350 | 351 | 28 | 70 | 400 | 382 | 32,04 | 32 | 29,43 | 30,6 | 33,1 |
| 400 | 398 | 32 | 75 | 450 | 432 | 43 | 42,64 | 41,1 | 41 | 41,7 |
| -450 | 450 | 34 | 85 | 506 | 484 | 54 | 53,5 | 52,2 | 51,4 | 52,4 |
| 500 | 501 | 38 |
90
|
559 | 535 | 70,97 | 70,32 | 69 | 68 | 69,9 |
| 600 | 602 | 41 | 660 | 636 | 99,3 | 97,81 | 96,73 | 94,5 | 96,6 | |
| -700 | 692 | 43 |
95
|
750 | 726 | 105,9 | 105,97 | 102 | 100,7 | 101,1 |
| 800 | 792 | 45 | 850 | 826 | 130,57 | 118,79 | 115 | 124,8 | 127,6 | |
| -900 | 892 | 47 |
110
|
958 | 926 | 157,83 |
-
|
-
|
-
|
-
|
| 1000 | 992 | 49 | 1060 | 1028 | 203,39 | |||||
| 1200 | 1192 | 51 | 125 | 1268 | 1228 | 284,94 | ||||
Ру 2,5 МПа (25 кгс/см2)
|
Проход
условный Dy |
d1
|
b
|
h4
|
Dm
|
Dn
|
Масса, кг | ||||
| с соединительным выступом | с выступом | с впадиной | с шипом | с пазом | ||||||
| 10 | 8 |
14
|
33
|
26 | 15 | 0,68 | 0,69 | 0,66 | 0,68 | 0,67 |
| 15 | 12 | 30 | 19 | 0,79 | 0,78 | 0,75 | 0,8 | 0,78 | ||
| 20 | 18 | 34 | 38 | 26 | 0,97 | 0,99 | 0,93 | 0,97 | 0,95 | |
| 25 | 25 | 36 | 45 | 33 | 1,18 | 1,19 | 1,13 | 1,16 | 1,15 | |
| 32 | 31 |
16
|
43 | 56 | 39 | 1,83 | 1,85 | 1,78 | 1,81 | 1,8 |
| 40 | 38 |
45
|
64 | 46 | 2,19 | 2,16 | 2,1 | 2,11 | 2,15 | |
| 50 | 49 | 17 | 76 | 58 | 2,78 | 2,76 | 2,47 | 2,69 | 2,75 | |
| 65 | 66 |
19
|
50 | 96 | 77 | 3,71 | 3,62 | 3,6 | 3,55 | 3,62 |
| 80 | 78 | 52 | 110 | 90 | 4,44 | 4,32 | 4,27 | 4,26 | 4,48 | |
| 100 | 96 | 21 | 58 | 132 | 110 | 6,51 | 6,58 | 6,27 | 6,41 | 6,49 |
| 125 | 121 | 23 | 65 | 160 | 135 | 9,41 | 9,45 | 9,14 | 9,27 | 9,37 |
| 150 | 146 |
25
|
68 | 186 | 161 | 12,52 | 12,56 | 11,9 | 12,01 | 12,17 |
| -175 | 177 | 70 | 216 | 196 | 13,88 | 13,94 | 13,63 | 13,65 | 13,83 | |
| 200 | 202 | 27 |
75
|
245 | 222 | 17,44 | 17,21 | 16,86 | 16,36 | 16,62 |
| -225 | 226 |
29
|
270 | 248 | 21,56 | 21,68 | 21,15 | 22,54 | 22,86 | |
| 250 | 254 | 300 | 278 | 24,4 | 24,08 | 23,27 | 25,37 | 25,74 | ||
| 300 | 303 | 32 | 80 | 352 | 330 | 33,29 | 32,4 | 31,94 | 32,42 | 33,16 |
| 350 | 351 | 36 | 85 | 406 | 382 | 46,57 | 45,6 | 44,68 | 45,4 | 46,23 |
| 400 | 398 | 40 |
100
|
464 | 432 | 64,81 | 63,58 | 62,41 | 63,48 | 64,59 |
| -450 | 450 | 42 | 515 | 484 | 72,26 | 71,6 | 70,7 | 70,8 | 71,95 | |
| 500 | 500 | 44 | 570 | 535 | 88,91 | 88,2 | 86,5 | 86,48 | 88,08 | |
| 600 | 600 | 49 | 115 | 670 | 636 | 123,7 | 122 | 105,7 | 119,5 | 122,17 |
| -700 | 690 | 53 | 125 | 766 | 726 | 166,81 | 164,02 | 162,7 | 157,53 | 160,82 |
| 800 | 790 | 55 | 135 | 874 | 826 | 213,9 | 211 | 209 | 210 | 214,68 |
| -900 | 892 | 57 | 145 | 980 | 926 | 252,91 |
-
|
-
|
-
|
-
|
| 1000 | 992 | 59 | 150 | 1084 | 1028 | 312,12 | ||||
| 1200 | 1192 | 62 | 160 | 1288 | 1228 | 387,5 | ||||
Ру 4,0 МПа (40 кгс/см2)
|
Проход
условный Dy |
d1
|
b
|
h4
|
Dm
|
Dn
|
Масса, кг | ||||
| с соединительным выступом | с выступом | с впадиной | с шипом | с пазом | ||||||
| 10 | 8 |
14
|
33
|
26 | 15 | 0,68 | 0,69 | 0,66 | 0,68 | 0,67 |
| 15 | 12 | 30 | 19 | 0,79 | 0,78 | 0,75 | 0,8 | 0,78 | ||
| 20 | 18 | 34 | 38 | 26 | 0,97 | 0,99 | 0,93 | 0,97 | 0,95 | |
| 25 | 25 | 36 | 45 | 33 | 1,18 | 1,19 | 1,13 | 1,16 | 1,15 | |
| 32 | 31 |
16
|
43 | 56 | 39 | 1,83 | 1,85 | 1,78 | 1,81 | 1,8 |
| 40 | 38 |
45
|
64 | 46 | 2,19 | 2,16 | 2,1 | 2,11 | 2,15 | |
| 50 | 48 | 17 | 76 | 58 | 2,81 | 2,79 | 2,68 | 2,72 | 2,78 | |
| 65 | 66 | 19 | 50 | 96 | 77 | 3,71 | 3,72 | 3,59 | 3,6 | 3,68 |
| 80 | 78 | 21 | 55 | 112 | 90 | 4,8 | 4,81 | 4,6 | 4,69 | 4,8 |
| 100 | 96 | 23 |
65
|
138 | 110 | 7,4 | 7,06 | 6,82 | 7,2 | 7,28 |
| 125 | 120 | 25 | 160 | 135 | 10 | 10,17 | 9,48 | 9,97 | 10,08 | |
| 150 | 145 | 27 | 68 | 186 | 161 | 13,03 | 13,2 | 12,6 | 12,86 | 13,03 |
| -175 | 177 | 33 |
85
|
226 | 196 | 20,75 | 21,26 | 21,1 | 19,7 | 20 |
| 200 | 200 | 35 | 250 | 222 | 24,44 | 24 | 23,57 | 24,2 | 24 | |
| -225 | 226 | 37 | 95 | 280 | 248 | 31,33 | 31,1 | 30,5 | 31,2 | 31,6 |
| 250 | 252 | 39 | 98 | 310 | 278 | 37,59 | 37,3 | 36,5 | 36,9 | 37,4 |
| 300 | 301 | 42 | 112 | 368 | 330 | 57,1 | 50,6 | 50,3 | 51,1 | 52,2 |
| 350 | 351 | 48 | 116 | 418 | 382 | 70,34 | 69,6 | 68 | 68,1 | 68,8 |
| 400 | 398 | 54 |
135
|
480 | 432 | 106,76 | 105,5 | 105 | 103,8 | 106 |
| -450 | 448 | 56 | 530 | 484 | 107 | 106 | 104,8 | 103,8 | 105 | |
| 500 | 495 | 58 |
140
|
580 | 535 | 132,33 | 128 | 126 | 128 | 130 |
| 600 | 595 | 58 | 686 | 636 | 180,95 | 195,08 | 165,78 | 182,02 | 179,81 | |
| -700 | 695 | 63 | 160 | 790 | 726 | 228,25 | 246,86 | 209,59 | 229,47 | 226,93 |
| 800 | 795 | 71 | 190 | 908 | 826 | 343,69 | 367,4 | 319,93 | 345,08 | 342,2 |
| -900 | 895 | 74 | 215 | 1024 | 926 | 436,54 |
-
|
-
|
-
|
-
|
| 1000 | 995 | 77 | 235 | 1140 | 1028 | 540,75 | ||||
| 1200 | 1195 | 80 | 250 | 1350 | 1228 | 690,59 | ||||
Ру 6,3 МПа (63 кгс/см2)
|
Проход
условный Dy |
d1
|
b
|
h4
|
Dm
|
Dn
|
Масса, кг | ||||||
| с соединительным выступом |
с выступом | с впадиной | с шипом |
с пазом |
под прокладку овального сечения |
под линзовую прокладку
|
||||||
| 10 | 8 |
16
|
46
|
34 | 15 | 1,03 | 1,02 | 0,98 | 0,99 | 0,99 | 0,99 | 1,03 |
| 15 | 12 | 38 | 19 | 1,15 | 1,14 | 1,11 | 1,12 | 1,13 | 1,11 | 1,15 | ||
| 20 | 18 | 18 | 54 | 48 | 26 | 1,8 | 1,81 | 1,76 | 1,78 | 1,8 | 1,75 | 1,8 |
| 25 | 25 | 20 | 56 | 52 | 33 | 2,3 | 2,28 | 2,22 | 2,26 | 2,27 | 2,25 | 2,3 |
| 32 | 31 |
21
|
60 | 64 | 39 | 2,94 | 2,94 | 2,88 | 2,91 | 2,92 | 2,87 | 2,94 |
| 40 | 37 | 65 | 74 | 46 | 3,75 | 3,71 | 3,67 | 3,67 | 3,74 | 3,67 | 3,75 | |
| 50 | 47 | 23 | 67 | 86 | 58 | 4,63 | 4,59 | 4,5 | 4,51 | 4,6 | 4,5 | 4,63 |
| 65 | 64 | 25 |
72
|
106 | 77 | 6,29 | 6,16 | 6,05 | 6,06 | 6,19 | 6,09 | 6,26 |
| 80 | 77 | 27 | 120 | 90 | 7,22 | 7,17 | 7 | 7,05 | 7,18 | 6,87 | 7,05 | |
| 100 | 94 | 29 | 77 | 140 | 110 | 10,71 | 10,7 | 10,5 | 10,53 | 10,67 | 10,48 | 10,71 |
| 125 | 118 | 33 | 95 | 172 | 135 | 17,13 | 16,94 | 16,6 | 16,66 | 16,91 | 16,67 | 16,98 |
| 150 | 142 | 35 |
105
|
206 | 161 | 24,6 | 25,4 | 24,1 | 24,06 | 24,44 | 24,18 | 24,6 |
| -175 | 174 | 39 | 232 | 196 | 28,61 | 30,1 | 28,2 | 27 | 27 | 27,9 | 28,27 | |
| 200 | 198 | 41 | 110 | 264 | 222 | 36,6 | 38,5 | 36,11 | 35,74 | 36,27 | 36,03 | 36,45 |
| -225 | 222 | 43 |
115
|
290 | 248 | 42,54 | 45 | 41,6 | 41,42 | 42 | 41,83 | 42,27 |
| 250 | 246 | 45 | 316 | 278 | 50,89 | 53,8 | 50,3 | 49,45 | 50,16 | 50,08 | 50,58 | |
| 300 | 294 | 50 | 120 | 370 | 330 | 68,15 | 74,6 | 68,3 | 65,04 | 62,52 | 67 | 67,59 |
| 350 | 342 | 56 | 140 | 430 | 382 | 98,68 | 106 | 98,5 | 94,71 | 96,27 | 96,42 | 97,08 |
| 400 | 386 | 62 | 155 | 484 | 432 | 135,8 | 151 | 137 | 128,9 | 130,85 | 134,93 | 135,7 |
| 500 | 485 | 66 | 165 | 594 | 535 | 192,74 | 200,89 | 184,56 | 193,46 | 191,96 |
-
|
-
|
| 600 | 585 | 71 | 180 | 704 | 636 | 269,27 | 283,4 | 255,1 | 270,34 | 268,12 | ||
| -700 | 685 | 76 |
225
|
820 | 726 | 300,86 |
-
|
-
|
-
|
-
|
||
| 800 | 785 | 85 | 920 | 826 | 463,87 | |||||||
| -900 | 885 | 88 | 265 | 1050 | 926 | 954,41 | ||||||
| 1000 | 985 | 92 | 280 | 1160 | 1028 | 980,6 | ||||||
| 1200 | 1185 | 95 | 315 | 1386 | 1228 | 1263,72 | ||||||
Ру 10,0 МПа (100 кгс/см2)
|
Проход
условный Dy |
d1
|
b
|
h4
|
Dm
|
Dn
|
Масса, кг | |||||
| с выступом | с впадиной | с шипом | с пазом | под прокладку овального сечения |
под линзовую прокладку | ||||||
| 10 | 8 | 16 | 43 | 34 | 15 | 1,02 | 0,99 | 1,01 | 1,02 | 0,99 | 1,03 |
| 15 | 12 | 18 | 46 | 38 | 19 | 1,26 | 1,23 | 1,24 | 1,25 | 1,23 | 1,27 |
| 20 | 18 | 20 | 51 | 48 | 26 | 1,98 | 1,9 | 1,95 | 1,95 | 2,02 | 1,97 |
| 25 | 25 |
22
|
56 | 52 | 33 | 2,48 | 2,42 | 2,45 | 2,46 | 2,45 | 2,5 |
| 32 | 31 | 60 | 64 | 39 | 3,05 | 3 | 3,03 | 3,03 | 2,99 | 3,06 | |
| 40 | 37 | 23 | 67 | 76 | 46 | 4,06 | 4 | 4 | 4,07 | 3,95 | 4,05 |
| 50 | 45 | 25 | 68 | 86 | 58 | 6,03 | 5,6 | 5,94 | 6,05 | 5,95 | 6,08 |
| 65 | 62 | 29 | 80 | 110 | 77 | 8,52 | 8,48 | 8,41 | 8,84 | 8,4 | 8,57 |
| 80 | 75 | 31 | 87 | 124 | 90 | 9,91 | 9,85 | 9,77 | 9,95 | 9,8 | 9,98 |
| 100 | 92 | 35 | 97 | 146 | 110 | 14,65 | 14,4 | 14,47 | 14,65 | 14,44 | 14,67 |
| 125 | 112 | 39 | 112 | 180 | 135 | 23,32 | 19,3 | 23 | 23,3 | 23,04 | 23,34 |
| 150 | 136 | 43 |
125
|
214 | 161 | 32,87 | 31,9 | 31,73 | 32,22 | 31,87 | 32,19 |
| -175 | 166 | 45 | 246 | 196 | 39 | 38,36 | 38,09 | 38,66 | 38,54 | 39,07 | |
| 200 | 190 | 51 | 140 | 276 | 222 | 54,24 | 54,07 | 51,14 | 53,9 | 53,81 | 54,23 |
| -225 | 212 | 53 | 155 | 312 | 248 | 71,19 | 71,08 | 68,74 | 69,44 | 70,7 | 71,19 |
| 250 | 236 | 57 | 160 | 340 | 278 | 85,24 | 85,12 | 83,37 | 84,51 | 85,4 | 85,26 |
| 300 | 284 | 66 | 180 | 400 | 330 | 127,78 | 127,73 | 125,24 | 127,41 | 127,76 | 128,35 |
| 350 | 332 | 72 | 195 | 460 | 382 | 170,94 | 170 | 167,22 | 169,56 | 169,55 | 171,6 |
| 400 | 376 | 76 | 200 | 510 | 432 | 216,44 | 211,86 | 207,25 | 210,24 | 211,1 | 212,9 |
Ру 16,0 МПа (160 кгс/см2)
|
Проход
условный Dy |
d1
|
b
|
h4
|
Dm
|
Dn
|
Масса, кг | |||||
| с выступом | с впадиной | с шипом | с пазом | под прокладку овального сечения |
под линзовую прокладку | ||||||
| 15 | 12 | 18 | 50 | 38 | 19 | 1,27 | 1,24 | 1,24 | 1,21 | 1,23 | 1,27 |
| 20 | 18 | 20 | 56 | 48 | 26 | 1,98 | 1,94 | 1,95 | 1,9 | 2,03 | 2,08 |
| 25 | 25 | 22 | 56 | 52 | 33 | 2,48 | 2,44 | 2,45 | 2,38 | 2,44 | 2,5 |
| 32 | 31 | 22 | 65 | 64 | 39 | 3,07 | 3,01 | 3,04 | 2,96 | 2,98 | 3,06 |
| 40 | 37 | 25 | 72 | 76 | 46 | 4,01 | 3,98 | 4,28 | 4,2 | 3,97 | 4,06 |
| 50 | 45 | 27 | 75 | 86 | 58 | 6,43 | 6,4 | 6,49 | 5,95 | 6,3 | 6,49 |
| 65 | 62 | 31 | 85 | 110 | 77 | 9,38 | 8,64 | 8,36 | 8,23 | 8,88 | 9,1 |
| 80 | 75 | 33 | 90 | 124 | 90 | 10,4 | 10,3 | 10,16 | 10,02 | 10,2 | 10,46 |
| 100 | 92 | 37 | 100 | 146 | 110 | 15,4 | 15,22 | 15,18 | 14,93 | 15,09 | 15,41 |
| 125 | 112 | 41 | 115 | 180 | 135 | 24,87 | 23,1 | 23,89 | 23,59 | 23,82 | 24,19 |
| 150 | 136 | 47 | 130 | 214 | 161 | 35,04 | 34,4 | 31,84 | 31,65 | 33,92 | 34,48 |
| -175 | 166 | 51 | 135 | 246 | 196 | 43,1 | 42,96 | 42,48 | 42,08 | 42,05 | 43,02 |
| 200 | 190 | 57 | 145 | 276 | 222 | 60,1 | 60 | 58,24 | 57,8 | 57,86 | 58,9 |
| -225 | 212 | 60 | 160 | 312 | 248 | 78,8 | 78,7 | 76,81 | 76,31 | 76,54 | 77,7 |
| 250 | 236 | 65 | 165 | 340 | 278 | 94,4 | 94,2 | 92,48 | 91,93 | 92,16 | 93,41 |
| 300 | 284 | 74 | 185 | 400 | 330 | 141 | 140 | 136,69 | 136,06 | 136,56 | 139,2 |
Ру 20,0 МПа (200 кгс/см2)
|
Проход
условный Dy |
d1
|
b
|
h4
|
Dm
|
Dn
|
Масса, кг | |||||
| с выступом | с впадиной | с шипом | с пазом | под прокладку овального сечения |
под линзовую прокладку | ||||||
| 15 | 14 | 24 | 52 | 40 | 23 | 1,92 | 1,92 | 2,11 | 2,08 | 1,88 | 1,93 |
| 20 | 19 | 26 | 55 | 46 | 29 | 2,54 | 2,53 | 2,49 | 2,44 | 2,46 | 2,5 |
| 25 | 25 | 28 | 60 | 54 | 36 | 3,53 | 3,33 | 3,54 | 3,5 | 3,5 | 3,59 |
| 32 | 31 | 30 | 65 | 64 | 43 | 4,42 | 4,42 | 4,42 | 4,34 | 4,35 | 4,43 |
| 40 | 36 | 31 | 72 | 74 | 49 | 5,32 | 5,36 | 5,31 | 5,22 | 5,27 | 5,46 |
| 50 | 46 | 37 | 95 | 105 | 61 | 11,11 | 11,25 | 9,95 | 9,85 | 9,86 | 10,05 |
| 65 | 68 | 45 | 118 | 138 | 90 | 19,01 | 19,2 | 18,61 | 18,48 | 18,97 | 19,23 |
| 80 | 80 | 51 | 132 | 162 | 110 | 27,3 | 27,5 | 27,28 | 27,03 | 27,23 | 27,55 |
| 100 | 102 | 63 | 175 | 208 | 135 | 53,22 | 53,6 | 53,14 | 52,89 | 53,26 | 53,64 |
| 125 | 130 | 73 | 175 | 234 | 170 | 73,15 | 65,2 | 64,05 | 63,75 | 65,37 | 64,74 |
| 150 | 150 | 79 | 190 | 266 | 196 | 90,19 | 90,6 | 90,11 | 89,76 | 90,02 | 90,92 |
| -175 | 170 | 81 | 195 | 294 | 222 | 110 | 109 | 109,81 | 109,33 | 109,67 | 110,71 |
| 200 | 192 | 89 | 230 | 340 | 248 | 158,6 | 159 | 158,27 | 157,83 | 158,53 | 159,69 |
| -225 | 212 | 97 | 245 | 374 | 278 | 202,1 | 202 | 201,4 | 200,9 |
-
|
-
|
| 250 | 254 | 107 | 300 | 460 | 330 | 314,5 | 315,7 | 318,03 | 317,49 | ||
Заключение
Представленные выше таблицы демонстрируют комплексную параметрическую зависимость размеров фланцев, где каждая характеристика – от условного прохода до межосевого расстояния крепёжных отверстий – играет решающую роль в обеспечении надёжности соединения. Особое внимание уделено уникальному соотношению габаритных параметров, что позволяет точно подобрать изделие для конкретных технических условий.














